Запчасти Komatsu WA480-6 ПРОТИВОВЕС (ДОПОЛНИТ.) M ЧАСТИ КОРПУСА

Схема запчастей Komatsu WA480-6 - ПРОТИВОВЕС (ДОПОЛНИТ.) M ЧАСТИ КОРПУСА
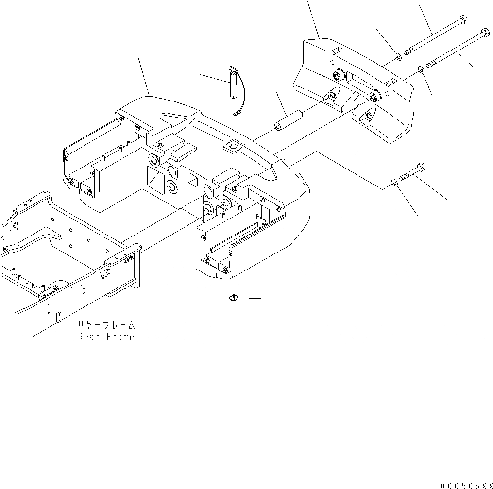
9
1
8
6
2
3
10
5
7
5
4
FIT
1:1
100%

Артикул

Название

Примечание

Количество

1

421-46-45280

COUNTER WEIGHT

SN: H60051-UP

1шт.

2

01643-33080

WASHER

SN: H60051-UP

2шт.

3

207-46-53140

BOLT

SN: H60051-UP

2шт.

4

421-975-4230

BOLT

SN: H60051-UP

2шт.

5

01643-33080

WASHER

SN: H60051-UP

4шт.

6

421-975-4170

SPACER

SN: H60051-UP

2шт.

7

421-975-4240

BOLT

SN: H60051-UP

2шт.

8

423-46-45121

PIN

SN: H60051-UP

1шт.

|$9

09245-04875

CHAIN

SN: H60051-UP

1шт.

|$10

09245-50060

HOOK

SN: H60051-UP

3шт.

9

426-46-12280

PIN, LINCH

SN: H60051-UP

1шт.

10

421-975-4151

COUNTER WEIGHT

SN: H60051-UP

1шт.

Выбрано товаров: 0