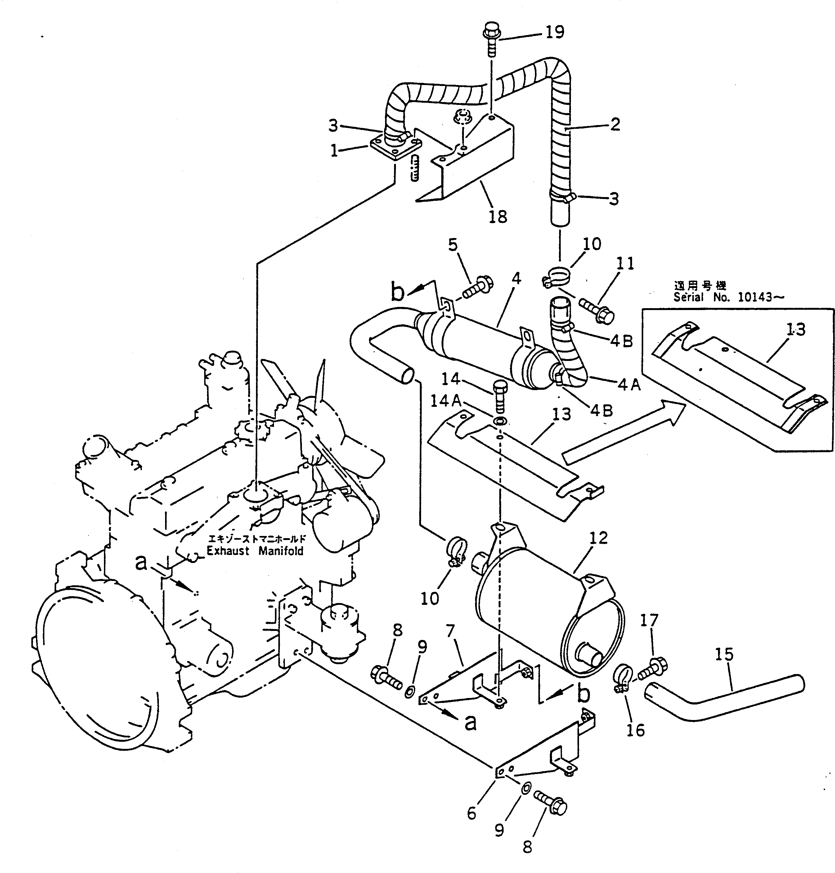
Запчасти Komatsu WA50-1 ГЛУШИТЕЛЬ И КОМПОНЕНТЫ КОМПОНЕНТЫ ДВИГАТЕЛЯ И ЭЛЕКТРИКА

Схема запчастей Komatsu WA50-1 - ГЛУШИТЕЛЬ И КОМПОНЕНТЫ КОМПОНЕНТЫ ДВИГАТЕЛЯ И ЭЛЕКТРИКА
FIT
1:1
100%

Артикул

Название

Примечание

Количество

|1

42A-02-11110

TUBE ASS'Y

SN: 10001-UP

1шт.

1

42A-02-11120

TUBE

SN: 10001-UP

1шт.

2

42A-02-11130

SEAT

SN: 10001-UP

1шт.

3

07281-00549

CLAMP

SN: 10001-UP

2шт.

|4

42A-01-14130

MUFFLER ASS'Y

SN: 10001-UP

1шт.

4

42A-01-14140

MUFFLER

SN: 10001-UP

1шт.

4A

42A-01-14160

SEAT

SN: 10001-UP

1шт.

4B

07281-00549

CLAMP

SN: 10001-UP

2шт.

5

01435-01220

BOLT

SN: 10001-UP

2шт.

6

42A-01-14212

BRACKET

SN: 10364-UP

1шт.

|6

42A-01-14211

BRACKET

SN: 10001-10363

1шт.

7

42A-01-14223

BRACKET

SN: 10364-UP

1шт.

|7

42A-01-14222

BRACKET

SN: 10001-10363

1шт.

8

01010-51025

BOLT

SN: 10105-UP

4шт.

|8

01435-01025

BOLT

SN: 10001-10104

4шт.

9

417-43-16210

WASHER

SN: 10001-UP

4шт.

10

42A-02-11170

CLAMP

SN: 10001-UP

2шт.

11

01435-00825

BOLT

SN: 10001-UP

2шт.

12

42A-01-14111

MUFFLER

SN: 10001-UP

1шт.

13

42A-01-14174

COVER

SN: 10143-UP

1шт.

|13

42A-01-14173

COVER

SN: 10123-10142

1шт.

|13

42A-01-14172

COVER

SN: 10001-10122

1шт.

14

01010-51235

BOLT

SN: 10364-UP

3шт.

|14

01435-01220

BOLT

SN: 10001-10363

3шт.

14A

01643-31232

WASHER

SN: 10364-UP

3шт.

15

42A-02-11140

TUBE

SN: 10001-UP

1шт.

16

42A-02-11160

CLAMP

SN: 10001-UP

1шт.

17

01435-00825

BOLT

SN: 10001-UP

1шт.

18

42A-01-14310

COVER

SN: 10001-UP

1шт.

19

01435-01020

BOLT

SN: 10001-UP

1шт.

Выбрано товаров: 0