Запчасти Komatsu WA50-1 ОБОГРЕВАТЕЛЬ. (ЭЛЕКТР.) (/) РАМА И ЧАСТИ КОРПУСА

Схема запчастей Komatsu WA50-1 - ОБОГРЕВАТЕЛЬ. (ЭЛЕКТР.) (/) РАМА И ЧАСТИ КОРПУСА
FIT
1:1
100%

Артикул

Название

Примечание

Количество

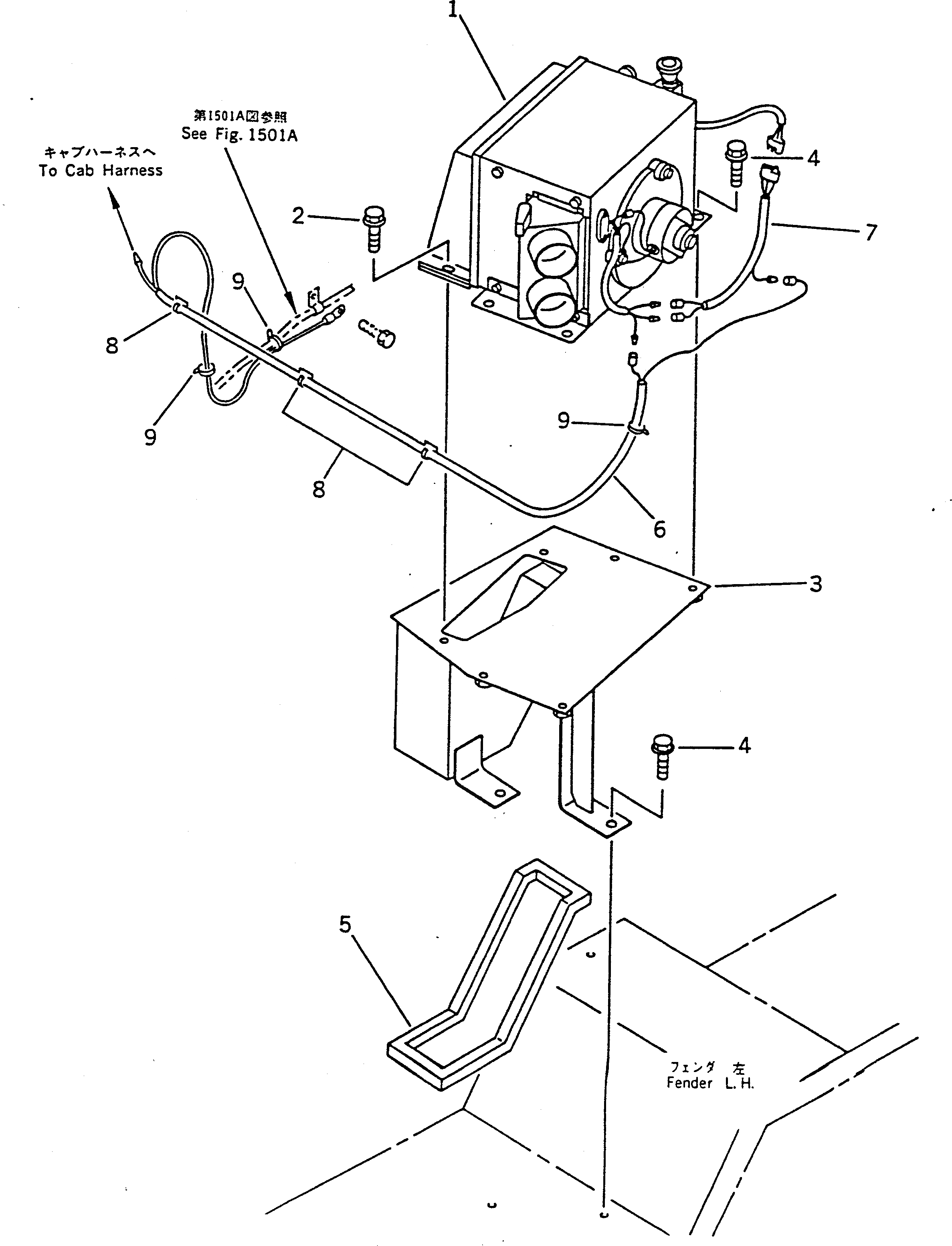
1

42A-942-1110

HEATER ASS'Y

SN: 10001-UP

1шт.

2

01435-00620

BOLT

SN: 10001-UP

2шт.

3

42A-942-1251

BRACKET

SN: 10001-UP

1шт.

4

01435-01020

BOLT

SN: 10001-UP

7шт.

5

42A-942-1260

SHEET

SN: 10001-UP

1шт.

6

42A-942-1231

WIRE ASS'Y

SN: 10001-UP

1шт.

7

41A-942-1210

WIRE ASS'Y

SN: 10001-UP

1шт.

8

08051-00801

CLIP

SN: 10001-UP

3шт.

9

08034-00414

BAND

SN: 10001-UP

3шт.

Выбрано товаров: 9