Запчасти Komatsu WA50-3-CN ПЕРЕДАЧА ЭЛЕМЕНТЫ КРЕПЛЕНИЯ ГИДРОТРАНСФОРМАТОР И ТРАНСМИССИЯ

Схема запчастей Komatsu WA50-3-CN - ПЕРЕДАЧА ЭЛЕМЕНТЫ КРЕПЛЕНИЯ ГИДРОТРАНСФОРМАТОР И ТРАНСМИССИЯ
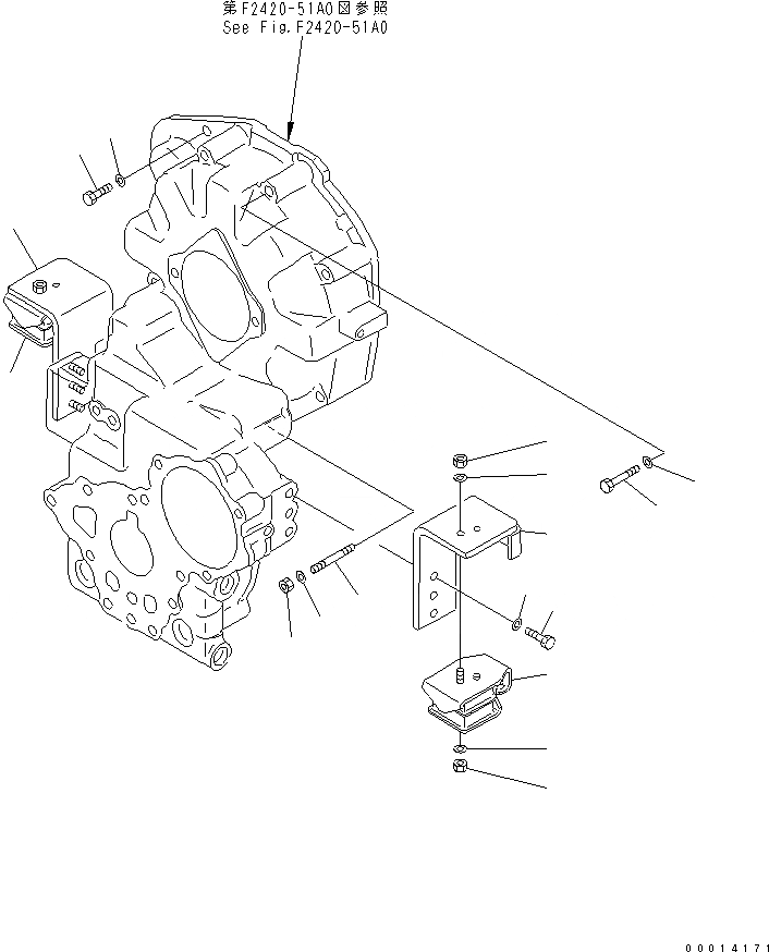
1
2
3
4
5
5
6
6
7
7
8
9
10
11
11
11
12
FIT
1:1
100%

Артикул

Название

Примечание

Количество

1

363-14-31112

BRACKET,L.H.

SN: 23001-UP

1шт.

2

363-14-31122

BRACKET,R.H.

SN: 23001-UP

1шт.

3

01010-81230

BOLT

SN: 23001-UP

6шт.

4

01643-31232

WASHER

SN: 23001-UP

6шт.

5

20S-01-71331

CUSHION

SN: 23001-UP

2шт.

6

01580-11008

NUT

SN: 23001-UP

4шт.

7

01643-31032

WASHER

SN: 23001-UP

4шт.

8

01011-81205

BOLT

SN: 23001-UP

5шт.

9

01010-81235

BOLT

SN: 23001-UP

1шт.

10

714-09-13910

STUD

SN: 23001-UP

2шт.

11

01643-31232

WASHER

SN: 23001-UP

8шт.

12

01580-11210

NUT

SN: 23001-UP

2шт.

Выбрано товаров: 12