Запчасти Komatsu WA50-3 ЗАДН. РАМА (СЕВ. АМЕРИКА СПЕЦ-Я.)(№-999) ОСНОВНАЯ РАМА И ЕЕ ЧАСТИ

Схема запчастей Komatsu WA50-3 - ЗАДН. РАМА (СЕВ. АМЕРИКА СПЕЦ-Я.)(№-999) ОСНОВНАЯ РАМА И ЕЕ ЧАСТИ
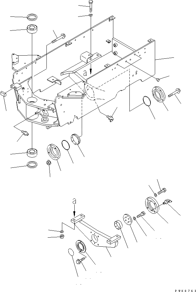
1
2
2
3
3
4
5
6
7
8
8
9
9
10
11
12
13
14
15
16
17
18
19
20
21
22
23
24
25
26
26
27
28
FIT
1:1
100%

Артикул

Название

Примечание

Количество

1

42A-921-2210

FRAME,REAR

SN: 21450-UP

1шт.

2

417-46-11120

BEARING

SN: 21450-UP

2шт.

3

07011-00080

SEAL,DUST

SN: 21450-UP

2шт.

4

07020-00000

FITTING,GREASE

SN: 21450-UP

1шт.

5

361-46-22230

BUMPER

SN: 21450-UP

2шт.

6

01435-00870

BOLT

SN: 21450-UP

2шт.

7

363-46-37111

BUSHING

SN: 21450-UP

1шт.

8

363-46-37210

PLATE

SN: 21450-UP

2шт.

9

07000-05105

O-RING

SN: 21450-UP

2шт.

10

01435-00860

BOLT

SN: 21450-UP

4шт.

11

01584-00806

NUT

SN: 21450-UP

4шт.

12

07020-00675

FITTING,GREASE

SN: 21450-UP

1шт.

13

42A-46-27110

SUPPORT

SN: 21450-UP

1шт.

14

363-46-37121

BUSHING

SN: 21450-UP

1шт.

15

363-46-37190

PLATE

SN: 21450-UP

1шт.

16

07000-05080

O-RING

SN: 21450-UP

1шт.

17

01435-00820

BOLT

SN: 21450-UP

2шт.

18

363-46-37140

PLATE,THRUST

SN: 21450-UP

1шт.

19

01010-81250

BOLT

SN: 21450-UP

4шт.

20

01643-31232

WASHER

SN: 21450-UP

4шт.

21

363-46-37150

CAP,THRUST

SN: 21450-UP

1шт.

22

07020-00675

FITTING,GREASE

SN: 21450-UP

1шт.

23

01010-81250

BOLT

SN: 21450-UP

4шт.

24

01643-31232

WASHER

SN: 21450-UP

4шт.

25

01010-81680

BOLT

SN: 21450-UP

4шт.

26

01643-31645

WASHER

SN: 21450-UP

8шт.

27

01580-01613

NUT

SN: 21450-UP

4шт.

28

07049-01418

PLUG

SN: 21450-UP

6шт.

Выбрано товаров: 28