Запчасти Komatsu WA50-3 РАДИАТОР И МАСЛООХЛАДИТЕЛЬ (СЕВ. АМЕРИКА СПЕЦ-Я.)(№-999) СИСТЕМА ОХЛАЖДЕНИЯ

Схема запчастей Komatsu WA50-3 - РАДИАТОР И МАСЛООХЛАДИТЕЛЬ (СЕВ. АМЕРИКА СПЕЦ-Я.)(№-999) СИСТЕМА ОХЛАЖДЕНИЯ
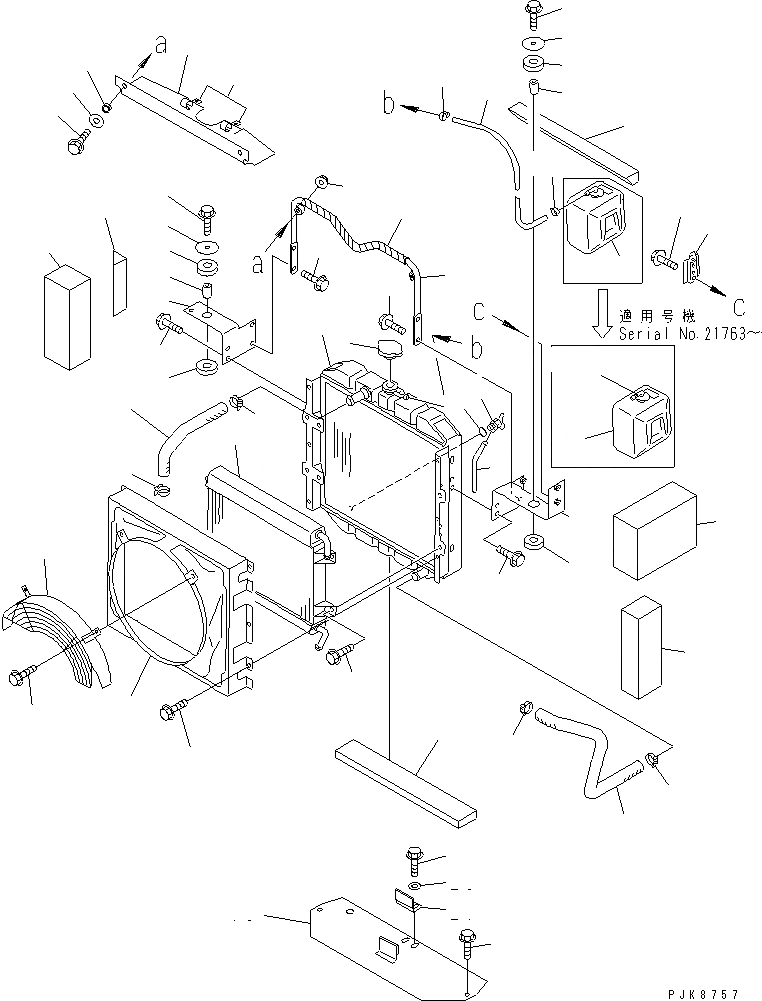
1
2
3
4
5
6
7
8
9
10
11
12
13
14
14
15
15
15
15
16
16
17
17
18
18
19
20
21
22
23
24
25
26
26
27
28
29
30
30
30
30
31
31
31A
32
33
34
35
35
36
37
38
39
40
41
42
43
44
45
46
FIT
1:1
100%

Артикул

Название

Примечание

Количество

1

363-03-31110

RADIATOR ASS'Y

SN: 21450-UP

1шт.

2

363-03-31330

CAP

SN: 21450-UP

1шт.

3

363-03-31310

OIL COOLER ASS'Y

SN: 21450-UP

1шт.

4

363-03-31350

BOLT

SN: 21450-UP

4шт.

5

363-03-31120

SHROUD

SN: 21450-UP

1шт.

6

363-03-31340

BOLT

SN: 21450-UP

6шт.

7

363-03-31360

VALVE

SN: 21450-UP

1шт.

8

363-03-31370

O-RING

SN: 21450-UP

1шт.

9

363-03-31320

HOSE

SN: 21450-UP

1шт.

10

42A-03-21412

NET

SN: 21450-UP

1шт.

11

01435-00812

BOLT

SN: 21450-UP

2шт.

12

363-03-31410

BRACKET,L.H.

SN: 21450-UP

1шт.

13

363-03-31420

BRACKET,R.H.

SN: 21450-UP

1шт.

14

01435-00816

BOLT

SN: 21450-UP

4шт.

15

416-03-11221

CUSHION

SN: 21450-UP

4шт.

16

363-03-31160

TUBE

SN: 21450-UP

2шт.

17

416-03-11210

WASHER

SN: 21450-UP

2шт.

18

01435-01055

BOLT

SN: 21450-UP

2шт.

19

363-03-31171

COVER

SN: 21450-UP

1шт.

20

01435-01016

BOLT

SN: 21450-UP

2шт.

21

363-03-31190

BRACKET

SN: 21450-UP

1шт.

22

01435-01016

BOLT

SN: 21450-UP

2шт.

23

01643-51032

WASHER

SN: 21450-UP

2шт.

24

363-03-32210

BAR

SN: 21450-UP

1шт.

25

01584-01008

NUT

SN: 21450-UP

2шт.

26

01435-00816

BOLT

SN: 21450-UP

4шт.

27

363-18-32130

PROTECTOR

SN: 21450-UP

1шт.

28

363-03-32110

HOSE

SN: 21450-UP

1шт.

29

363-03-32120

HOSE

SN: 21450-UP

1шт.

30

07289-00035

CLAMP

SN: 21450-UP

4шт.

31

42A-03-11121

TANK

SN: 21763-UP

1шт.

31

42A-03-11120

TANK

SN: 21450-21762

1шт.

31A

42A-03-11220

CAP

SN: 21763-UP

1шт.

32

42A-03-11130

BRACKET

SN: 21450-UP

1шт.

33

01435-00612

BOLT

SN: 21450-UP

2шт.

34

363-03-33110

HOSE

SN: 21450-UP

1шт.

35

07285-00115

CLIP

SN: 21450-UP

2шт.

36

363-03-31270

SHEET

SN: 21450-UP

1шт.

37

363-03-31240

PLATE

SN: 21450-UP

1шт.

38

424-54-14310

SPACER

SN: 21450-UP

2шт.

39

01435-01035

BOLT

SN: 21450-UP

2шт.

40

421-62-14740

WASHER

SN: 21450-UP

2шт.

41

08036-10810

CLIP

SN: 21450-UP

2шт.

42

363-03-31440

SHEET

SN: 21450-UP

1шт.

43

42A-03-21322

SHEET

SN: 21450-UP

1шт.

44

363-03-31460

SHEET

SN: 21450-UP

1шт.

45

363-03-31431

SHEET

SN: 21450-UP

1шт.

46

363-03-31450

SHEET

SN: 21450-UP

1шт.

Выбрано товаров: 0