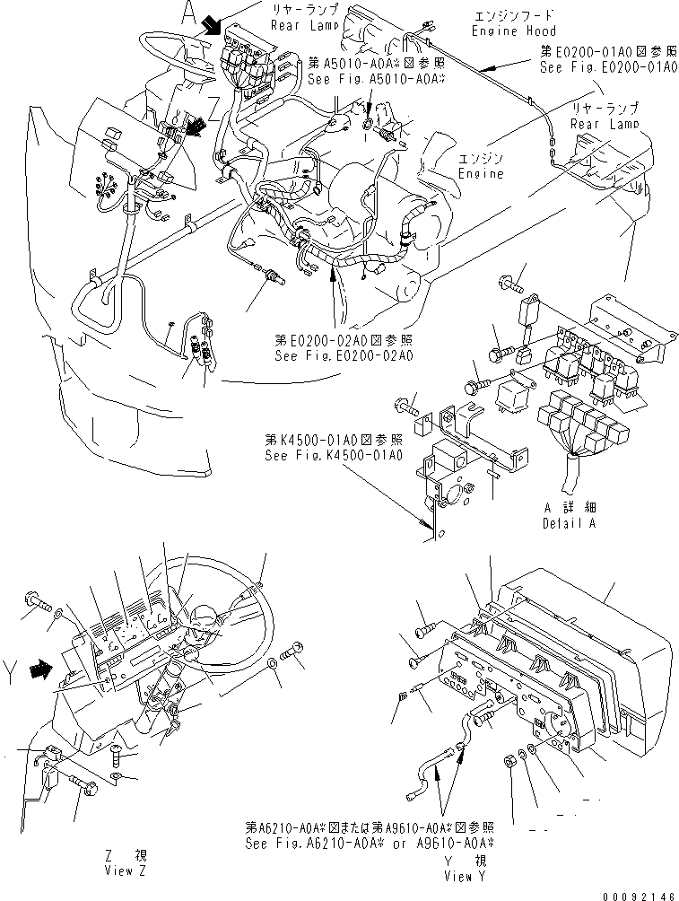
Запчасти Komatsu WA50-3 ПАНЕЛЬ ПРИБОРОВ (МАСТЕР КЛЮЧ ТИП)(№-) ЭЛЕКТРИКА

Схема запчастей Komatsu WA50-3 - ПАНЕЛЬ ПРИБОРОВ (МАСТЕР КЛЮЧ ТИП)(№-) ЭЛЕКТРИКА
1
2
3
4
5
6
7
8
9
10
11
12
12
13
14
15
16
17
18
19
19
20
20
21
22
23
24
25
26
27
28
29
30
31
32
33
33
34
35
36
37
38
39
FIT
1:1
100%

Артикул

Название

Примечание

Количество

1

08086-10000

SWITCH,STARTING

SN: 23001-@

1шт.

2

363-06-31240

FLASHER

SN: 23001-@

1шт.

3

01435-00612

BOLT

SN: 23001-@

1шт.

4

363-06-31140

SWITCH,COMBINATION

SN: 23001-@

1шт.

5

363-06-31130

RELAY

SN: 23001-@

9шт.

6

01435-00610

BOLT

SN: 23001-@

9шт.

7

363-06-31151

BUZZER

SN: 23001-@

1шт.

8

01023-10414

SCREW

SN: 23001-@

2шт.

9

01641-20405

WASHER

SN: 23001-@

2шт.

10

01435-00625

BOLT

SN: 23001-@

2шт.

11

01435-00616

BOLT

SN: 23001-@

1шт.

|$16

42A-06-25150

PANEL ASS'Y

SN: 23001-23500

1шт.

12

417-06-25120

PANEL

SN: 23001-@

1шт.

13

42A-06-15221

HOUSING

SN: 23001-23500

1шт.

14

363-06-35311

GAUGE,TEMPERATURE

SN: 23001-23500

1шт.

15

363-06-35320

TACHOMETER

SN: 23001-@

1шт.

16

363-06-35381

GAUGE,FUEL

SN: 23001-23500

1шт.

17

363-06-35331

LENS

SN: 23001-@

1шт.

18

42A-06-25160

LENS

SN: 23001-@

1шт.

19

42A-06-15280

PLATE,SHADOW

SN: 23001-23500

1шт.

20

42A-06-15290

COVER,FRONT

SN: 23001-@

1шт.

21

363-06-36310

PLATE,PRINT

SN: 23001-23500

1шт.

22

01580-10302

NUT

SN: 23001-23500

15шт.

23

01601-20307

WASHER,SPRING

SN: 23001-23500

15шт.

24

01641-20305

WASHER

SN: 23001-23500

15шт.

25

01370-00412

SCREW

SN: 23001-23500

7шт.

26

01023-10408

SCREW

SN: 23001-@

2шт.

27

42A-06-15320

METER,SERVICE

SN: 23001-23500

1шт.

28

363-06-35360

SOCKET

SN: 23001-@

15шт.

29

363-06-35390

BULB, 1.4W

SN: 23001-@

15шт.

30

42A-06-15350

SCREW

SN: 23001-@

5шт.

31

363-06-35420

CAP

SN: 23001-@

2шт.

32

363-06-35410

BOLT

SN: 23001-@

3шт.

33

01642-40608

WASHER

SN: 23001-@

5шт.

34

01220-70616

SCREW

SN: 23001-@

2шт.

35

421-S33-3282

SWITCH,PARKING BRAKE

SN: 23001-@

1шт.

36

417-06-11210

SENSOR

SN: 23001-@

1шт.

37

363-06-37120

SWITCH,STOP LAMP

SN: 23001-@

1шт.

38

363-06-31220

SENSOR

SN: 23001-@

1шт.

39

01435-00610

BOLT

SN: 23001-@

2шт.

Выбрано товаров: 40