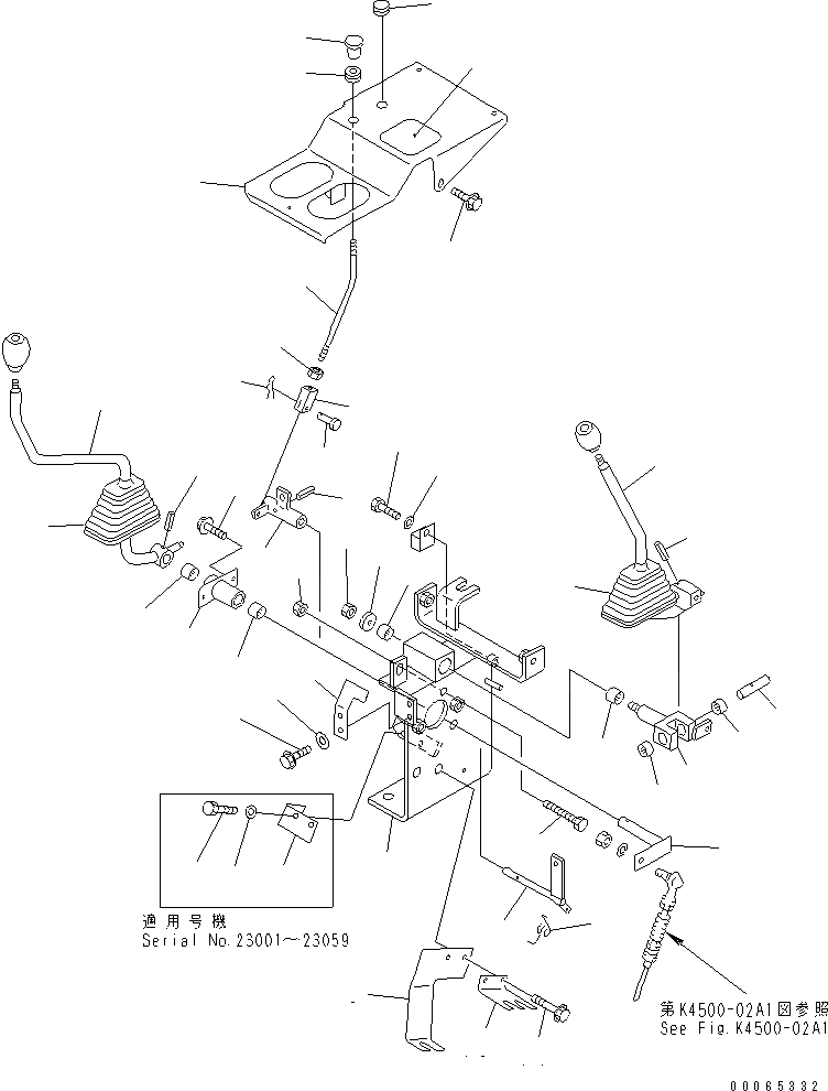
Запчасти Komatsu WA50-3 РАБОЧЕЕ ОБОРУДОВАНИЕ УПРАВЛ-Е (РЫЧАГ) (ДЛЯ ПЕРЕДН. НАВЕСН. ОБОРУД) КАБИНА ОПЕРАТОРА И СИСТЕМА УПРАВЛЕНИЯ

Схема запчастей Komatsu WA50-3 - РАБОЧЕЕ ОБОРУДОВАНИЕ УПРАВЛ-Е (РЫЧАГ) (ДЛЯ ПЕРЕДН. НАВЕСН. ОБОРУД) КАБИНА ОПЕРАТОРА И СИСТЕМА УПРАВЛЕНИЯ
1
2
3
3
4
5
6
7
8
9
10
11
12
13
14
15
16
17
18
19
20
21
22
22
23
24
25
25
26
27
28
29
30
31
32
33
34
35
36
37
38
39
39
40
41
42
43
44
FIT
1:1
100%

Артикул

Название

Примечание

Количество

1

363-877-3210

BRACKET

SN: 23001-UP

1шт.

2

01435-01025

BOLT

SN: 23001-UP

2шт.

3

363-43-27250

BEARING

SN: 23001-UP

2шт.

4

363-877-3221

LEVER

SN: 23001-UP

1шт.

5

363-877-3231

LEVER

SN: 23001-UP

1шт.

6

04025-00532

PIN

SN: 23001-UP

1шт.

7

363-877-3240

LEVER

SN: 23001-UP

1шт.

8

04025-00320

PIN

SN: 23001-UP

1шт.

9

363-877-3250

BRACKET

SN: 23001-UP

1шт.

10

363-877-3260

COVER

SN: 23001-UP

1шт.

11

363-877-3410

PLATE

SN: 23001-UP

1шт.

12

01435-00816

BOLT

SN: 23001-UP

3шт.

13

363-43-38310

BRACKET

SN: 23001-UP

1шт.

14

01435-01030

BOLT

SN: 23001-UP

2шт.

15

363-43-38220

PLATE

SN: 23001-UP

1шт.

16

01435-00620

BOLT

SN: 23001-UP

2шт.

17

01643-30823

WASHER

SN: 23001-UP

2шт.

18

363-43-38111

LEVER

SN: 23001-UP

1шт.

19

363-43-38120

YOKE

SN: 23001-UP

1шт.

20

363-43-27161

PIN

SN: 23001-UP

1шт.

21

04025-00332

PIN

SN: 23001-UP

1шт.

22

363-43-27260

BEARING

SN: 23001-UP

2шт.

23

01598-00809

NUT

SN: 23001-UP

1шт.

24

113-43-23230

WASHER

SN: 23001-UP

1шт.

25

363-43-27250

BEARING

SN: 23001-UP

2шт.

26

363-43-38150

PIN

SN: 23001-UP

1шт.

27

09467-00006

SPRING

SN: 23001-UP

1шт.

28

363-43-38130

ROD

SN: 23001-UP

1шт.

29

01580-10605

NUT

SN: 23001-UP

1шт.

30

04210-20624

YOKE

SN: 23001-UP

1шт.

31

04205-10618

PIN

SN: 23001-UP

1шт.

32

04052-20633

PIN

SN: 23060-UP

1шт.

32

04052-10633

PIN

SN: 23001-23059

1шт.

33

363-43-32210

BRACKET

SN: 23001-UP

1шт.

34

01016-50825

BOLT

SN: 23001-UP

1шт.

35

01580-10806

NUT

SN: 23001-UP

1шт.

36

415-43-18231

GROMMET

SN: 23001-UP

1шт.

37

09415-01008

CAP

SN: 23001-UP

1шт.

38

415-43-18250

KNOB

SN: 23001-UP

1шт.

39

421-43-28431

BOOT

SN: 23001-UP

2шт.

40

363-06-32410

COVER

SN: 23001-23059

1шт.

41

01010-80612

BOLT

SN: 23001-23059

2шт.

42

01643-30623

WASHER

SN: 23001-23059

2шт.

43

01010-80620

BOLT

SN: 23001-UP

1шт.

44

01643-30623

WASHER

SN: 23001-UP

1шт.

Выбрано товаров: 45