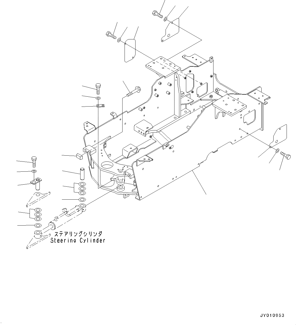
Запчасти Komatsu WA50-6 ЗАДН. РАМА (№-) ЗАДН. РАМА

Схема запчастей Komatsu WA50-6 - ЗАДН. РАМА (№-) ЗАДН. РАМА
1
2
3
4
5
2
5
4
4
5
14
16
15
14
13
12
11
10
9
8
7
6
13
FIT
1:1
100%

Артикул

Название

Примечание

Количество

1

42A-46-52117

Frame

SN: 62776-UP

1шт.

1

42A-46-52116

Frame

SN: 62748-62775

1шт.

1

42A-46-52115

Frame,Rear

SN: 61673-62747

1шт.

1

42A-46-52114

Frame,Rear

SN: 60388-61672

1шт.

1

42A-46-52113

Frame,Rear

SN: 60001-60387

1шт.

2

42A-46-52121

Cover

SN: 60001-UP

2шт.

3

42A-46-52170

Cover

SN: 60001-UP

1шт.

4

01010-81025

Bolt

SN: 60001-UP

6шт.

5

01643-31032

Washer

SN: 60001-UP

6шт.

6

42A-46-52141

Pin

SN: 60001-UP

1шт.

7

42A-46-52160

Plate

SN: 60001-UP

1шт.

8

01010-81025

Bolt

SN: 60001-UP

2шт.

9

203-54-56970

Washer

SN: 60001-UP

2шт.

10

42A-46-52150

Pin

SN: 60001-UP

1шт.

11

01010-81220

Bolt

SN: 60001-UP

1шт.

12

175-54-34170

Washer

SN: 60001-UP

1шт.

13

20S-70-81760

Spacer, T=1.0mm

SN: 60001-UP

6шт.

14

363-46-32140

Shim, T=0.5mm

SN: 60001-UP

2шт.

15

361-46-22230

Bumper

SN: 60001-UP

2шт.

16

01435-00870

Bolt

SN: 60001-UP

2шт.

Выбрано товаров: 20