Запчасти Komatsu WA500-1 УПРАВЛ-Е ТРАНСМИССИЕЙ ПЕРЕКЛЮЧАТЕЛЬ РУЛЕВ. УПРАВЛЕНИЕ И СИСТЕМА УПРАВЛЕНИЯS

Схема запчастей Komatsu WA500-1 - УПРАВЛ-Е ТРАНСМИССИЕЙ ПЕРЕКЛЮЧАТЕЛЬ РУЛЕВ. УПРАВЛЕНИЕ И СИСТЕМА УПРАВЛЕНИЯS
FIT
1:1
100%

Артикул

Название

Примечание

Количество

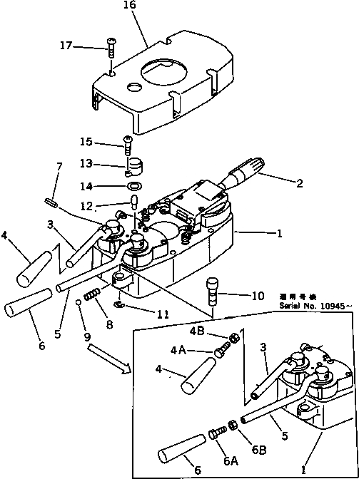
1

421-06-11605

SWITCH ASS'Y

SN: 20001-UP

1шт.

1

421-06-11604

SWITCH ASS'Y

SN: 10945-19999

1шт.

1

0

SWITCH ASS'Y

SN: .-10944

1шт.

1

0

SWITCH ASS'Y

SN: 10001-.

1шт.

2

421-06-18220

KNOB ASS'Y,LAMP AND TURN SIGNAL

SN: 10001-UP

1шт.

3

421-06-18191

LEVER ASS'Y,TRANSMISSION F-R

SN: 10945-UP

1шт.

3

0

LEVER ASS'Y,TRANSMISSION F-R

SN: 10001-10944

1шт.

4

421-06-18160

KNOB

SN: 10001-UP

1шт.

4A

421-06-18230

BOLT

SN: 10945-UP

1шт.

4B

421-06-18240

NUT

SN: 10945-UP

1шт.

5

421-06-18211

LEVER ASS'Y,TRANSMISSION SPEED

SN: 10945-UP

1шт.

5

0

LEVER ASS'Y,TRANSMISSION SPEED

SN: 10001-10944

1шт.

6

421-06-18160

KNOB

SN: 10001-UP

1шт.

6A

421-06-18230

BOLT

SN: 10945-UP

1шт.

6B

421-06-18240

NUT

SN: 10945-UP

1шт.

7

04025-00520

PIN,SPRING

SN: 10001-UP

2шт.

8

421-06-18120

SPRING

SN: 10001-UP

1шт.

9

04260-00317

BALL

SN: 10001-UP

1шт.

10

421-06-18110

PIN,LOCK

SN: 10001-UP

1шт.

11

421-06-18130

RING,SNAP

SN: 10001-UP

1шт.

12

7815-11-1010

BULB, 1.4W

SN: 10001-UP

1шт.

13

421-06-18170

LENS,HAZARD PILOT

SN: 10001-UP

1шт.

14

421-06-18180

PACKING

SN: 10001-UP

1шт.

15

01220-40310

SCREW

SN: 10001-UP

2шт.

16

421-06-18140

COVER

SN: 10001-UP

1шт.

17

421-06-18150

SCREW

SN: 10001-UP

4шт.

Выбрано товаров: 26