Запчасти Komatsu WA500-1 ГИДРОЛИНИЯ ЭКСТРЕННОГО УПРАВЛЕНИЯ (ИЗ БАКА В НАСОС)(№-9999) РУЛЕВ. УПРАВЛЕНИЕ И СИСТЕМА УПРАВЛЕНИЯS

Схема запчастей Komatsu WA500-1 - ГИДРОЛИНИЯ ЭКСТРЕННОГО УПРАВЛЕНИЯ (ИЗ БАКА В НАСОС)(№-9999) РУЛЕВ. УПРАВЛЕНИЕ И СИСТЕМА УПРАВЛЕНИЯS
FIT
1:1
100%

Артикул

Название

Примечание

Количество

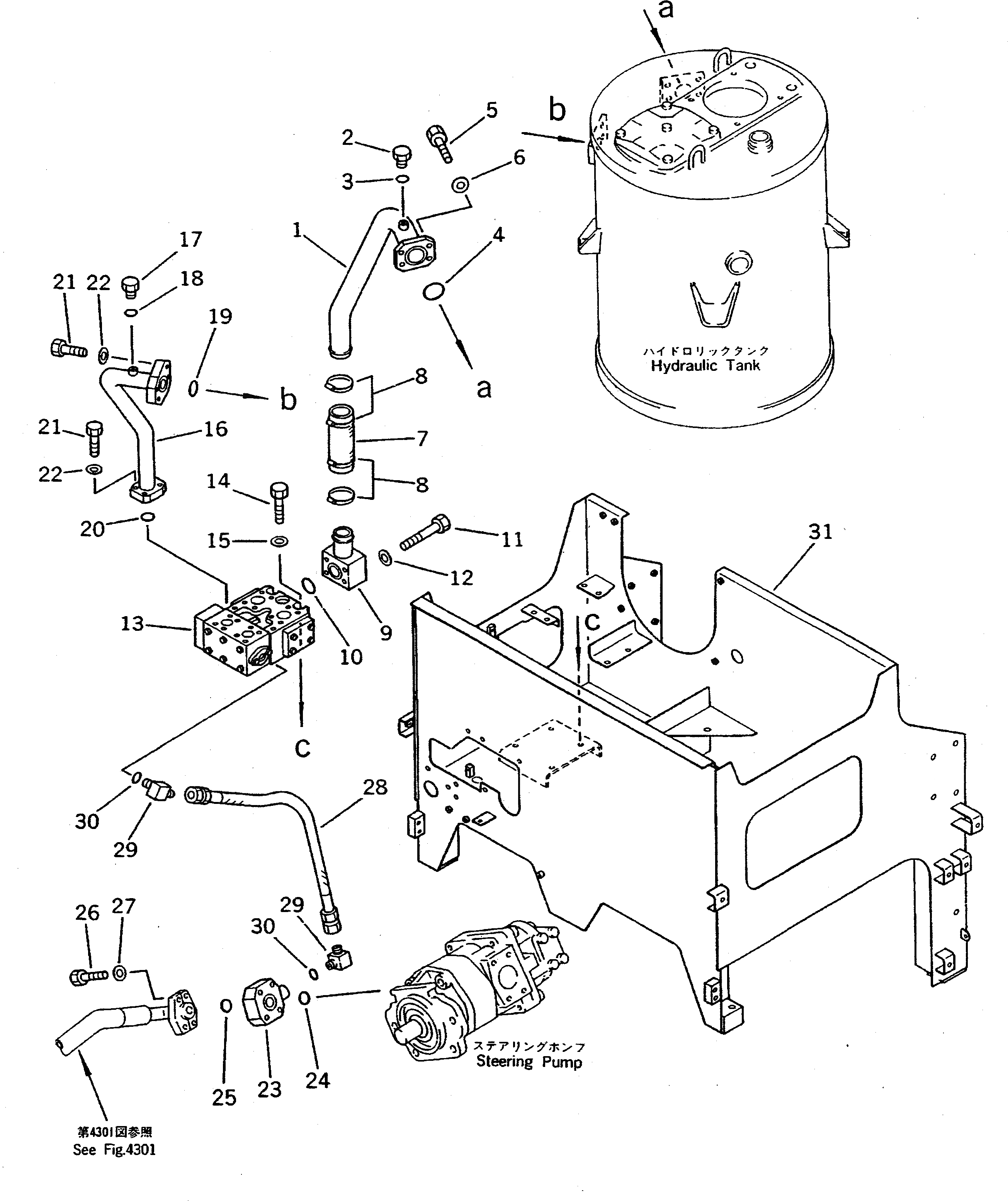
1

425-875-1320

TUBE

SN: 10001-19999

1шт.

2

07040-10807

PLUG

SN: 10001-19999

1шт.

3

07002-00823

O-RING

SN: 10001-19999

1шт.

4

07000-13048

O-RING

SN: 10001-@

1шт.

5

01010-51240

BOLT

SN: 10001-@

4шт.

6

01643-51232

WASHER

SN: 10001-@

4шт.

7

07260-04118

HOSE

SN: 10001-19999

1шт.

8

07281-00609

CLAMP

SN: 10001-19999

4шт.

9

425-875-1330

TUBE

SN: 10001-19999

1шт.

10

07000-13040

O-RING

SN: 10001-19999

1шт.

11

01010-51080

BOLT

SN: 10001-19999

4шт.

12

01643-31032

WASHER

SN: 10001-19999

4шт.

13

425-875-1100

VALVE ASS'Y

SN: 10001-@

1шт.

14

01011-51010

BOLT

SN: 10001-@

4шт.

15

01643-51032

WASHER

SN: 10001-19999

4шт.

16

425-875-1342

TUBE

SN: 10456-19999

1шт.

16

425-875-1341

TUBE

SN: 10001-10455

1шт.

16

425-875-1342

TUBE,(TBG SPEC.)

SN: 10528-19999

1шт.

16

425-875-1341

TUBE,(TBG SPEC.)

SN: 10001-10527

1шт.

17

07040-10807

PLUG

SN: 10001-10455

1шт.

17

07040-10807

PLUG,(TBG SPEC.)

SN: 10001-10527

1шт.

18

07002-00823

O-RING

SN: 10001-10455

1шт.

18

07002-00823

O-RING,(TBG SPEC.)

SN: 10001-10527

1шт.

19

07000-13038

O-RING

SN: 10001-19999

1шт.

20

07000-13035

O-RING

SN: 10001-@

1шт.

21

01010-51045

BOLT

SN: 10001-19999

8шт.

22

01643-51032

WASHER

SN: 10001-19999

8шт.

23

425-875-1550

ADAPTER

SN: 10001-19999

1шт.

24

07000-13030

O-RING

SN: 10001-19999

1шт.

25

07000-13032

O-RING

SN: 10001-19999

1шт.

26

01010-51065

BOLT

SN: 10001-19999

4шт.

27

01643-51032

WASHER

SN: 10001-19999

4шт.

28

07123-00206

HOSE

SN: 10001-19999

1шт.

29

07235-10210

ELBOW

SN: 10001-19999

2шт.

30

07002-11423

O-RING

SN: 10001-19999

2шт.

31

425-875-1490

SUPPORT,(MODIFIED PARTS)

SN: 10001-19999

1шт.

Выбрано товаров: 36