Запчасти Komatsu WA500-1 КОНСОЛЬН. БЛОК¤ ЛЕВ. (С КАБИНОЙ)(№-) КОМПОНЕНТЫ ДВИГАТЕЛЯ И ЭЛЕКТРИКА

Схема запчастей Komatsu WA500-1 - КОНСОЛЬН. БЛОК¤ ЛЕВ. (С КАБИНОЙ)(№-) КОМПОНЕНТЫ ДВИГАТЕЛЯ И ЭЛЕКТРИКА
FIT
1:1
100%

Артикул

Название

Примечание

Количество

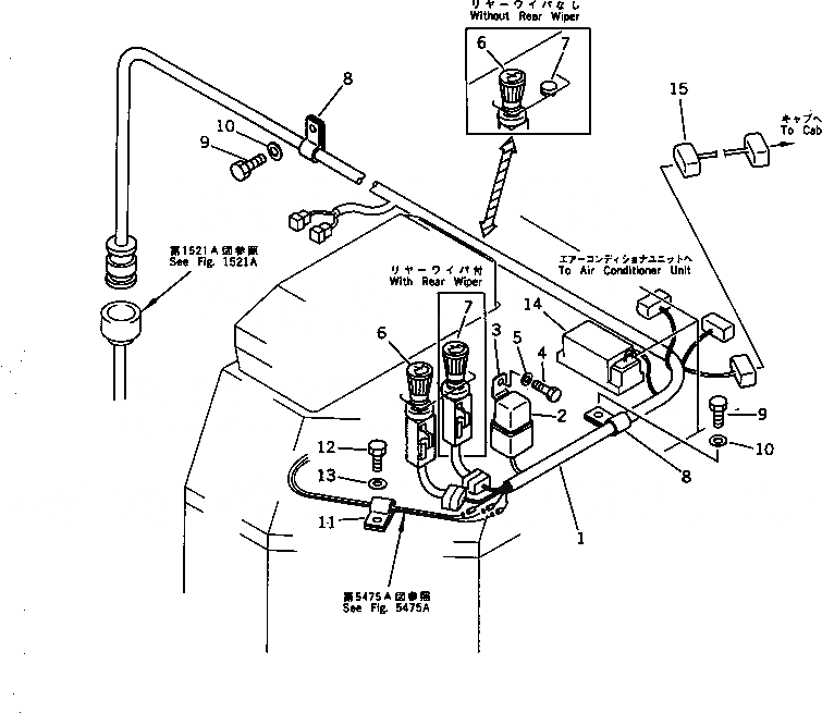
1

419-06-12931

WIRE ASS'Y

SN: 20724-UP

1шт.

1

0

WIRE ASS'Y

SN: 20001-20723

1шт.

2

421-06-11940

RELAY,AIR CONDITIONER

SN: 10001-UP

1шт.

3

287-06-16420

BRACKET

SN: 10001-UP

1шт.

4

01010-80610

BOLT

SN: 20001-UP

1шт.

5

01643-30623

WASHER

SN: 20001-UP

1шт.

6

421-T49-1100

SWITCH,WIPER, FRONT

SN: 20001-UP

1шт.

6

08027-00200

TERMINAL

SN: 20001-UP

5шт.

6

08027-02000

CONNECTOR

SN: 20001-UP

1шт.

7

421-06-16150

SWITCH,WIPER, REAR (WITH REAR WIPER)

SN: 10001-20151

1шт.

7

421-09-11550

TERMINAL

SN: 10001-20151

4шт.

7

421-09-11540

CONNECTOR

SN: 10001-20151

1шт.

7

09415-00506

CAP,(WITHOUT REAR WIPER)

SN: 10001-UP

1шт.

8

08036-01414

CLIP

SN: 10001-UP

2шт.

9

01010-81020

BOLT

SN: 10001-UP

2шт.

10

01643-31032

WASHER

SN: 10001-UP

2шт.

11

08036-10814

CLIP

SN: 10001-UP

1шт.

12

01010-81020

BOLT

SN: 10001-UP

1шт.

13

01643-31032

WASHER

SN: 10001-UP

1шт.

14

569-06-61140

RELAY,WIPER

SN: 20001-UP

1шт.

15

426-06-12391

WIRE ASS'Y

SN: 20001-UP

1шт.

Выбрано товаров: 21