Запчасти Komatsu WA500-1 КОНСОЛЬН. БЛОК¤ ЛЕВ. (С КАБИНОЙ) (СПЕЦ-Я TBG)(№-9999) КОМПОНЕНТЫ ДВИГАТЕЛЯ И ЭЛЕКТРИКА

Схема запчастей Komatsu WA500-1 - КОНСОЛЬН. БЛОК¤ ЛЕВ. (С КАБИНОЙ) (СПЕЦ-Я TBG)(№-9999) КОМПОНЕНТЫ ДВИГАТЕЛЯ И ЭЛЕКТРИКА
FIT
1:1
100%

Артикул

Название

Примечание

Количество

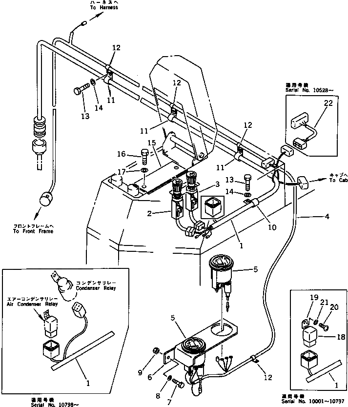
1

425-963-1511

WIRE ASS'Y

SN: 10798-@

1шт.

1

419-06-12351

WIRE ASS'Y

SN: 10001-10797

1шт.

2

421-06-16141

SWITCH,WIPER, FRONT

SN: 10001-@

1шт.

3

421-06-16150

SWITCH,WIPER, REAR

SN: 10001-@

1шт.

4

425-06-12810

WIRE ASS'Y

SN: 10001-@

1шт.

5

423-06-11510

GAUGE,AIR

SN: 10001-@

2шт.

6

423-06-11520

BRACKET

SN: 10001-@

1шт.

7

01010-50616

BOLT

SN: 10001-@

2шт.

8

01643-30623

WASHER

SN: 10001-@

2шт.

9

01580-10605

NUT

SN: 10001-@

2шт.

10

08036-01414

CLIP

SN: 10001-@

1шт.

11

08036-10814

CLIP

SN: 10001-19999

3шт.

12

424-06-12710

CLIP

SN: 10001-19999

4шт.

13

01010-51020

BOLT

SN: 10001-19999

4шт.

14

01643-31032

WASHER

SN: 10001-19999

4шт.

15

423-06-11530

PLATE

SN: 10001-@

1шт.

16

01010-51016

BOLT

SN: 10001-@

2шт.

17

01643-31032

WASHER

SN: 10001-@

2шт.

18

421-06-11940

RELAY,(WITH AIR CONDITIONER)

SN: 10001-10797

1шт.

19

287-06-16420

BRACKET,(WITH AIR CONDITIONER)

SN: 10001-10797

1шт.

20

01220-40610

SCREW,(WITH AIR CONDITIONER)

SN: 10001-10797

1шт.

21

01641-20608

WASHER,(WITH AIR CONDITIONER)

SN: 10001-10797

1шт.

22

418-T42-1512

WIRE ASS'Y

SN: 10528-@

1шт.

Выбрано товаров: 23