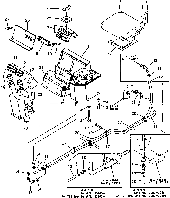
Запчасти Komatsu WA500-1 ОБОГРЕВАТЕЛЬ. (DAIKIN)(№-.) РАМА И ЧАСТИ КОРПУСА

Схема запчастей Komatsu WA500-1 - ОБОГРЕВАТЕЛЬ. (DAIKIN)(№-.) РАМА И ЧАСТИ КОРПУСА
FIT
1:1
100%

Артикул

Название

Примечание

Количество

1

425-07-13200

HEATER ASS'Y

SN: 10001-.

1шт.

2

01010-51625

BOLT

SN: 10001-.

2шт.

3

01010-51225

BOLT

SN: 10001-.

3шт.

4

01643-31232

WASHER

SN: 10001-.

5шт.

5

421-07-12312

FILTER

SN: 10001-.

2шт.

6

425-07-11130

PLATE

SN: 10001-.

1шт.

7

01540-20840

NUT,WING

SN: 10001-.

1шт.

8

421-07-12320

FILTER

SN: 10001-.

1шт.

9

01220-40812

SCREW

SN: 10001-.

2шт.

10

01643-30823

WASHER

SN: 10001-.

2шт.

11

09483-10520

HOSE

SN: 10001-.

1шт.

12

09483-10538

HOSE

SN: 10365-.

1шт.

12

09483-10539

HOSE

SN: 10001-10364

1шт.

12

09483-10538

HOSE,(FOR TBG SPEC.)

SN: 10392-19999

1шт.

12

09483-10539

HOSE,(FOR TBG SPEC.)

SN: 10001-10391

1шт.

13

424-07-11370

TUBE

SN: 10087-.

1шт.

13

425-07-12150

ELBOW

SN: 10001-10086

1шт.

14

421-07-11890

ELBOW

SN: 10001-.

1шт.

15

425-07-12140

ELBOW

SN: 10001-.

2шт.

16

07281-00259

CLAMP

SN: 10001-.

6шт.

17

421-07-11550

CLIP

SN: 10001-.

3шт.

18

01010-51220

BOLT

SN: 10001-.

2шт.

19

01643-31232

WASHER

SN: 10001-.

2шт.

20

08034-00536

BAND

SN: 10001-.

2шт.

21

421-07-12512

GRILLE ASS'Y

SN: 10001-.

6шт.

22

421-07-12831

HOSE

SN: 10001-.

2шт.

23

421-07-12810

CONNECTOR

SN: 10001-.

4шт.

24

423-07-11110

INSULATOR

SN: 10001-.

1шт.

25

421-54-12540

COVER

SN: 10001-.

1шт.

26

425-54-12960

SCREW

SN: 10001-.

6шт.

Выбрано товаров: 30