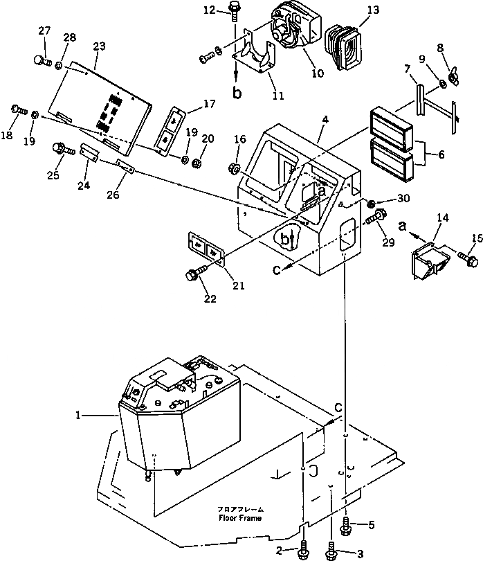
Запчасти Komatsu WA500-1 ОБОГРЕВАТЕЛЬ. (/) (DENSO)(№-) РАМА И ЧАСТИ КОРПУСА

Схема запчастей Komatsu WA500-1 - ОБОГРЕВАТЕЛЬ. (/) (DENSO)(№-) РАМА И ЧАСТИ КОРПУСА
FIT
1:1
100%

Артикул

Название

Примечание

Количество

1

418-T42-1111

HEATER ASS'Y

SN: 20001-UP

1шт.

2

01435-01220

BOLT

SN: 20001-UP

3шт.

3

01435-00816

BOLT

SN: 20001-UP

2шт.

4

428-963-1253

BOX

SN: 20489-UP

1шт.

4

0

BOX

SN: 20001-20488

1шт.

|$$6

(428-963-1253

-1шт.

4

423-963-1310

INSULATOR

SN: 20001-UP

2шт.

5

01435-01220

BOLT

SN: 20001-UP

2шт.

6

421-07-12312

FILTER

SN: 10001-UP

2шт.

7

426-07-11310

HOLDER

SN: 20001-UP

1шт.

8

01540-20840

NUT,WING

SN: 20001-UP

2шт.

9

01643-30823

WASHER

SN: 20001-UP

2шт.

10

425-963-1160

BLOWER ASS'Y

SN: 10001-UP

1шт.

11

425-963-1210

BRACKET

SN: 10001-UP

1шт.

12

01435-00816

BOLT

SN: 20001-UP

4шт.

13

425-963-1180

DUCT

SN: 10001-UP

1шт.

14

425-963-1170

DAMPER ASS'Y

SN: 10001-UP

1шт.

15

01435-00816

BOLT

SN: 20001-UP

2шт.

16

01584-00806

NUT

SN: 20001-UP

2шт.

17

423-T43-1431

FILTER

SN: 20489-UP

1шт.

17

0

FILTER

SN: 10001-20488

1шт.

18

01220-40820

SCREW

SN: 10001-UP

2шт.

19

01643-30823

WASHER

SN: 20001-UP

4шт.

20

01584-00806

NUT

SN: 20001-UP

2шт.

21

423-T43-1431

FILTER

SN: 20489-UP

1шт.

21

0

FILTER

SN: 20001-20488

1шт.

22

01435-00816

BOLT

SN: 20001-UP

2шт.

23

421-T43-1390

COVER

SN: 20001-UP

1шт.

24

421-T43-1340

PLATE

SN: 20001-UP

2шт.

25

01435-00616

BOLT

SN: 20001-UP

4шт.

26

421-T43-1330

PLATE

SN: 20001-UP

2шт.

27

425-54-12960

SCREW

SN: 20001-UP

2шт.

28

01643-30623

WASHER

SN: 20001-UP

2шт.

29

01435-01220

BOLT

SN: 20001-UP

4шт.

30

198-911-5420

GROMMET

SN: 20489-UP

1шт.

30

08037-02512

GROMMET

SN: 20001-20487

1шт.

Выбрано товаров: 0