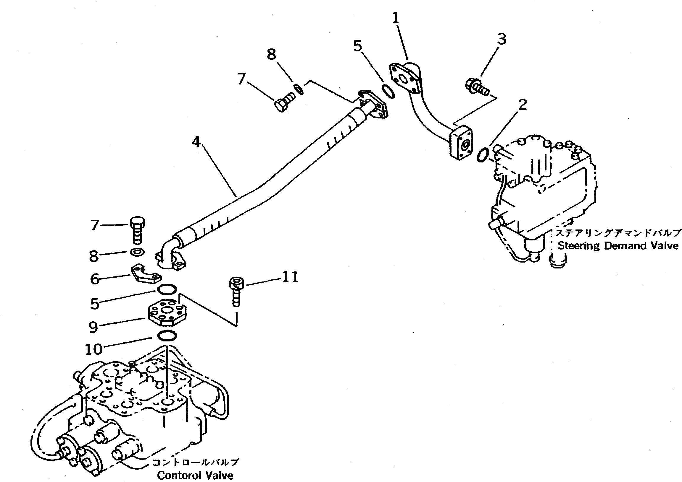
Запчасти Komatsu WA500-1 ГИДРОЛИНИЯ (ЗАПРАШИВАЮЩ. КЛАПАН - УПРАВЛЯЮЩ. КЛАПАН)(№-) УПРАВЛ-Е РАБОЧИМ ОБОРУДОВАНИЕМ

Схема запчастей Komatsu WA500-1 - ГИДРОЛИНИЯ (ЗАПРАШИВАЮЩ. КЛАПАН - УПРАВЛЯЮЩ. КЛАПАН)(№-) УПРАВЛ-Е РАБОЧИМ ОБОРУДОВАНИЕМ
FIT
1:1
100%

Артикул

Название

Примечание

Количество

1

425-62-14331

TUBE

SN: 20001-UP

1шт.

2

07000-13035

O-RING

SN: 20001-UP

1шт.

3

01435-01040

BOLT

SN: 20001-UP

4шт.

4

07124-01408

HOSE

SN: 20001-UP

1шт.

5

07000-13048

O-RING

SN: 20001-UP

2шт.

6

07371-31465

FLANGE,SPLIT

SN: 20001-UP

4шт.

7

07372-21240

BOLT

SN: 20001-UP

8шт.

8

01643-51232

WASHER

SN: 20001-UP

8шт.

9

421-62-13740

ADAPTER

SN: 20001-UP

1шт.

10

07000-13048

O-RING

SN: 20001-UP

1шт.

11

01252-41225

BOLT

SN: 20001-UP

4шт.

Выбрано товаров: 0