Запчасти Komatsu WA500-1 МАРКИРОВКА (С КАБИНОЙ) (АНГЛ.)(№-) МАРКИРОВКА¤ ИНСТРУМЕНТ И РЕМКОМПЛЕКТЫ

Схема запчастей Komatsu WA500-1 - МАРКИРОВКА (С КАБИНОЙ) (АНГЛ.)(№-) МАРКИРОВКА¤ ИНСТРУМЕНТ И РЕМКОМПЛЕКТЫ
FIT
1:1
100%

Артикул

Название

Примечание

Количество

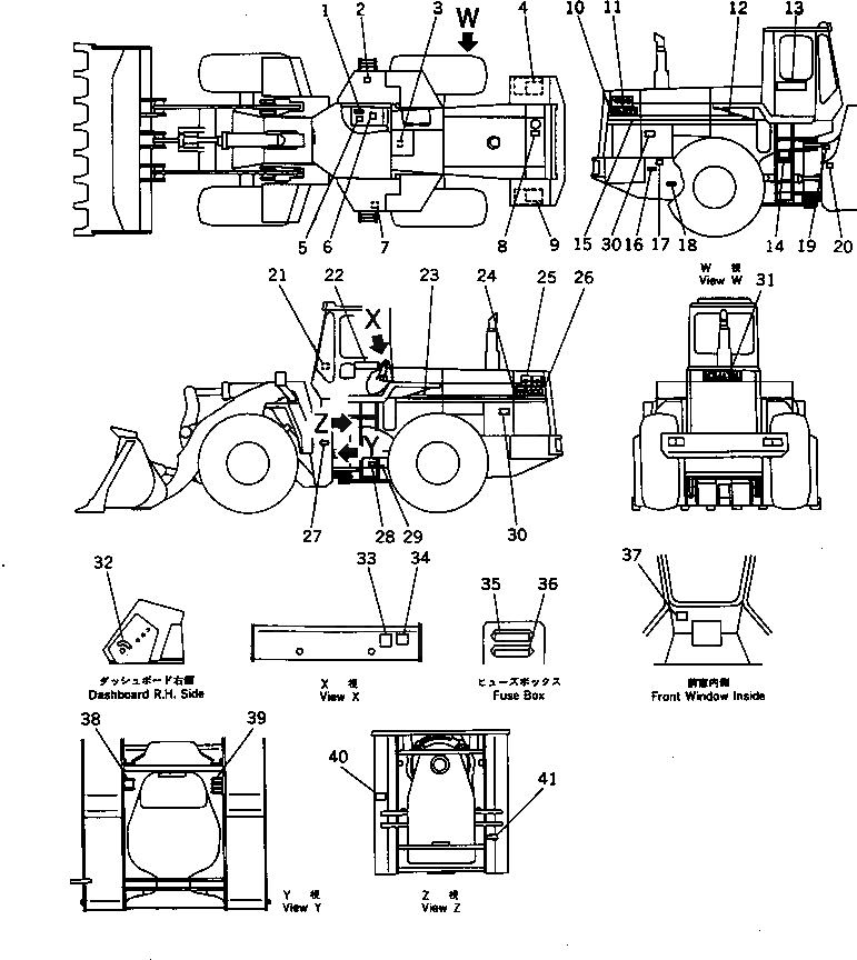
1

09685-00003

PLATE, OPERATING,LOADER CONTROL LOCK

SN: 10001-UP

1шт.

2

09653-03000

PLATE, SAFETY,HYDRAULIC TANK

SN: 10001-UP

1шт.

3

09637-30161

PLATE, INSTRUCTION,AIR CLEANER

SN: 10154-UP

1шт.

4

421-93-11630

PLATE, CAUTION,BATTERY

SN: 10001-UP

1шт.

5

421-93-11132

PLATE, OPERATING,LOADER CONTROL LEVER

SN: 10001-UP

1шт.

6

421-93-12240

PLATE, OPERATING,RELAY

SN: 20001-UP

1шт.

7

421-93-11690

PLATE, CAUTION,BRAKE OIL

SN: 10001-UP

1шт.

8

09668-03000

PLATE, SAFETY,RADIATOR CAP

SN: 10001-UP

1шт.

9

421-93-11630

PLATE, CAUTION,BATTERY

SN: 10001-UP

1шт.

10

425-93-11490

PLATE, MARK

SN: 20378-UP

1шт.

10

425-93-11370

PLATE, MARK,WA500

SN: 10001-20377

1шт.

11

425-93-11360

PLATE, MARK,SYMBOL

SN: 10001-20377

1шт.

12

425-93-11380

STRIPE

SN: 10001-UP

1шт.

13

09690-C0224

PLATE, MARK

SN: 20378-UP

1шт.

13

09690-50280

PLATE, MARK,KOMATSU

SN: 10001-UP

1шт.

14

425-93-11530

CHART, OIL

SN: 20001-UP

1шт.

15

425-93-11450

STRIPE

SN: 20001-UP

1шт.

16

09101-03000

PLATE, CAUTION,FUEL

SN: 10001-UP

1шт.

17

425-93-11440

PLATE, CAUTION,REMOTE GREASE, REAR

SN: 20001-UP

1шт.

18

421-93-11380

PLATE, CAUTION,ENGINE OIL DRAIN

SN: 20001-UP

1шт.

19

09601-00835

PLATE, NAME,(LIMITED SUPPLY)

SN: 20001-UP

1шт.

19

04418-13060

SCREW

SN: 10001-UP

4шт.

20

09162-03000

PLATE, CAUTION,KEEP OUT

SN: 10001-UP

1шт.

21

425-93-11260

PLATE, OPERATING,MONITOR PANEL

SN: 10001-UP

1шт.

22

09690-C0224

PLATE, MARK

SN: 20378-UP

1шт.

22

09690-50280

PLATE, MARK,KOMATSU

SN: 10001-20377

1шт.

23

425-93-11380

STRIPE

SN: 10001-UP

1шт.

24

425-93-11450

STRIPE

SN: 20001-UP

1шт.

25

425-93-11360

PLATE, MARK,SYMBOL

SN: 10001-UP

1шт.

26

425-93-11490

PLATE, MARK

SN: 20378-UP

1шт.

26

425-93-11370

PLATE, MARK,WA500

SN: 10001-20377

1шт.

27

09162-03000

PLATE, CAUTION,KEEP OUT

SN: 10001-UP

1шт.

28

09152-03000

PLATE, SAFETY,AIR RESERVOIR DRAIN

SN: 10001-UP

1шт.

29

362-98-12160

PLATE, CAUTION,FRAME LOCK

SN: 10001-UP

1шт.

30

362-54-27390

PLATE, CAUTION,FAN

SN: 20001-UP

2шт.

31

09690-C0560

PLATE, MARK

SN: 20378-UP

1шт.

31

425-93-11410

PLATE, NAME,KOMATSU

SN: 10001-20377

1шт.

32

09683-30070

PLATE, OPERATING,MAIN SWITCH

SN: 10001-UP

1шт.

33

421-93-11940

PLATE, SAFETY,STARTING AND AFTER OPERATING

SN: 10001-UP

1шт.

34

362-98-12150

PLATE, CAUTION,STARTING AND INSPECTION

SN: 10001-UP

1шт.

35

424-93-11431

PLATE, OPERATING,BREAKER

SN: 20001-UP

1шт.

36

424-93-11421

PLATE, OPERATING,BREAKER

SN: 20001-UP

1шт.

37

419-93-11980

PLATE, CAUTION,TORQUE CONVERTOR OIL TEMP.

SN: 10244-UP

1шт.

38

425-93-11580

PLATE, OPERATING,REMOTE GREASE, FRONT

SN: 20001-UP

1шт.

39

425-93-11550

PLATE, OPERATING,REMOTE GREASE, FRONT

SN: 20001-UP

1шт.

40

427-93-11310

PLATE, CAUTION,TRANSMISSION OIL LEVEL

SN: 20001-UP

1шт.

41

09152-03000

PLATE, SAFETY,AIR RESERVOIR DRAIN

SN: 20001-UP

1шт.

Выбрано товаров: 47