Запчасти Komatsu WA500-1 РУЛЕВ. УПРАВЛЕНИЕ МАСЛОПРОВОДЯЩАЯ ЛИНИЯ (ЛИНИЯ ЦИЛИНДРА РУЛЕВ. УПР-Я)(№-) РУЛЕВ. УПРАВЛЕНИЕ И СИСТЕМА УПРАВЛЕНИЯ

Схема запчастей Komatsu WA500-1 - РУЛЕВ. УПРАВЛЕНИЕ МАСЛОПРОВОДЯЩАЯ ЛИНИЯ (ЛИНИЯ ЦИЛИНДРА РУЛЕВ. УПР-Я)(№-) РУЛЕВ. УПРАВЛЕНИЕ И СИСТЕМА УПРАВЛЕНИЯ
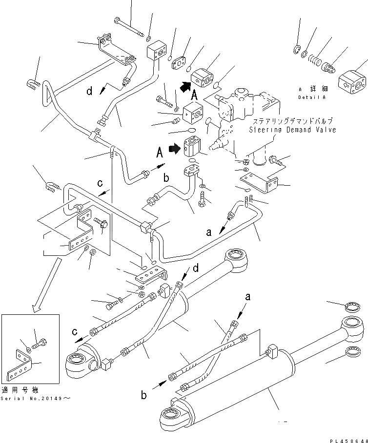
1
2
3
4
5
6
6
6
7
8
9
10
11
11
12
13
13
14
15
16
17
18
19
20
21
22
23
23
23
23
24
25
26
27
27
28
28
29
30
31
31
32
33
34
35
36
37
37
38
38
38A
39
39
40
41
42
42
43
43
FIT
1:1
100%

Артикул

Название

Примечание

Количество

1

425-62-11750

ELBOW

SN: 20001-UP

1шт.

2

07042-20108

PLUG

SN: 20001-UP

2шт.

3

07000-13035

O-RING

SN: 20001-UP

1шт.

4

01011-81005

BOLT

SN: 20001-UP

4шт.

5

01643-51032

WASHER

SN: 20001-UP

4шт.

|6

425-62-11400

VALVE ASS'Y

SN: 20001-UP

2шт.

6

207-60-11840

BODY

SN: 20001-UP

1шт.

7

425-62-11480

VALVE

SN: 20001-UP

1шт.

8

205-60-51310

SPRING

SN: 20001-UP

1шт.

9

205-60-51320

SEAT

SN: 20001-UP

1шт.

10

04065-02812

RING,SNAP

SN: 20001-UP

1шт.

11

07000-13032

O-RING

SN: 10001-UP

2шт.

12

425-62-11490

ADAPTER

SN: 20001-UP

1шт.

13

07000-13035

O-RING

SN: 10001-UP

2шт.

14

425-62-11633

TUBE

SN: 20050-UP

1шт.

|14

0

TUBE

SN: 20001-20049

1шт.

15

01011-81000

BOLT

SN: 20050-UP

4шт.

|15

01011-51005

BOLT

SN: 20001-20049

4шт.

16

01643-31032

WASHER

SN: 20001-UP

4шт.

17

425-62-11662

TUBE

SN: 20001-UP

1шт.

18

07000-13032

O-RING

SN: 20001-UP

1шт.

19

01011-81070

BOLT

SN: 20001-UP

4шт.

20

01643-31032

WASHER

SN: 20001-UP

4шт.

21

425-62-11642

TUBE

SN: 20001-UP

1шт.

22

425-62-11672

TUBE

SN: 20001-UP

1шт.

23

07086-00504

HOSE

SN: 21101-UP

4шт.

|23

0

HOSE

SN: 20001-21100

4шт.

24

425-62-11711

BRACKET

SN: 20001-UP

1шт.

25

01010-81035

BOLT

SN: 20001-UP

2шт.

26

01643-31032

WASHER

SN: 20001-UP

2шт.

27

07283-52232

SEAT

SN: 20001-UP

2шт.

28

07283-32244

CLIP

SN: 20001-UP

2шт.

29

01597-01009

NUT

SN: 20001-UP

4шт.

30

01643-31032

WASHER

SN: 20001-UP

4шт.

31

425-62-11731

PLATE

SN: 20001-UP

2шт.

32

01435-01020

BOLT

SN: 20001-UP

4шт.

33

07283-32244

CLIP

SN: 20001-UP

2шт.

34

07283-52232

SEAT

SN: 20001-UP

2шт.

35

01597-01009

NUT

SN: 20001-UP

4шт.

36

01643-31032

WASHER

SN: 20001-UP

4шт.

37

425-62-11692

BRACKET

SN: 20149-UP

1шт.

|37

425-62-11691

BRACKET

SN: 20001-20148

1шт.

38

01010-81030

BOLT

SN: 20149-UP

2шт.

|38

01435-01020

BOLT

SN: 20001-20148

2шт.

38A

01643-31032

WASHER

SN: 20149-UP

2шт.

39

07283-32244

CLIP

SN: 20001-UP

2шт.

40

01597-01009

NUT

SN: 20001-UP

4шт.

41

01643-31032

WASHER

SN: 20001-UP

4шт.

42

707-00-01950

CYLINDER ASS'Y,L.H.

SN: 20001-UP

1шт.

|42

707-00-01850

CYLINDER ASS'Y,R.H.

SN: 20001-UP

1шт.

43

416-09-11120

SEAL,DUST

SN: 20742-UP

8шт.

|43

0

SEAL,DUST

SN: 20001-20741

8шт.

Выбрано товаров: 52