Запчасти Komatsu WA500-1 LICENSE ОСВЕЩЕНИЕ И КОРПУС КОМПОНЕНТЫ ДВИГАТЕЛЯ И ЭЛЕКТРИКА

Схема запчастей Komatsu WA500-1 - LICENSE ОСВЕЩЕНИЕ И КОРПУС КОМПОНЕНТЫ ДВИГАТЕЛЯ И ЭЛЕКТРИКА
FIT
1:1
100%

Артикул

Название

Примечание

Количество

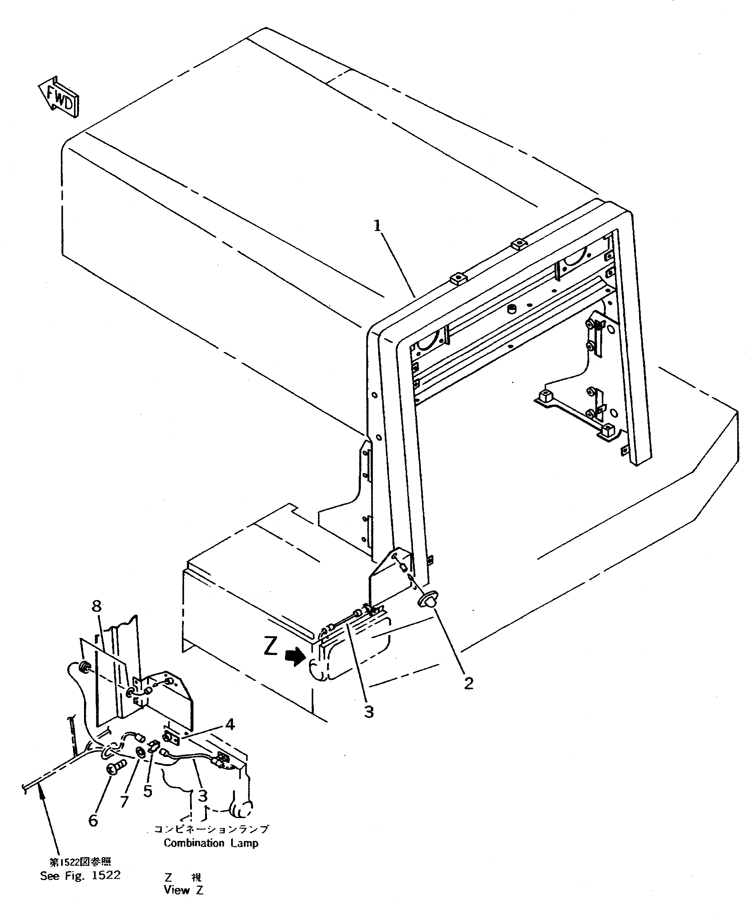
1

425-V47-1111

GUARD,(MODIFIED PARTS)

SN: 10735-UP

1шт.

|1

425-V47-1110

GUARD,(MODIFIED PARTS)

SN: 10001-10734

1шт.

|1

421-06-17114

BRACKET,(WELDED)

SN: 10001-UP

1шт.

2

08137-32400

LAMP ASS'Y,LICENSE

SN: 10001-UP

1шт.

|2

08110-12410

BULB¤ 12W

SN: 10001-UP

1шт.

3

425-V47-1120

WIRE ASS'Y

SN: 10001-UP

1шт.

4

421-06-12670

BRACKET

SN: 10001-UP

1шт.

5

238-06-17130

CLIP

SN: 10001-UP

1шт.

6

01220-40608

SCREW

SN: 10001-UP

1шт.

7

01641-20608

WASHER

SN: 10001-UP

1шт.

8

08037-01610

GROMMET

SN: 10001-UP

2шт.

Выбрано товаров: 11