Запчасти Komatsu WA500-1L GROUND ПРИВОДN ГИДРАВЛИКА РУЛ. УПРАВЛЕНИЯ (/) РУЛЕВ. УПРАВЛЕНИЕ СИСТЕМА УПРАВЛЕНИЯ

Схема запчастей Komatsu WA500-1L - GROUND ПРИВОДN ГИДРАВЛИКА РУЛ. УПРАВЛЕНИЯ (/) РУЛЕВ. УПРАВЛЕНИЕ СИСТЕМА УПРАВЛЕНИЯ
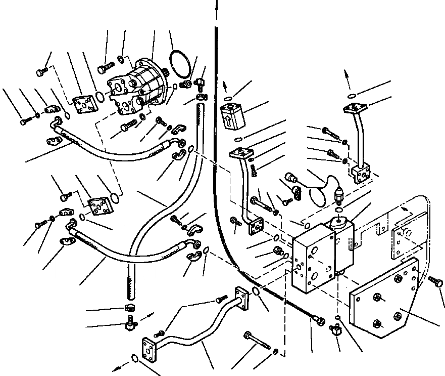
42
43
51
50
49
33
53
52
61
16
47
17
1
2
14
3
4
3
15
45
44
4
42
12
5
13
60
11
39
38
40
9
6
46
58
47
7
18
8
56
37
36
10
47
26
27
37
28
36
29
35
47
35
59
57
34
54
19
30
20
33
22
21
23
55
24
25
31
32
38
39
41
44
45
46
48
34
FIT
1:1
100%

Артикул

Название

Примечание

Количество

1

CHECK VALVE (SEE PG 04-038)

-29шт.

2

07000-13035

O-RING

1шт.

3

425-875-1411

TUBE

1шт.

4

01643-51032

WASHER

4шт.

5

01011-51005

BOLT

4шт.

6

01011-51010

BOLT

2шт.

7

01643-31032

WASHER

2шт.

8

01435-01016

BOLT

1шт.

9

08052-11711

CLAMP

1шт.

10

07000-13035

O-RING

1шт.

11

421-06-11982

SENSOR, DIVIDER VALVE (GROUND DRIVEN STEERING)

1шт.

12

01435-01050

BOLT

2шт.

13

01643-51032

WASHER

2шт.

14

01435-01055

BOLT

2шт.

15

01643-51032

WASHER

2шт.

16

07000-13035

O-RING

1шт.

17

425-875-1343

TUBE

1шт.

18

07002-02034

O-RING

1шт.

19

01435-01240

BOLT

5шт.

20

425-875-1660

PLATE, SUPPORT

1шт.

21

07002-11423

O-RING

1шт.

22

07235-10210

ELBOW

1шт.

23

HOSE (SEE PG 04-046)

-29шт.

24

01643-31032

WASHER

4шт.

25

01010-51095

BOLT

2шт.

26

01435-01035

BOLT

4шт.

27

07000-13035

O-RING

1шт.

28

07040-12012

PLUG

1шт.

29

07002-12034

O-RING

1шт.

30

07000-03042

O-RING

1шт.

31

425-875-1630

TUBE

1шт.

32

07000-13048

O-RING

1шт.

33

427-62-14750

ELBOW

2шт.

34

07281-00197

CLAMP

2шт.

35

07371-31255

FLANGE, SPLIT

2шт.

36

01643-51032

WASHER

8шт.

37

07372-21035

BOLT

8шт.

38

01252-41255

BOLT

8шт.

39

421-62-13760

PLATE, ADAPTER

2шт.

40

07000-13048

O-RING

1шт.

41

07000-13048

O-RING

1шт.

42

01010-51645

BOLT

2шт.

43

01643-31645

WASHER

2шт.

44

07372-21035

BOLT

8шт.

45

01643-51032

WASHER

8шт.

46

07371-31255

FLANGE, SPLIT

2шт.

47

07000-13038

O-RING

4шт.

48

07002-02034

O-RING

1шт.

49

205-970-2860

PLUG

1шт.

50

07000-12130

O-RING

1шт.

51

PUMP, GROUND DRIVEN STEERING (SEE PG 04-036)

-29шт.

52

SEE ITEM # 66, GROUND DRIVEN STEERING PIPING (3/3)

-1шт.

53

SEE ITEM # 67, GROUND DRIVEN STEERING PIPING (3/3)

-1шт.

54

SEE ITEM # 29, GROUND DRIVEN STEERING PIPING (1/3)

-1шт.

55

SEE ITEM # 30, GROUND DRIVEN STEERING PIPING (1/3)

-1шт.

56

DIVIDER VALVE - FOR GDS (SEE PG 04-036)

-29шт.

57

07372-21035

BOLT

4шт.

58

07260-00940

HOSE

1шт.

59

425-875-1770

HOSE

1шт.

60

425-875-1691

HOSE

1шт.

61

07000-13035

O-RING

1шт.

Выбрано товаров: 61