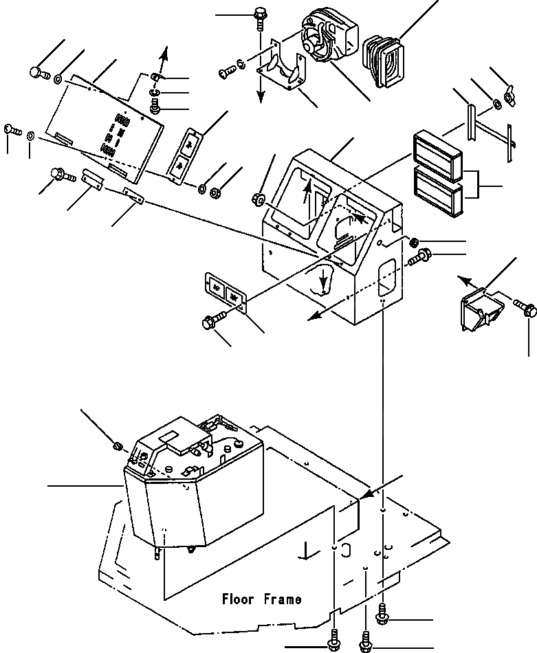
Запчасти Komatsu WA500-1L КОНДИЦ. ВОЗДУХА ИЛИ ОБОГРЕВАТЕЛЬ. И АНТИОБЛЕДЕНИТЕЛЬ ЭЛЕМЕНТЫ КРЕПЛЕНИЯ РАМА

Схема запчастей Komatsu WA500-1L - КОНДИЦ. ВОЗДУХА ИЛИ ОБОГРЕВАТЕЛЬ. И АНТИОБЛЕДЕНИТЕЛЬ ЭЛЕМЕНТЫ КРЕПЛЕНИЯ РАМА
20
19
10
11
6
15
16
30
14
32
24
17
31
18
5
23
26
25
27
26
13
8
7
9
34
21
33
28
29
22
1
12
2
3
4
C
B
C
B
D
D
A
A
FIT
1:1
100%

Артикул

Название

Примечание

Количество

1

AIR CONDITIONER ASSEMBLY (SEE PG 05-116)

-29шт.

|$1

HEATER ASSEMBLY (SEE PG 05-126)

-29шт.

2

01435-01220

BOLT

3шт.

3

01435-00816

BOLT

2шт.

4

07049-01215

PLUG

2шт.

|$5

428-963-1201

BOX ASSEMBLY

1шт.

5

428-963-1253

BOX

1шт.

|$7

423-963-1310

INSULATOR

2шт.

6

421-T43-1390

COVER

1шт.

7

421-T43-1340

PLATE

2шт.

8

01435-00616

BOLT

4шт.

9

421-T43-1330

PLATE

2шт.

10

425-54-12960

SCREW

2шт.

11

01643-30623

WASHER

2шт.

12

01435-01220

BOLT

2шт.

13

421-07-12312

FILTER

2шт.

14

426-07-11310

HOLDER

1шт.

15

01540-20840

NUT

2шт.

16

01643-30823

WASHER

2шт.

17

BLOWER ASSEMBLY (SEE PG 05-130)

-29шт.

18

425-963-1210

BRACKET, BLOWER MOUNTING

1шт.

19

01435-00816

BOLT, BRACKET

4шт.

20

DUCT (SEE PG 05-130)

-29шт.

21

425-963-1170

DAMPER ASSEMBLY

1шт.

22

01435-00816

BOLT, DAMPER MOUNTING

2шт.

23

01584-00806

NUT

2шт.

24

423-T43-1431

FILTER

1шт.

25

01220-40820

SCREW

2шт.

26

01643-30823

WASHER

4шт.

27

01584-00806

NUT

2шт.

28

423-T43-1431

FILTER

1шт.

29

01435-00816

BOLT

2шт.

30

421-T43-1350

PLATE

2шт.

31

01220-40308

SCREW

4шт.

32

01601-20307

WASHER

4шт.

33

01435-01220

BOLT

2шт.

|$36

01435-01220

BOLT

4шт.

34

08037-02512

GROMMET

1шт.

|$44

-1шт.

|$39

F1 - USED ON MACHINES EQUIPPED WITH AIR CONDITIONER.

-1шт.

|$45

-1шт.

|$46

-1шт.

|$42

F2 - USED ON MACHINES EQUIPPED WITH HEATER AND

-1шт.

|$43

DEFROSTER ONLY.

-1шт.

Выбрано товаров: 44