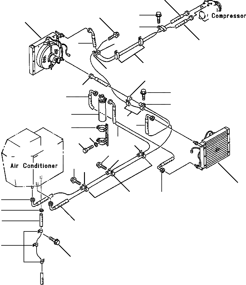
Запчасти Komatsu WA500-1L ТРУБКИ КОНДИЦИОНЕРА A.C. - КОНДЕНСАТОР И КОМПРЕССОР РАМА

Схема запчастей Komatsu WA500-1L - ТРУБКИ КОНДИЦИОНЕРА A.C. - КОНДЕНСАТОР И КОМПРЕССОР РАМА
2
7
9
25
6
8
1
1
6
8
11
12
3
10
21
11
22
5
23
15
16
25
13
3
5
18
17
2
19
20
4
4
14
14
14
24
FIT
1:1
100%

Артикул

Название

Примечание

Количество

1

425-T46-1310

HOSE, CONDENSER TO COMPRESSOR

1шт.

2

425-T46-1320

HOSE, COMPRESSOR TO AIR CONDITIONER

1шт.

3

425-S51-1120

HOSE, CONDENSER TO RECEIVER TANK

1шт.

4

425-S51-1110

HOSE, CONDENSER TO CONDENSER

1шт.

5

425-T46-1350

HOSE, RECEIVER TANK TO AIR CONDITIONER

1шт.

6

04435-52210

CLIP

4шт.

7

01435-01014

BOLT

4шт.

8

04434-52210

CLIP

1шт.

9

01435-01020

BOLT

1шт.

10

04435-52110

CLIP

1шт.

11

04434-52210

CLIP

3шт.

12

01435-01016

BOLT

1шт.

13

04434-52210

CLIP

3шт.

14

04434-51910

CLIP

3шт.

15

01435-01014

BOLT

2шт.

16

01435-01020

BOLT

1шт.

17

07287-01416

HOSE, DRAIN

1шт.

18

07281-00259

CLAMP

1шт.

19

04434-51910

CLIP

3шт.

20

01435-01016

BOLT

3шт.

21

423-T43-1410

TANK, RECEIVER

1шт.

|$21

145-Z79-4860

BOLT

1шт.

22

423-T43-1420

BRACKET, RECEIVER TANK

1шт.

23

01010-50820

BOLT

2шт.

24

01643-30823

WASHER

2шт.

25

CONDENSER ASSEMBLY (SEE PG 05-122)

-29шт.

Выбрано товаров: 26