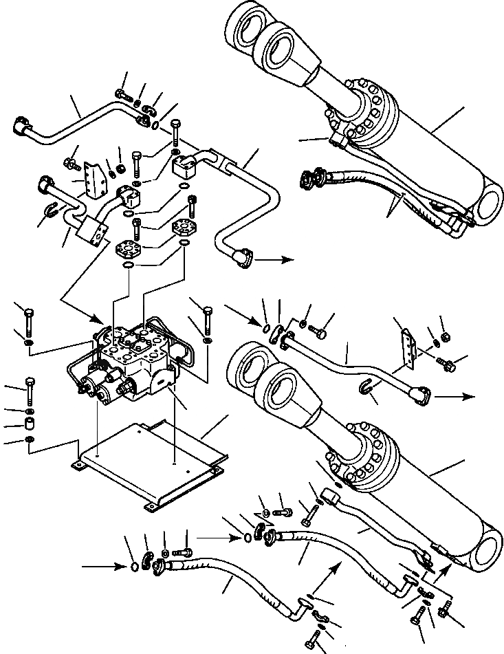
Запчасти Komatsu WA500-1L ГИДРОЛИНИЯ УПРАВЛЯЮЩ. КЛАПАН - ГИДРОЦИЛИНДР ПОДЪЕМАS УПРАВЛ-Е РАБОЧИМ ОБОРУДОВАНИЕМ

Схема запчастей Komatsu WA500-1L - ГИДРОЛИНИЯ УПРАВЛЯЮЩ. КЛАПАН - ГИДРОЦИЛИНДР ПОДЪЕМАS УПРАВЛ-Е РАБОЧИМ ОБОРУДОВАНИЕМ
18
19
17
15
16
37
32
26
34
11
35
12
31
13
9
20
33
8
10
6
7
16
17
39
19
38
18
34
30
40
35
40
14
32
4
5
33
1
2
3
5
27
37
29
23
24
28
22
21
23
24
22
21
25
21
20
20
21
22
22
36
24
24
23
23
A
C
B
B
A
D
D
C
FIT
1:1
100%

Артикул

Название

Примечание

Количество

1

VALVE, 2-SPOOL CONTROL (SEE PG 06-008)

-29шт.

|$1

VALVE, 3-SPOOL CONTROL (SEE PG 06-018)

-29шт.

2

425-62-13110

BRACKET

1шт.

3

421-62-17521

SPACER

4шт.

4

01010-31680

BOLT

4шт.

5

01643-31645

WASHER

8шт.

6

421-62-13740

ADAPTER

2шт.

7

07000-13048

O-RING

2шт.

8

01252-41225

BOLT

8шт.

9

07000-13045

O-RING

2шт.

10

425-62-13271

TUBE

1шт.

11

425-62-13231

TUBE

1шт.

|$12

TUBE (SEE PG 06-058)

-29шт.

12

01010-51275

BOLT

8шт.

13

01643-51032

WASHER

8шт.

14

425-62-13260

TUBE

1шт.

|$16

TUBE (SEE PG 06-058)

-29шт.

15

425-62-13220

TUBE

1шт.

16

07000-13038

O-RING

2шт.

17

07371-31255

FLANGE

4шт.

18

07372-21035

BOLT

8шт.

19

01643-51032

WASHER

8шт.

20

07214-01212

HOSE

4шт.

21

07000-13038

O-RING

8шт.

22

07371-31255

FLANGE

16шт.

23

07372-21035

BOLT

32шт.

24

01643-51032

WASHER

32шт.

25

425-62-13290

TUBE

1шт.

26

425-62-13280

TUBE

1шт.

27

07000-13035

O-RING

2шт.

28

01010-51060

BOLT

8шт.

29

01643-51032

WASHER

8шт.

30

425-62-13250

PLATE

1шт.

31

425-62-13240

PLATE

1шт.

32

01435-01230

BOLT

4шт.

33

07283-33450

CLIP

4шт.

34

426-09-11160

NUT

8шт.

35

01643-31032

WASHER

8шт.

36

01435-01220

BOLT

4шт.

37

CYLINDER ASSEMBLY, LIFT (SEE PG 06-034)

-29шт.

38

01010-31680

BOLT

2шт.

39

01011-31605

BOLT

1шт.

40

01643-31645

WASHER

3шт.

|$46

-1шт.

|$44

F1 - USED ON MACHINES EQUIPPED WITH ELECTRONICALLY

-1шт.

|$45

CONTROLLED SUSPENSION SYSTEM.

-1шт.

Выбрано товаров: 46