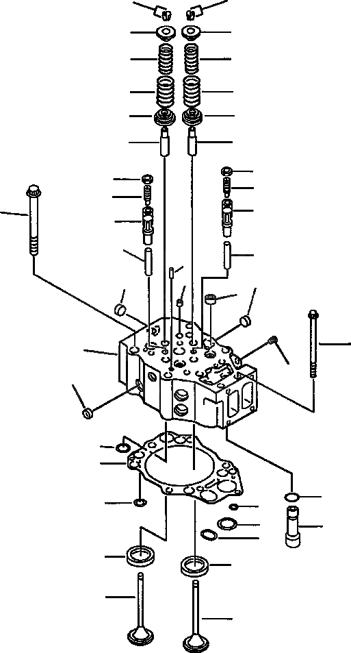
Запчасти Komatsu WA500-1L ГОЛОВКА ЦИЛИНДРОВ ГОЛОВКА ЦИЛИНДРОВ

Схема запчастей Komatsu WA500-1L - ГОЛОВКА ЦИЛИНДРОВ ГОЛОВКА ЦИЛИНДРОВ
18
18
17
17
14
14
15
15
16
16
2
2
21
21
20
20
19
19
3
3
4
5
6
6
6
29
1
11
6
22
10
27
25
23
9
24
8
7
13
12
28
26
FIT
1:1
100%

Артикул

Название

Примечание

Количество

|$0

6211-11-1011

CYLINDER HEAD ASSEMBLY W/VALVE

6шт.

|$1

6211-11-1100

CYLINDER HEAD ASSEMBLY W/O VALVE

1шт.

1

NSS

HEAD, CYLINDER

1шт.

2

6210-16-1340

GUID, VALVE

4шт.

3

6210-11-1140

GUIDE, CROSSHEAD

2шт.

4

04020-00820

PIN, DOWEL

2шт.

5

07046-41810

PLUG

1шт.

6

6162-13-1150

PLUG, EXPANSION

12шт.

7

6210-11-1330

INSERT, INTAKE VALVE (STD)

2шт.

|$9

6210-19-1330

INSERT, INTAKE VALVE - 0.25mm (OS)

2шт.

|$10

6210-18-1330

INSERT, INTAKE VALVE - 0.50mm (OS)

2шт.

|$11

6210-17-1330

INSERT, INTAKE VALVE - 0.75mm (OS)

2шт.

|$12

6210-16-1330

INSERT, INTAKE VALVE - 1.00mm (OS)

2шт.

8

6210-11-1321

INSERT, EXHAUST VALVE (STD)

2шт.

|$14

6210-19-1321

INSERT, EXHAUST VALVE - 0.25mm (OS)

2шт.

|$15

6210-18-1321

INSERT, EXHAUST VALVE - 0.50mm (OS)

2шт.

|$16

6210-17-1321

INSERT, EXHAUST VALVE - 0.75mm (OS)

2шт.

|$17

6210-16-1321

INSERT, EXHAUST VALVE - 1.00mm (OS)

2шт.

9

6210-11-1150

PIPE

1шт.

10

07000-63025

O-RING, CYLINDER HEAD

1шт.

11

07043-50108

PLUG

1шт.

12

6215-41-4110

VALVE, INTAKE

2шт.

13

6215-41-4211

VALVE, EXHAUST

2шт.

14

6210-41-4440

SPRING, INNER

4шт.

15

6210-41-4430

SPRING, OUTER

4шт.

16

6210-41-4530

SEAT, LOWER

4шт.

17

6210-41-4510

SEAT, UPPER

4шт.

18

6163-41-4520

COTTER

8шт.

19

6210-41-5620

CROSSHEAD

12шт.

20

6210-41-5640

SCREW

12шт.

21

6127-41-5630

NUT

12шт.

22

6210-17-1812

GASKET, CYLINDER HEAD

6шт.

23

6210-11-1820

GROMMET, OIL

1шт.

24

6210-11-1830

GROMMET, OIL

1шт.

25

6210-11-1840

GROMMET, OIL

1шт.

26

6210-11-1961

GROMMET, WATER

1шт.

27

6210-11-1951

GROMMET, WATER

1шт.

28

6210-11-1610

BOLT

36шт.

29

6150-81-9160

BOLT

6шт.

N/I

GASKET KIT, CYLINDER HEAD (SEE PG E9-002)

-29шт.

|$42

-1шт.

|$41

F1 - INCLUDED IN CYLINDER HEAD GASKET KIT 6211-K1-0103.

-1шт.

|$43

-1шт.

Выбрано товаров: 43