Запчасти Komatsu WA500-1L ВОДООТДЕЛИТЕЛЬ ТОПЛИВН. СИСТЕМА

Схема запчастей Komatsu WA500-1L - ВОДООТДЕЛИТЕЛЬ ТОПЛИВН. СИСТЕМА
14
12
2
3
13
1
13
17
10
9
17
8
7
16
6
17
4
11
5
15
16
A
A
FIT
1:1
100%

Артикул

Название

Примечание

Количество

|$0

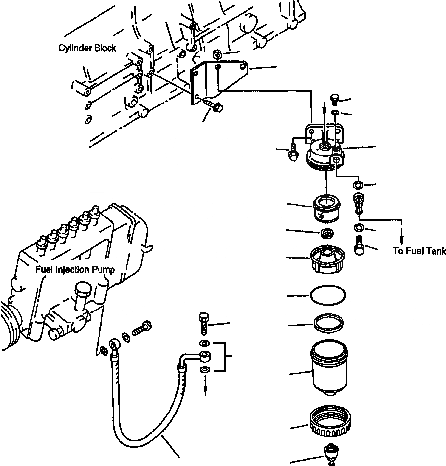
600-311-9731

SEPARATOR, WATER

1шт.

1

600-311-9911

COVER

1шт.

2

6110-73-6231

PLUG

1шт.

3

07005-00812

GASKET, PLUG

1шт.

4

600-311-9920

CASE

1шт.

5

600-311-9760

PLUG, DRAIN

1шт.

6

600-311-9950

RING, RETAINING

1шт.

7

600-311-9890

O-RING

1шт.

8

600-311-9941

PLATE

1шт.

9

600-311-9961

GASKET

1шт.

10

600-311-9971

SCREEN

1шт.

11

600-311-9931

NUT

1шт.

12

6211-71-9230

BRACKET, MOUNT SEPARATOR

1шт.

13

01435-01020

BOLT, MOUNT BRACKET AND SEPARATOR

4шт.

14

01584-01008

NUT, MOUNT SEPARATOR

2шт.

15

6210-71-5360

HOSE, SEPARATOR TO INJECTION PUMP

1шт.

16

07206-31014

BOLT, JOINT

2шт.

17

07005-01412

GASKET

4шт.

N/I

GASKET KIT, CYLINDER BLOCK (SEE PG E9-002)

-29шт.

|$21

-1шт.

|$20

F1 - INCLUDED IN CYLINDER BLOCK GASKET KIT 6211-K2-0105.

-1шт.

|$22

-1шт.

Выбрано товаров: 22