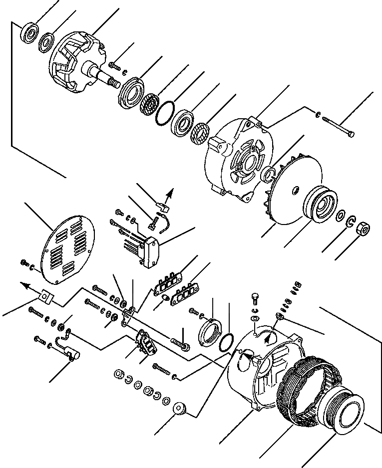
Запчасти Komatsu WA500-1L ГЕНЕРАТОР - AMP (С HARDENED ШКИВ) ЭЛЕКТРИКА

Схема запчастей Komatsu WA500-1L - ГЕНЕРАТОР - AMP (С HARDENED ШКИВ) ЭЛЕКТРИКА
18
21
19
27
26
23
25
24
22
28
23
29
13
12
15
30
3
31
32
33
10
6
17
16
10
9
7
5
10
3
11
8
2
1
20
14
4
34
4
B
A
B
A
FIT
1:1
100%

Артикул

Название

Примечание

Количество

|$0

600-821-9321

ALTERNATOR ASSEMBLY (50A)

1шт.

1

SD1211-35010X0

STATOR ASSEMBLY

1шт.

|$2

SD1230-18802X0

REAR BRACKET ASSEMBLY

1шт.

2

SD2240-19500X0

BRACKET

1шт.

3

SD1235-06400X0

HEAT SINK ASSEMBLY(+)

2шт.

4

SD1235-06410X0

HEAT SINK ASSEMBLY(-)

2шт.

5

SD5010-26400X0

BOLT

1шт.

6

SD3220-38800X0

SUPPORT

1шт.

7

SD4215-04000X0

INSULATOR

1шт.

8

SD4041-07500X0

BUSHING

1шт.

9

SD4215-03900X0

INSULATOR

4шт.

10

SD4041-00900X0

BUSHING

4шт.

11

SD6060-11920X0

CONDENSER

1шт.

12

SD8140-0503010

BOLT

1шт.

13

SD4215-01300X0

INSULATOR

1шт.

14

SD4041-05700X0

BUSHING

1шт.

15

SD1510-02910X0

REGULATOR ASSEMBLY

1шт.

16

SD4142-01000X0

O-RING

1шт.

17

SD2202-01401X0

COVER

1шт.

18

SD6206-00730X0

BEARING, BALL

1шт.

19

SD3409-00300X0

COVER

1шт.

20

SD1251-00700X0

COIL ASSEMBLY

1шт.

21

SD1221-15100X0

ROTOR ASSEMBLY

1шт.

|$23

SD1240-07200

FRONT BRACKET ASSEMBLY

1шт.

22

SD2242-08600X0

BRACKET, FRONT

1шт.

23

SD6410-02000X0

SEAL, OIL

2шт.

24

SD6206-00320X0

BEARING, BALL

1шт.

25

SD4142-00900X0

O-RING

1шт.

26

SD2202-02200X0

COVER

1шт.

27

SD5010-21500X0

BOLT

3шт.

28

SD5010-04730X0

BOLT

4шт.

29

SD3600-17300X0

COLLAR

1шт.

30

SD1982-03200X0

FAN

1шт.

31

SD2080-22100X0

PULLEY, HARDENED

1шт.

32

SD3000-07800X0

WASHER

1шт.

33

SD8264-1830010

NUT

1шт.

34

SD3002-04600X0

COVER

1шт.

Выбрано товаров: 37