Запчасти Komatsu WA500-1L РУЛЕВ. УПРАВЛЕНИЕ И УПРАВЛ-Е ТРАНСМИССИЕЙ РУЛЕВ. УПРАВЛЕНИЕ СИСТЕМА УПРАВЛЕНИЯ

Схема запчастей Komatsu WA500-1L - РУЛЕВ. УПРАВЛЕНИЕ И УПРАВЛ-Е ТРАНСМИССИЕЙ РУЛЕВ. УПРАВЛЕНИЕ СИСТЕМА УПРАВЛЕНИЯ
18
19
10
6
4
5
19
7
3
17
20
2
21
15
16
23
14
22
9
8
11
16
12
1
27
13
28
24
26
25
29
A
A
FIT
1:1
100%

Артикул

Название

Примечание

Количество

|$0

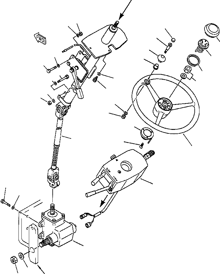
421-40-12100

STEERING WHEEL ASSEMBLY

1шт.

|$1

421-40-12111

WHEEL ASSEMBLY

1шт.

1

421-40-12121

WHEEL

1шт.

2

362-43-15140

SPRING, LOCK

1шт.

3

421-40-12160

CAP, CONTACT

1шт.

4

362-43-15120

BUTTON, HORN

1шт.

5

362-43-15160

GRIP

1шт.

6

362-43-15180

SHAFT

1шт.

7

362-43-15190

BUSHING

1шт.

8

362-43-15210

NUT

1шт.

9

362-43-15220

WASHER, SPRING

1шт.

10

362-43-15170

CAP

1шт.

11

421-40-12151

PIN, CANCEL

1шт.

12

01235-40616

SCREW

3шт.

13

SWITCH, TRANSMISSION CONTROL (SEE PG 04-028)

-29шт.

14

01010-50616

BOLT

3шт.

15

01643-30623

WASHER

3шт.

16

STEERING COLUMN ASSEMBLY (SEE PG 04-030)

-29шт.

17

01011-51010

BOLT

2шт.

18

01580-11008

NUT

2шт.

19

01643-31032

WASHER

4шт.

20

421-40-12912

BOLT

1шт.

21

01643-31232

WASHER

1шт.

22

01580-10806

NUT

1шт.

23

01643-30823

WASHER

1шт.

24

STEERING GEAR ASSEMBLY (SEE PG 04-032)

-29шт.

25

01583-12213

NUT

1шт.

26

01602-22268

WASHER, SPRING

1шт.

27

01050-51260

BOLT

3шт.

28

01643-31232

WASHER

3шт.

29

PLATE, STEERING LINKAGE (SEE PG 04-026)

-29шт.

Выбрано товаров: 31