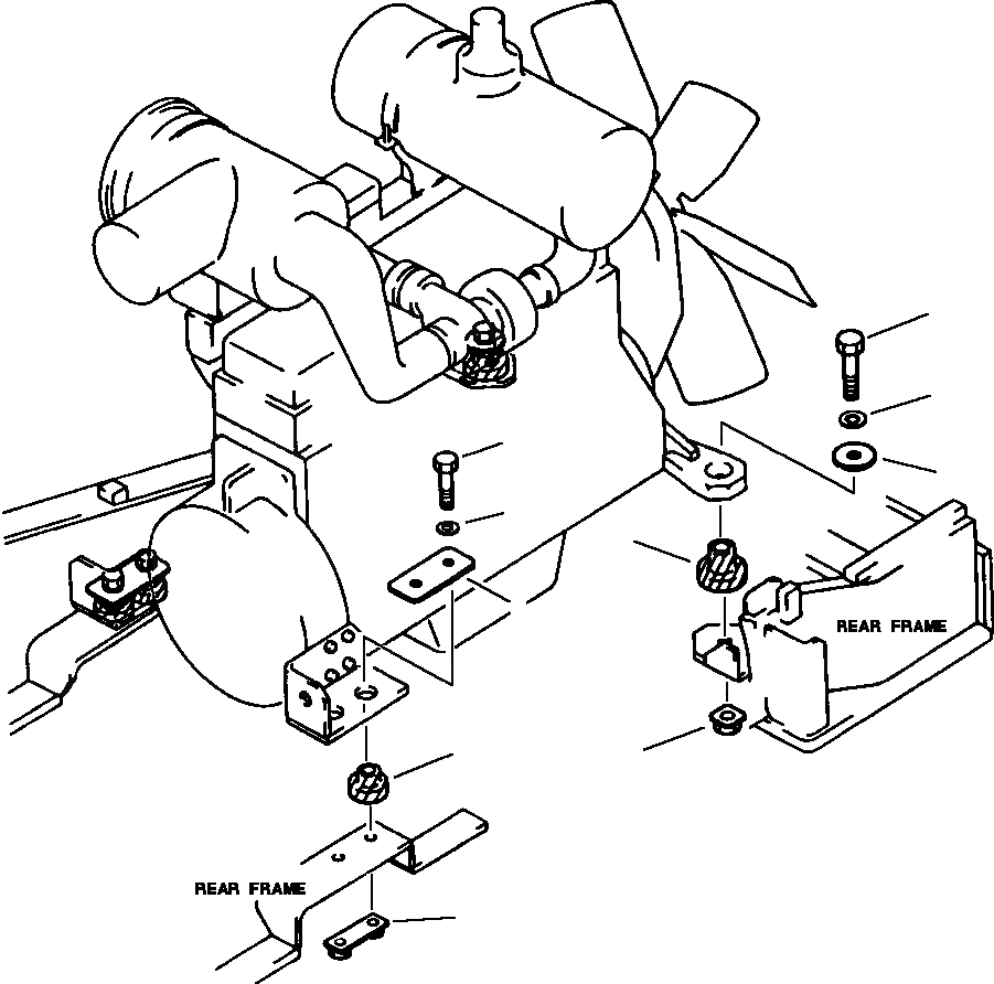
Запчасти Komatsu WA500-1L SUPPLEMENT КРЕПЛЕНИЕ ДВИГАТЕЛЯ КОМПОНЕНТЫ ДВИГАТЕЛЯ & ЭЛЕКТРИКА

Схема запчастей Komatsu WA500-1L SUPPLEMENT - КРЕПЛЕНИЕ ДВИГАТЕЛЯ КОМПОНЕНТЫ ДВИГАТЕЛЯ & ЭЛЕКТРИКА
8
9
3
7
4
6
2
10
1
5
FIT
1:1
100%

Артикул

Название

Примечание

Количество

1

425-01-11520

CUSHION

4шт.

2

425-01-11170

PLATE

2шт.

3

01011-31815

BOLT

4шт.

4

01643-31845

WASHER

4шт.

5

425-01-11160

PLATE

2шт.

6

425-01-11510

CUSHION

2шт.

7

425-01-11130

PLATE

2шт.

8

01011-32460

BOLT

2шт.

9

01643-32460

WASHER

2шт.

10

425-01-11150

PLATE

2шт.

Выбрано товаров: 10