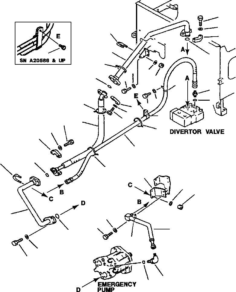
Запчасти Komatsu WA500-1L SUPPLEMENT ГИДРОЛИНИЯ ЭКСТРЕННОГО УПРАВЛЕНИЯ ЭКСТРЕНН. НАСОС - ПЕРЕПУСКН. КЛАПАН РУЛЕВ. УПРАВЛЕНИЕ СИСТЕМА УПРАВЛЕНИЯ

Схема запчастей Komatsu WA500-1L SUPPLEMENT - ГИДРОЛИНИЯ ЭКСТРЕННОГО УПРАВЛЕНИЯ ЭКСТРЕНН. НАСОС - ПЕРЕПУСКН. КЛАПАН РУЛЕВ. УПРАВЛЕНИЕ СИСТЕМА УПРАВЛЕНИЯ
9
10
17
8
11
6
31
7
29
13
19
7
12
18
26
24
25
28
29
27
8
10
30
9
5
10
29
9
8
23
7
17
29
14
19
18
1
16
15
20
2
26
4
3
21
22
FIT
1:1
100%

Артикул

Название

Примечание

Количество

1

425-875-1370

TUBE

1шт.

2

07000-13048

O-RING

1шт.

3

01010-51240

BOLT

4шт.

4

01643-51232

WASHER

4шт.

5

07087-01210

HOSE

1шт.

6

425-875-1350

TUBE

1шт.

7

07000-13038

0-RING

3шт.

8

07371-31255

FLANGE, SPLIT

6шт.

9

07372-21035

BOLT

12шт.

10

01643-51032

WASHER

12шт.

11

425-875-1540

BRACKET

1шт.

12

01010-51230

BOLT

2шт.

13

01643-31232

WASHER

2шт.

14

425-875-1481

PLATE

1шт.

15

01010-51025

BOLT

2шт.

16

01643-31032

WASHER

2шт.

17

07283-23442

CLIP

2шт.

18

01599-01011

NUT

4шт.

19

01643-31032

WASHER

4шт.

20

425-875-1390

TUBE

1шт.

21

07235-10422

ELBOW

1шт.

22

07002-12034

O-RING

1шт.

23

07102-20421

HOSE

1шт.

24

07230-10422

UNION

1шт.

25

07002-12034

O-RING

1шт.

26

421-09-12170

CLIP

2шт.

27

01010-51016

BOLT

1шт.

28

01643-31032

WASHER

1шт.

29

08034-00834

BAND

4шт.

30

08035-02510

CLIP

1шт.

31

01435-01016

BOLT

1шт.

|$33

-1шт.

|$32

F1 - USED ON MACHINES S/N A20586 AND UP.

-1шт.

|$34

-1шт.

Выбрано товаров: 34