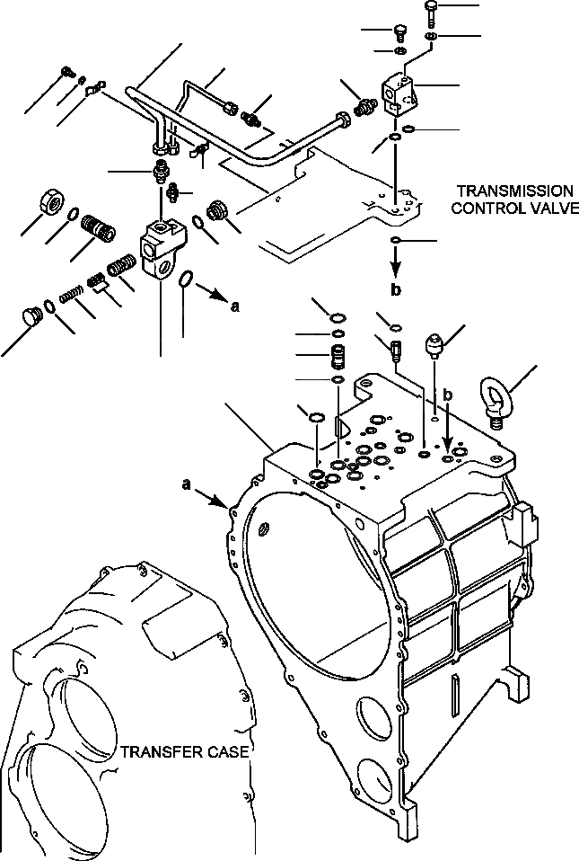
Запчасти Komatsu WA500-1LC FIG. F-A ТРАНСМИССИЯ - КОРПУС СИЛОВАЯ ПЕРЕДАЧА И КОНЕЧНАЯ ПЕРЕДАЧА

Схема запчастей Komatsu WA500-1LC - FIG. F-A ТРАНСМИССИЯ - КОРПУС СИЛОВАЯ ПЕРЕДАЧА И КОНЕЧНАЯ ПЕРЕДАЧА
23
24
25
19
25
26
20
21
27
31
30
22
28
22
20
29
27
7
13
18
16
14
15
5
10
6
11
32
12
33
4
14
17
2
8
13
9
3
1
5
FIT
1:1
100%

Артикул

Название

Примечание

Количество

|$0

425-15-00011

TRANSMISSION ASSEMBLY

SN: A60001-UP-UP

1шт.

1

425-15-11110

CASE

SN: A60001-UP-UP

1шт.

2

425-15-11310

SLEEVE

SN: A60001-UP-UP

6шт.

3

07000-72021

O-RING - SLEEVE

SN: A60001-UP-UP

6шт.

4

170-09-17130

O-RING - SLEEVE

SN: A60001-UP-UP

6шт.

5

07000-73030

O-RING - VALVE SEAT

SN: A60001-UP-UP

10шт.

6

07000-72018

O-RING - VALVE SEAT

SN: A60001-UP-UP

6шт.

7

07000-72021

O-RING - VALVE SEAT

SN: A60001-UP-UP

1шт.

8

04530-02438

BOLT

SN: A60001-UP-UP

2шт.

9

425-15-14110

BODY

SN: A60001-UP-UP

1шт.

10

425-15-14330

VALVE

SN: A60001-UP-UP

1шт.

11

425-15-14240

SHIM - 0.020 IN. (0.50 MM)

SN: A60001-UP-UP

10шт.

12

145-14-12790

SPRING

SN: A60001-UP-UP

1шт.

13

425-15-14220

PLUG

SN: A60001-UP-UP

2шт.

14

07002-03034

O-RING - PLUG

SN: A60001-UP-UP

2шт.

15

425-15-14212

BOLT

SN: A60001-UP-UP

1шт.

16

07000-73025

O-RING - VALVE

SN: A60001-UP-UP

1шт.

17

07002-03634

O-RING - VALVE

SN: A60001-UP-UP

1шт.

18

01583-03018

NUT

SN: A60001-UP-UP

1шт.

19

425-15-14270

TUBE

SN: A60001-UP-UP

1шт.

20

07213-51826

CONNECTOR

SN: A60001-UP-UP

2шт.

21

425-15-14230

BLOCK

SN: A60001-UP-UP

1шт.

22

07000-72021

O-RING - BLOCK

SN: A60001-UP-UP

2шт.

23

01011-81020

BOLT

SN: A60001-UP-UP

1шт.

24

01010-81055

BOLT

SN: A60001-UP-UP

1шт.

25

01602-21030

WASHER

SN: A60001-UP-UP

2шт.

26

425-15-14370

TUBE

SN: A60001-UP-UP

1шт.

27

07238-10210

CONNECTOR

SN: A60001-UP-UP

2шт.

28

425-15-14250

CLAMP

SN: A60001-UP-UP

1шт.

29

425-15-14260

CLAMP

SN: A60001-UP-UP

1шт.

30

01010-80616

BOLT

SN: A60001-UP-UP

1шт.

31

01602-20619

WASHER

SN: A60001-UP-UP

1шт.

32

07030-00252

BREATHER

SN: A60001-UP-UP

1шт.

33

170-21-11190

NIPPLE

SN: A60001-UP-UP

1шт.

|$34

KIT, TRANSMISSION SERVICE(SEE FIG. F4900-01A0)

SN: A60001-UP-UP

1шт.

|$35

-1шт.

|$36

F1 - INCLUDED IN TRANSMISSION SERVICE KIT.

-1шт.

|$37

-1шт.

Выбрано товаров: 38