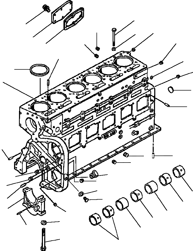
Запчасти Komatsu WA500-1LC FIG. A-A БЛОК ЦИЛИНДРОВ ДВИГАТЕЛЬ

Схема запчастей Komatsu WA500-1LC - FIG. A-A БЛОК ЦИЛИНДРОВ ДВИГАТЕЛЬ
22
19
14
20
5
18
3
9
17
8
1
24
13
25
21
27
6
16
26
2
23
4
15
16
7
30
12
10
31
29
14
32
31
33
11
32
28
31
FIT
1:1
100%

Артикул

Название

Примечание

Количество

|$0

1280 827 H92

BLOCK, CYLINDER

SN: A60001-UP-UP

1шт.

1

1238 117 H1

WASHER, PLAIN

SN: A60001-UP-UP

1шт.

2

1238 119 H1

PLUG - EXPANSION

SN: A60001-UP-UP

1шт.

3

1238 120 H1

PLUG - EXPANSION

SN: A60001-UP-UP

1шт.

4

1238 124 H1

PLUG - PIPE

SN: A60001-UP-UP

2шт.

5

1238 133 H1

PLUG - PIPE

SN: A60001-UP-UP

1шт.

6

1239 975 H1

DOWEL, PIN

SN: A60001-UP-UP

1шт.

7

1239 995 H1

WASHER, PLAIN

SN: A60001-UP-UP

1шт.

8

1240 019 H1

PIN, GROOVE

SN: A60001-UP-UP

6шт.

9

1239 513 H1

PLUG - PIPE

SN: A60001-UP-UP

6шт.

10

1240 054 H1

DOWEL, PIN

SN: A60001-UP-UP

1шт.

11

1238 624 H1

PIN, ROLL

SN: A60001-UP-UP

4шт.

12

1238 839 H1

PLUG - DRIVE

SN: A60001-UP-UP

1шт.

13

1239 158 H1

PLUG - PIPE

SN: A60001-UP-UP

2шт.

14

1239 159 H1

PLUG - PIPE

SN: A60001-UP-UP

3шт.

15

1239 160 H1

PLUG - PIPE

SN: A60001-UP-UP

1шт.

16

1239 300 H1

PLUG - PIPE

SN: A60001-UP-UP

3шт.

17

1240 044 H2

GASKET - COVER PLATE

SN: A60001-UP-UP

1шт.

18

1238 264 H1

COVER - HEADER

SN: A60001-UP-UP

1шт.

19

1239 304 H1

BOLT

SN: A60001-UP-UP

6шт.

20

1241 837 H1

WASHER, PLAIN

SN: A60001-UP-UP

36шт.

21

1239 259 H1

PLUG - EXPANSION

SN: A60001-UP-UP

1шт.

22

1239 297 H1

BOLT

SN: A60001-UP-UP

36шт.

23

1246 131 H91

PLUG - THREADED

SN: A60001-UP-UP

4шт.

|$24

1240 473 H1

O-RING

SN: A60001-UP-UP

1шт.

24

1296 192 H1

RING - CYLINDER LINER SEAL

SN: A60001-UP-UP

6шт.

25

NSS

BLOCK, CYLINDER

SN: A60001-UP-UP

1шт.

26

1239 999 H1

DOWEL, PIN

SN: A60001-UP-UP

2шт.

27

1240 020 H1

DOWEL, PIN

SN: A60001-UP-UP

6шт.

28

1238 825 H1

BOLT

SN: A60001-UP-UP

14шт.

29

1239 152 H1

CAP - MAIN BEARING

SN: A60001-UP-UP

3шт.

|$31

1239 153 H1

CAP - MAIN BEARING

SN: A60001-UP-UP

3шт.

|$32

1239 154 H1

CAP - MAIN BEARING

SN: A60001-UP-UP

1шт.

|$33

1239 950 H91

BUSHING SET - CAMSHAFT

SN: A60001-UP-UP

1шт.

30

1239 258 H1

BUSHING - CAMSHAFT

SN: A60001-UP-UP

1шт.

31

1239 558 H1

BUSHING - CAMSHAFT

SN: A60001-UP-UP

4шт.

32

1239 560 H1

BUSHING - CAMSHAFT

SN: A60001-UP-UP

2шт.

33

1239 822 H1

WASHER, PLAIN

SN: A60001-UP-UP

14шт.

Выбрано товаров: 38