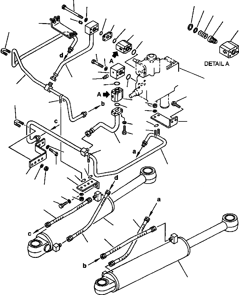
Запчасти Komatsu WA500-1LC FIG. H-A РУЛЕВ. УПРАВЛЕНИЕ МАСЛОПРОВОДЯЩАЯ ЛИНИЯ - РУЛЕВ. УПРАВЛЕНИЕ ЗАПРАШИВАЮЩ. КЛАПАН - ЦИЛИНДР РУЛЕВ. УПР-ЯS ГИДРАВЛИКА

Схема запчастей Komatsu WA500-1LC - FIG. H-A РУЛЕВ. УПРАВЛЕНИЕ МАСЛОПРОВОДЯЩАЯ ЛИНИЯ - РУЛЕВ. УПРАВЛЕНИЕ ЗАПРАШИВАЮЩ. КЛАПАН - ЦИЛИНДР РУЛЕВ. УПР-ЯS ГИДРАВЛИКА
19
10
20
9
8
18
44
7
12
31
13
6
40
6
11
4
5
1
2
45
17
11
21
3
32
6
40
28
35
13
36
34
31
16
33
15
14
28
39
27
38
22
27
24
37
42
30
41
26
29
25
23
23
43
23
23
43
FIT
1:1
100%

Артикул

Название

Примечание

Количество

1

425-62-11750

ELBOW

SN: A60001-UP-UP

1шт.

2

07042-20108

PLUG

SN: A60001-UP-UP

2шт.

3

07000-13035

O-RING

SN: A60001-UP-UP

1шт.

4

01011-51005

BOLT

SN: A60001-UP-UP

4шт.

5

01643-51032

WASHER

SN: A60001-UP-UP

4шт.

|$5

425-62-11400

VALVE ASSEMBLY - CHECK

SN: A60001-UP-UP

2шт.

6

207-60-11840

BODY

SN: A60001-UP-UP

1шт.

7

425-62-11480

VALVE

SN: A60001-UP-UP

1шт.

8

205-60-51310

SPRING

SN: A60001-UP-UP

1шт.

9

205-60-51320

SEAT

SN: A60001-UP-UP

1шт.

10

04065-02812

RING, SNAP

SN: A60001-UP-UP

1шт.

11

07000-13032

O-RING

SN: A60001-UP-UP

2шт.

12

425-62-11490

ADAPTER

SN: A60001-UP-UP

1шт.

13

07000-13035

O-RING

SN: A60001-UP-UP

2шт.

14

425-62-11633

TUBE

SN: A60001-UP-UP

1шт.

15

01011-51005

BOLT

SN: A60001-UP-UP

4шт.

16

01643-31032

WASHER

SN: A60001-UP-UP

4шт.

17

425-62-11662

TUBE

SN: A60001-UP-UP

1шт.

18

07000-13032

O-RING

SN: A60001-UP-UP

1шт.

19

01011-51070

BOLT

SN: A60001-UP-UP

4шт.

20

01643-31032

WASHER

SN: A60001-UP-UP

4шт.

21

425-62-11642

TUBE

SN: A60001-UP-UP

1шт.

22

425-62-11672

TUBE

SN: A60001-UP-UP

1шт.

23

07123-00504

HOSE

SN: A60001-UP-UP

4шт.

24

425-62-11711

BRACKET

SN: A60001-UP-UP

1шт.

25

01010-81035

BOLT

SN: A60001-UP-UP

2шт.

26

01643-31032

WASHER

SN: A60001-UP-UP

2шт.

27

07283-52232

SEAT

SN: A60001-UP-UP

2шт.

28

07283-32244

U-BOLT

SN: A60001-UP-UP

2шт.

29

426-09-11160

NUT

SN: A60001-UP-UP

4шт.

30

01643-31032

WASHER

SN: A60001-UP-UP

4шт.

31

425-62-11731

PLATE

SN: A60001-UP-UP

2шт.

32

01435-01020

BOLT

SN: A60001-UP-UP

4шт.

33

07283-32244

U-BOLT

SN: A60001-UP-UP

2шт.

34

07283-52232

SEAT

SN: A60001-UP-UP

2шт.

35

426-09-11160

NUT

SN: A60001-UP-UP

4шт.

36

01643-31032

WASHER

SN: A60001-UP-UP

4шт.

37

425-62-11692

BRACKET

SN: A60001-UP-UP

1шт.

38

01010-81030

BOLT

SN: A60001-UP-UP

2шт.

39

01643-31032

WASHER

SN: A60001-UP-UP

2шт.

40

07283-32244

U-BOLT

SN: A60001-UP-UP

2шт.

41

426-09-11160

NUT

SN: A60001-UP-UP

4шт.

42

01643-31032

WASHER

SN: A60001-UP-UP

4шт.

43

CYLINDER ASSEMBLY, L.H.(SEE FIG. H5000-05A0)

SN: A60001-UP-UP

1шт.

|$45

OR

-1шт.

43

CYLINDER ASSEMBLY, R.H.(SEE FIG. H5000-05A0)

SN: A60001-UP-UP

1шт.

44

07042-20108

PLUG

SN: A60001-UP-UP

1шт.

45

VALVE ASSEMBLY, STEERING DEMAND(SEE FIG. H0122-01A0)

SN: A60001-UP-UP

1шт.

Выбрано товаров: 48