Запчасти Komatsu WA500-1LC FIG. K7-A КАБИНА - КОНДИЦ. ВОЗДУХА ИЛИ ОБОГРЕВАТЕЛЬ. И АНТИОБЛЕДЕНИТЕЛЬ - ЭЛЕМЕНТЫ КРЕПЛЕНИЯ КАБИНА ОПЕРАТОРА И СИСТЕМА УПРАВЛЕНИЯ

Схема запчастей Komatsu WA500-1LC - FIG. K7-A КАБИНА - КОНДИЦ. ВОЗДУХА ИЛИ ОБОГРЕВАТЕЛЬ. И АНТИОБЛЕДЕНИТЕЛЬ - ЭЛЕМЕНТЫ КРЕПЛЕНИЯ КАБИНА ОПЕРАТОРА И СИСТЕМА УПРАВЛЕНИЯ
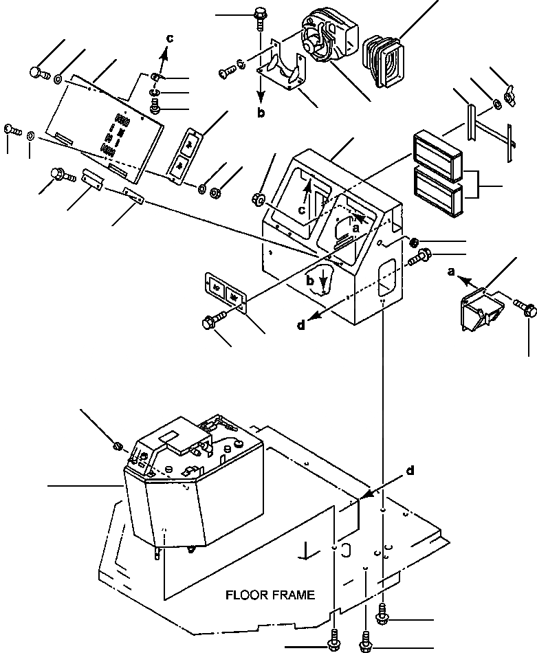
13
12
27
28
23
8
9
29
7
31
17
10
30
11
4
16
19
20
18
19
6
25
24
26
33
14
32
21
22
15
34
1
5
2
3
FIT
1:1
100%

Артикул

Название

Примечание

Количество

1

AIR CONDITIONER UNIT(SEE FIG. K0713-01A0)

SN: A60001-A60015-UP

1шт.

|$2

OR

-1шт.

1

AIR CONDITIONER UNIT(SEE FIG. K0713-03A0)

SN: A60016-UP-UP

1шт.

|$6

OR

-1шт.

1

HEATER UNIT (SEE FIG. K0710-04A0)

SN: A60001-A60015-UP

1шт.

|$10

OR

-1шт.

1

HEATER UNIT (SEE FIG. K0710-05A0)

SN: A60016-UP-UP

1шт.

2

01435-01220

BOLT

SN: A60001-UP-UP

3шт.

3

01435-00814

BOLT

SN: A60001-UP-UP

3шт.

4

BOX ASSEMBLY - FILTER(SEE FIG. K0710-02A0)

SN: A60001-UP-UP

1шт.

|$17

OR

-1шт.

4

428-963-1200

BOX ASSEMBLY - FILTER

SN: A60001-UP-UP

1шт.

|$20

423-963-1310

INSULATOR

SN: A60001-UP-UP

2шт.

5

01435-01220

BOLT

SN: A60001-UP-UP

9шт.

6

421-07-12312

FILTER

SN: A60001-UP-UP

2шт.

7

426-07-11310

HOLDER

SN: A60001-UP-UP

1шт.

8

01540-20840

NUT

SN: A60001-UP-UP

2шт.

9

01643-30823

WASHER

SN: A60001-UP-UP

2шт.

10

BLOWER ASSEMBLY (SEE FIG. K0717-01A0)

SN: A60001-UP-UP

1шт.

11

425-963-1210

BRACKET - BLOWER MOUNTING

SN: A60001-UP-UP

1шт.

12

01435-00816

BOLT - BRACKET

SN: A60001-UP-UP

4шт.

13

DUCT (SEE FIG. K0717-01A0)

SN: A60001-UP-UP

1шт.

14

425-963-1170

DAMPER ASSEMBLY

SN: A60001-UP-UP

1шт.

15

01435-00816

BOLT, DAMPER MOUNTING

SN: A60001-UP-UP

2шт.

16

01584-00806

NUT

SN: A60001-UP-UP

2шт.

17

423-T43-1431

FILTER - COVER

SN: A60001-UP-UP

1шт.

18

01220-40820

SCREW

SN: A60001-UP-UP

2шт.

19

01643-30823

WASHER

SN: A60001-UP-UP

4шт.

20

01584-00806

NUT

SN: A60001-UP-UP

2шт.

21

423-T43-1431

FILTER - INNER

SN: A60001-UP-UP

1шт.

22

01435-00816

BOLT

SN: A60001-UP-UP

2шт.

23

421-T43-1390

COVER

SN: A60001-UP-UP

1шт.

24

421-T43-1340

PLATE

SN: A60001-UP-UP

2шт.

25

01435-00616

BOLT

SN: A60001-UP-UP

4шт.

26

421-T43-1330

PLATE

SN: A60001-UP-UP

2шт.

27

425-54-12960

SCREW

SN: A60001-UP-UP

2шт.

28

01643-30623

WASHER

SN: A60001-UP-UP

2шт.

29

421-T43-1350

PLATE

SN: A60001-UP-UP

2шт.

30

01220-40308

SCREW

SN: A60001-UP-UP

4шт.

31

01601-20307

WASHER

SN: A60001-UP-UP

4шт.

32

01435-01220

BOLT

SN: A60001-UP-UP

2шт.

|$50

OR

-1шт.

32

01435-01220

BOLT

SN: A60001-UP-UP

4шт.

33

198-91-15420

GROMMET

SN: A60001-UP-UP

1шт.

34

07049-01215

PLUG

SN: A60001-UP-UP

2шт.

|$55

-1шт.

|$56

F1 - USED ON MACHINES WITH CAB MODEL NO. C0100B EQUIPPED WITH A/C.

-1шт.

|$57

-1шт.

|$58

-1шт.

|$59

F2 - USED ON MACHINES WITH CAB MODEL NOS. C0100D AND C0100J EQUIPPED WITHA/C.

-1шт.

|$60

-1шт.

|$61

-1шт.

|$62

F3 - USED ON MACHINES WITH CAB MODEL NO. C0100B EQUIPPED WITH HEATER ANDDEFROSTER ONLY.

-1шт.

|$63

-1шт.

|$64

-1шт.

|$65

F4 - USED ON MACHINES WITH CAB MODEL NOS. C0100D AND C0100J EQUIPPED WITHHEATER AND DEFROSTER ONLY.

-1шт.

|$66

-1шт.

|$67

-1шт.

|$68

F5 - USED ON MACHINES WITH CAB MODEL NOS. C0100D AND C0100J

-1шт.

|$69

-1шт.

|$70

-1шт.

|$71

.F6 - USED ON MACHINES WITH CAB MODEL NO. C0100B.

-1шт.

|$72

-1шт.

Выбрано товаров: 63