Запчасти Komatsu WA500-1LC FIG. K7-A КАБИНА - MODEL NOS. CD И CJ - КОНДИЦ. ВОЗДУХА И ОТОПИТЕЛЬ КАБИНА ОПЕРАТОРА И СИСТЕМА УПРАВЛЕНИЯ

Схема запчастей Komatsu WA500-1LC - FIG. K7-A КАБИНА - MODEL NOS. CD И CJ - КОНДИЦ. ВОЗДУХА И ОТОПИТЕЛЬ КАБИНА ОПЕРАТОРА И СИСТЕМА УПРАВЛЕНИЯ
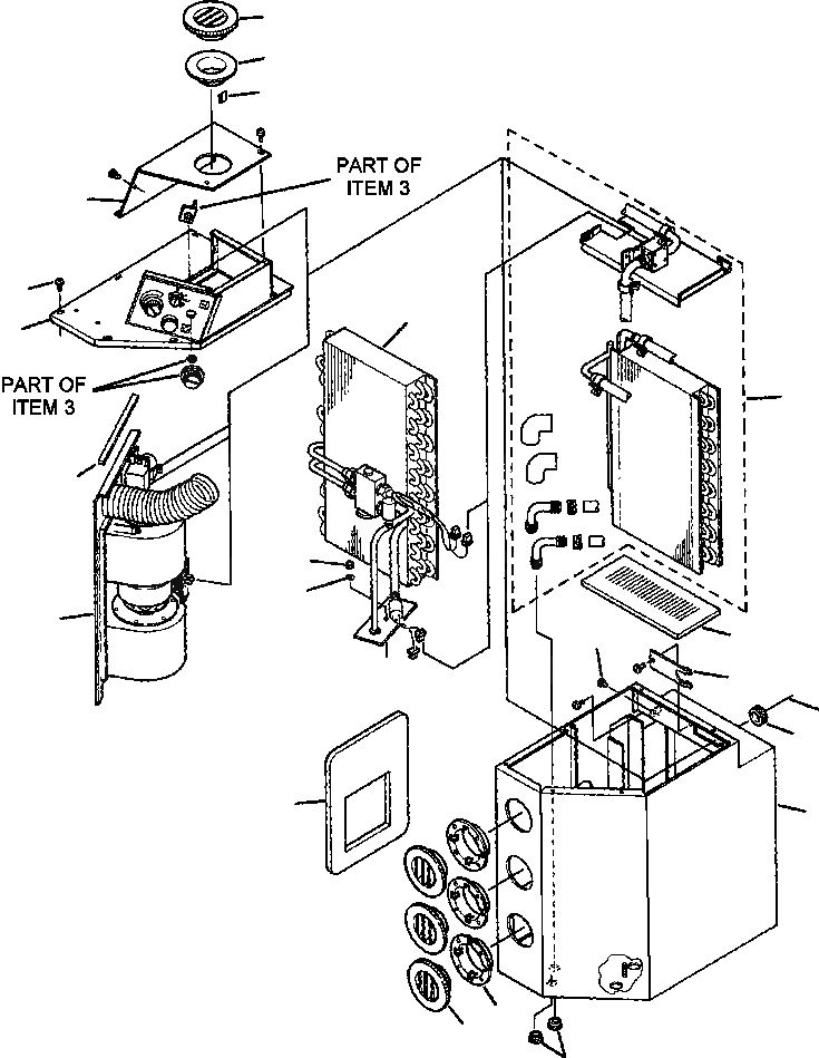
9
20
21
8
16
2
5
3
19
18
17
4
15
14
11
10
6
13
1
7
9
12
FIT
1:1
100%

Артикул

Название

Примечание

Количество

|$0

425-963-A010

UNIT ASSEMBLY, HEATER AND A/C

SN: A60016-UP-UP

1шт.

1

425-963-A620

HOUSING - WELDMENT

SN: A60016-UP-UP

1шт.

2

COIL ASSEMBLY - EVAPORATOR (SEE FIG. K0713-05A0)

SN: A60016-UP-UP

1шт.

3

COIL ASSEMBLY - HEATER (SEE FIG. K0714-02A0)

SN: A60016-UP-UP

1шт.

4

FAN ASSEMBLY (SEE FIG. K0713-04A0)

SN: A60016-UP-UP

1шт.

5

COVER ASSEMBLY (SEE FIG. K0713-06A0)

SN: A60016-UP-UP

1шт.

6

425-963-A980

GROMMET - 1.00 IN. (25.4 MM)

SN: A60016-UP-UP

1шт.

7

425-963-AB30

MOUNTING - VENT

SN: A60016-UP-UP

3шт.

8

425-963-A540

PLATE, TOP - SWITCH BOX

SN: A60016-UP-UP

1шт.

9

425-963-AB20

VENT ASSEMBLY

SN: A60016-UP-UP

4шт.

10

HARNESS, WIRING (SEE FIG. K0713-05A0)

SN: A60016-UP-UP

1шт.

11

425-963-A560

PLATE, COVER

SN: A60016-UP-UP

1шт.

12

425-963-A990

GROMMET - 0.875 IN. (22 MM)

SN: A60016-UP-UP

2шт.

13

425-963-A590

GASKET, FOAM

SN: A60016-UP-UP

1шт.

14

425-963-A550

SUPPORT, COIL

SN: A60016-UP-UP

1шт.

15

425-963-A860

BOLT, TORX TRUSS - 1/4-20 X 1/2 IN.

SN: A60016-UP-UP

3шт.

16

425-963-A850

BOLT, TORX TRUSS - #10-32 X 1/2 IN.

SN: A60016-UP-UP

13шт.

17

120 380

WASHER, LOCKING - 1/4 IN.

SN: A60016-UP-UP

1шт.

18

01580-10605

NUT - M6

SN: A60016-UP-UP

1шт.

19

425-963-AE90

FOAM, FAN ASSEMBLY - 9.25 IN. (235 MM)

SN: A60016-UP-UP

1шт.

20

425-963-AB10

ADAPTER, HOSE - 2.50 IN. (57 MM) DIAMETER

SN: A60016-UP-UP

1шт.

21

425-963-A750

CLIP, HOSE

SN: A60016-UP-UP

3шт.

|$22

-1шт.

|$24

-1шт.

Выбрано товаров: 24