Запчасти Komatsu WA500-1LC FIG. K7-A КАБИНА - MODEL NOS. CD И CJ - БЛОК КОНДИЦИОНЕРА - КОНДЕНСАТОР ASSEMBLY КАБИНА ОПЕРАТОРА И СИСТЕМА УПРАВЛЕНИЯ

Схема запчастей Komatsu WA500-1LC - FIG. K7-A КАБИНА - MODEL NOS. CD И CJ - БЛОК КОНДИЦИОНЕРА - КОНДЕНСАТОР ASSEMBLY КАБИНА ОПЕРАТОРА И СИСТЕМА УПРАВЛЕНИЯ
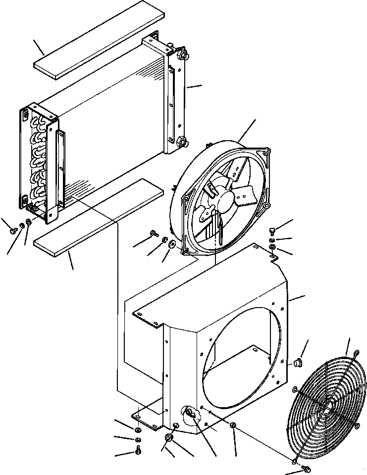
14
13
3
12
12
11
9
10
10
8
11
7
14
4
1
17
10
11
12
5
2
15
6
16
FIT
1:1
100%

Артикул

Название

Примечание

Количество

|$0

425-963-A021

CONDENSER ASSEMBLY

SN: A60016-UP-UP

1шт.

1

425-963-AC50

GUARD - FAN

SN: A60016-UP-UP

1шт.

2

425-963-A820

ANCHOR, WIRE TIE

SN: A60016-UP-UP

1шт.

3

425-963-AD81

FAN ASSEMBLY

SN: A60016-UP-UP

1шт.

4

425-963-A650

HOUSING - CONDENSER WELDMENT

SN: A60016-UP-UP

1шт.

5

425-963-AB40

GROMMET

SN: A60016-UP-UP

1шт.

6

425-963-A830

NUT, ACORN - M8

SN: A60016-UP-UP

4шт.

7

01643-50823

WASHER, FLAT - 8 MM

SN: A60016-UP-UP

4шт.

8

01602-20825

WASHER, LOCKING - 8 MM

SN: A60016-UP-UP

4шт.

9

01010-80820

BOLT, HEX - M8 X 1 1/4 IN.

SN: A60016-UP-UP

4шт.

10

147 579

WASHER, FLAT - 3/16 IN.

SN: A60016-UP-UP

14шт.

11

120 380

WASHER, LOCKING - 1/4 IN.

SN: A60016-UP-UP

14шт.

12

01010-80610

BOLT, HEX - M6 X 1 IN.

SN: A60016-UP-UP

14шт.

13

425-963-AC30

COIL - CONDENSER

SN: A60016-UP-UP

1шт.

14

425-963-A580

FOAM - COVER

SN: A60016-UP-UP

2шт.

15

425-963-AD20

HARNESS - WIRING

SN: A60016-UP-UP

1шт.

16

425-963-A730

BOLT, FLANGE HEAD - 1/4-20 X 3/4 IN.

SN: A60016-UP-UP

4шт.

17

425-963-A890

PLUG, PLASTIC - 9/16 IN.

SN: A60016-UP-UP

1шт.

N/I

1308 979 H1

TUBE - SPACER

SN: A60016-UP-UP

4шт.

|$19

-1шт.

|$20

F1 - ORDER FAN ASSEMBLY KIT 1308-941-H91 FOR CONVERSION OF FAN ASSEMBLY425-963-AD80 TO FAN ASSEMBLY 425-963-AD81, WHICH CONTAINS THESE ITEMS.

-1шт.

|$21

-1шт.

Выбрано товаров: 22