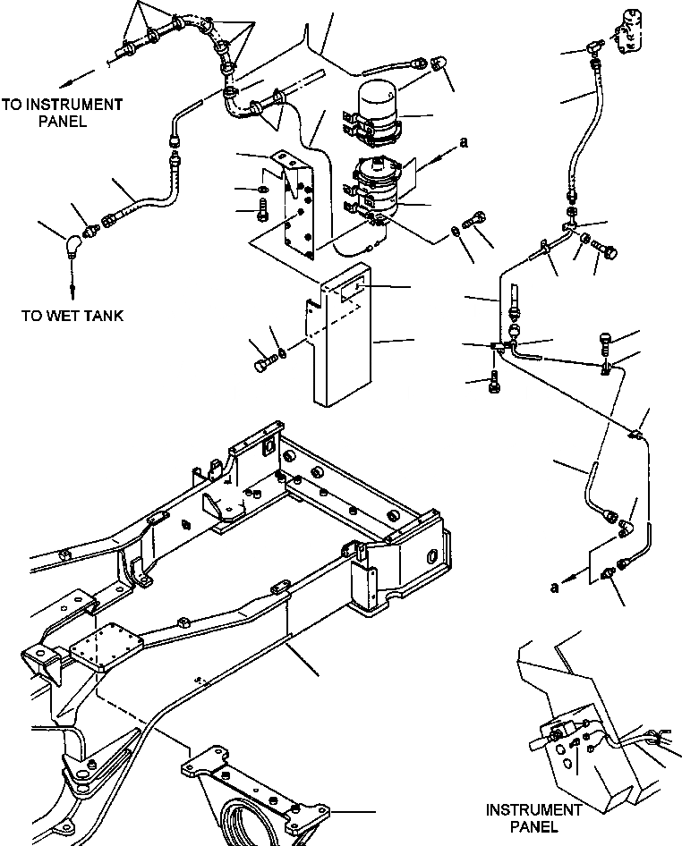
Запчасти Komatsu WA500-1LC FIG. K-8A ВОЗД. ВЛАГООТДЕЛИТЕЛЬ ТРУБЫ КАБИНА ОПЕРАТОРА И СИСТЕМА УПРАВЛЕНИЯ

Схема запчастей Komatsu WA500-1LC - FIG. K-8A ВОЗД. ВЛАГООТДЕЛИТЕЛЬ ТРУБЫ КАБИНА ОПЕРАТОРА И СИСТЕМА УПРАВЛЕНИЯ
28
12
28
26
28
11
27
25
1
3
13
7
14
2
6
15
21
4
22
5
23
21
29
20
10
18
9
17
8
21
17
24
21
16
11
19
32
28
27
30
31
FIT
1:1
100%

Артикул

Название

Примечание

Количество

1

421-35-16101

CHAMBER ASSEMBLY

SN: A60001-UP-UP

1шт.

2

DRYER ASSEMBLY, AIR(SEE FIG. K4463-01A0)

SN: A60001-UP-UP

1шт.

3

425-W90-1110

BRACKET

SN: A60001-UP-UP

1шт.

4

01010-81025

BOLT

SN: A60001-UP-UP

8шт.

5

01643-31032

WASHER

SN: A60001-UP-UP

8шт.

6

01010-81225

BOLT

SN: A60001-UP-UP

2шт.

7

01643-31232

WASHER

SN: A60001-UP-UP

2шт.

8

425-W90-1120

COVER

SN: A60001-UP-UP

1шт.

9

01010-81020

BOLT

SN: A60001-UP-UP

2шт.

10

01643-31032

WASHER

SN: A60001-UP-UP

2шт.

11

07217-71521

ELBOW

SN: A60001-UP-UP

2шт.

12

425-W90-1142

TUBE

SN: A60001-UP-UP

1шт.

13

425-35-13260

HOSE

SN: A60001-UP-UP

1шт.

14

424-09-12580

CONNECTOR

SN: A60001-UP-UP

1шт.

15

07323-B0300

ELBOW

SN: A60001-UP-UP

1шт.

16

425-W90-1132

TUBE

SN: A60001-UP-UP

1шт.

17

04434-51510

CLIP

SN: A60001-UP-UP

2шт.

18

01435-01016

BOLT

SN: A60001-UP-UP

2шт.

19

427-35-12620

CONNECTOR

SN: A60001-UP-UP

1шт.

20

425-W90-1152

TUBE

SN: A60001-UP-UP

1шт.

21

04434-50610

CLIP

SN: A60001-UP-UP

4шт.

22

421-06-12780

SPACER

SN: A60001-UP-UP

2шт.

23

01435-01045

BOLT

SN: A60001-UP-UP

2шт.

24

01435-01016

BOLT

SN: A60001-UP-UP

2шт.

25

425-35-13510

HOSE

SN: A60001-UP-UP

1шт.

26

19M-60-15320

ELBOW

SN: A60001-UP-UP

1шт.

27

425-W90-1331

WIRE - DRYER TO INSTRUMENT PANEL

SN: A60001-UP-UP

1шт.

28

08034-20519

STRAP, TIE

SN: A60001-UP-UP

14шт.

29

423-93-11180

PLATE, OPERATING - ENGLISH

SN: A60001-UP-UP

1шт.

|$30

OR

-1шт.

29

423-93-31180

PLATE, OPERATING - FRENCH

SN: A60001-UP-UP

1шт.

|$34

OR

-1шт.

29

423-V00-1180

PLATE, OPERATING - SPANISH

SN: A60001-UP-UP

1шт.

|$38

OR

-1шт.

29

423-93-11630

PLATE, OPERATING - GERMAN

SN: A60001-UP-UP

1шт.

30

424-W90-1140

CONNECTOR - AT L.H. SIDE INSTRUMENTPANEL

SN: A60001-UP-UP

1шт.

31

425-W90-1320

SUPPORT, REAR - MODIFIED PART

SN: A60001-UP-UP

1шт.

32

425-W90-1311

FRAME, REAR - REWORK

SN: A60001-UP-UP

1шт.

N/I

08036-01414

CLIP

SN: A60001-UP-UP

6шт.

N/I

01010-81020

BOLT

SN: A60001-UP-UP

3шт.

N/I

01643-31032

WASHER - M10

SN: A60001-UP-UP

6шт.

N/I

01580-11008

NUT

SN: A60001-UP-UP

3шт.

Выбрано товаров: 42