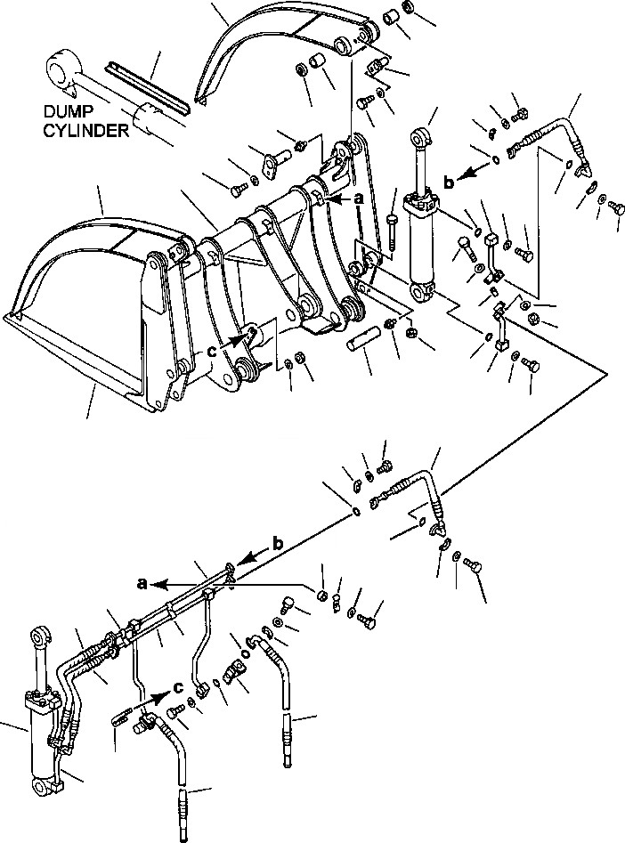
Запчасти Komatsu WA500-1LC FIG. T-A LOG LUMBER ЗАХВАТ РАБОЧЕЕ ОБОРУДОВАНИЕ

Схема запчастей Komatsu WA500-1LC - FIG. T-A LOG LUMBER ЗАХВАТ РАБОЧЕЕ ОБОРУДОВАНИЕ
3
5
50
4
11
32
29
33
10
4
5
13
7
30
12
6
9
8
3
16
1
35
36
30
38
37
31
33
32
40
41
41
39
42
17
36
15
35
14
48
38
49
37
2
32
29
33
31
30
30
24
44
43
46
31
45
43
33
32
29
21
19
22
43
20
25
29
23
18
26
10
28
27
47
18
34
31
FIT
1:1
100%

Артикул

Название

Примечание

Количество

1

CARRIER (SEE FIG. T4120-05A0)

SN: A60001-UP-UP

1шт.

2

FORK (SEE FIG. T4120-05A0)

SN: A60001-UP-UP

2шт.

3

425-882-1110

ARM

SN: A60001-UP-UP

2шт.

4

419-70-11890

BUSHING

SN: A60001-UP-UP

4шт.

5

424-09-12320

SEAL - DUST

SN: A60001-UP-UP

4шт.

6

425-882-1120

PIN

SN: A60001-UP-UP

2шт.

7

07020-00000

FITTING, GREASE

SN: A60001-UP-UP

1шт.

8

01010-31630

BOLT

SN: A60001-UP-UP

2шт.

9

421-70-11280

WASHER

SN: A60001-UP-UP

2шт.

10

CYLINDER ASSEMBLY - GRAPPLE(SEE FIG. H5000-04A0)

SN: A60001-UP-UP

2шт.

11

425-880-1170

PIN

SN: A60001-UP-UP

2шт.

12

01010-31630

BOLT

SN: A60001-UP-UP

2шт.

13

421-70-11280

WASHER

SN: A60001-UP-UP

2шт.

14

425-882-1130

PIN

SN: A60001-UP-UP

2шт.

15

07020-00000

FITTING, GREASE

SN: A60001-UP-UP

2шт.

16

01011-51660

BOLT

SN: A60001-UP-UP

2шт.

17

01598-01617

NUT

SN: A60001-UP-UP

2шт.

18

07124-21011

HOSE

SN: A60001-UP-UP

2шт.

19

07000-13032

O-RING

SN: A60001-UP-UP

2шт.

20

07371-31049

FLANGE, SPLIT

SN: A60001-UP-UP

4шт.

21

07372-01035

BOLT

SN: A60001-UP-UP

8шт.

22

01643-51032

WASHER

SN: A60001-UP-UP

8шт.

23

07128-11000

JOINT, SWIVEL

SN: A60001-UP-UP

2шт.

24

425-882-1140

TUBE - L.H.

SN: A60001-UP-UP

1шт.

25

425-882-1150

TUBE - R.H.

SN: A60001-UP-UP

1шт.

26

07000-13035

O-RING

SN: A60001-UP-UP

2шт.

27

01010-31060

BOLT

SN: A60001-UP-UP

8шт.

28

01643-51032

WASHER

SN: A60001-UP-UP

8шт.

29

07124-20611

HOSE

SN: A60001-UP-UP

4шт.

30

07000-13025

O-RING

SN: A60001-UP-UP

8шт.

31

07371-30638

FLANGE, SPLIT

SN: A60001-UP-UP

16шт.

32

01010-30830

BOLT

SN: A60001-UP-UP

32шт.

33

01643-50823

WASHER

SN: A60001-UP-UP

32шт.

34

TUBE - L.H. (SEE FIG. H4200-14A0)

SN: A60001-UP-UP

1шт.

35

TUBE - R.H. (SEE FIG. H4200-14A0)

SN: A60001-UP-UP

1шт.

36

07000-13032

O-RING

SN: A60001-UP-UP

2шт.

37

01010-31065

BOLT

SN: A60001-UP-UP

8шт.

38

01643-51032

WASHER

SN: A60001-UP-UP

8шт.

39

COLLAR (SEE FIG. H4200-14A0)

SN: A60001-UP-UP

2шт.

40

01010-31095

BOLT

SN: A60001-UP-UP

2шт.

41

01643-31032

WASHER

SN: A60001-UP-UP

4шт.

42

01580-11008

NUT

SN: A60001-UP-UP

2шт.

43

CLAMP (SEE FIG. H4200-14A0)

SN: A60001-UP-UP

3шт.

44

203-62-21720

SPACER

SN: A60001-UP-UP

3шт.

45

01010-31040

BOLT

SN: A60001-UP-UP

3шт.

46

01643-31032

WASHER

SN: A60001-UP-UP

3шт.

47

07283-23442

CLIP

SN: A60001-UP-UP

2шт.

48

01599-01011

NUT

SN: A60001-UP-UP

4шт.

49

01643-31032

WASHER

SN: A60001-UP-UP

4шт.

50

ANGLE (SEE FIG. T4120-05A0)

SN: A60001-UP-UP

2шт.

Выбрано товаров: 0