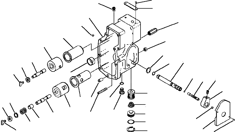
Запчасти Komatsu WA500-1LC FIG. A-A ТОПЛИВН. НАСОС КОЖУХ ДВИГАТЕЛЬ

Схема запчастей Komatsu WA500-1LC - FIG. A-A ТОПЛИВН. НАСОС КОЖУХ ДВИГАТЕЛЬ
37
29
33
1
39
4
2
30
7
17
14
22
16
15
13
5
18
21
19
20
26
38
6
3
35
11
27
8
34
23
36
10
12
31
24
28
25
9
32
37
FIT
1:1
100%

Артикул

Название

Примечание

Количество

|$0

1296 744 H91

HOUSING, FUEL PUMP

SN: A60001-UP-UP

1шт.

1

1296 742 H91

BODY - FUEL PUMP

SN: A60001-UP-UP

1шт.

2

1238 170 H1

SLEEVE - SPRING PACK

SN: A60001-UP-UP

1шт.

3

1238 613 H1

HOUSING - SPRING PACK

SN: A60001-UP-UP

1шт.

4

1238 887 H1

BALL, PLUG - AIR FUEL CONTROL

SN: A60001-UP-UP

3шт.

5

1238 137 H1

BUSHING - TACHOMETER DRIVE

SN: A60001-UP-UP

1шт.

6

1238 209 H1

DOWEL, RING

SN: A60001-UP-UP

2шт.

7

1295 889 H1

BARREL - GOVERNOR

SN: A60001-UP-UP

1шт.

|$8

1295 891 H1

SLEEVE - GOVERNOR BARREL

SN: A60001-UP-UP

1шт.

|$9

1295 890 H1

BARREL - GOVERNOR

SN: A60001-UP-UP

1шт.

8

1296 743 H91

BARREL - GOVERNOR

SN: A60001-UP-UP

1шт.

|$11

1295 888 H1

SLEEVE - GOVERNOR BARREL

SN: A60001-UP-UP

1шт.

|$12

1295 890 H1

BARREL - GOVERNOR

SN: A60001-UP-UP

1шт.

|$13

1295 891 H1

BUSHING - THROTTLE SHAFT

SN: A60001-UP-UP

1шт.

|$14

1241 340 H91

PLUNGER - GOVERNOR

SN: A60001-UP-UP

1шт.

9

1240 057 H1

DRIVER - GOVERNOR PLUNGER

SN: A60001-UP-UP

1шт.

10

1241 339 H1

PLUNGER - GOVERNOR

SN: A60001-UP-UP

1шт.

11

1239 551 H1

BEARING - THRUST

SN: A60001-UP-UP

1шт.

12

1250 107 H1

SPACER - BEARING

SN: A60001-UP-UP

1шт.

|$19

1237 932 H91

DRIVE, GOVERNOR PLUNGER - UPPER ASSEMBLY

SN: A60001-UP-UP

1шт.

13

1240 057 H1

DRIVER - GOVERNOR PLUNGER

SN: A60001-UP-UP

1шт.

14

1238 856 H1

PLUNGER - GOVERNOR

SN: A60001-UP-UP

1шт.

15

1239 683 H1

BEARING - THRUST

SN: A60001-UP-UP

1шт.

|$23

1237 933 H91

SHAFT - THROTTLE AND STOP

SN: A60001-UP-UP

1шт.

16

1238 141 H1

O-RING

SN: A60001-UP-UP

1шт.

17

1238 392 H1

RING, RETAINING

SN: A60001-UP-UP

1шт.

18

1238 883 H1

O-RING

SN: A60001-UP-UP

1шт.

19

1239 114 H2

SCREW - FUEL PUMP ADJUSTING

SN: A60001-UP-UP

1шт.

|$28

1294 268 H91

SHAFT - THROTTLE

SN: A60001-UP-UP

1шт.

20

1239 118 H1

STOP - THROTTLE LEVER

SN: A60001-UP-UP

1шт.

21

1239 119 H1

SCREW, SET - HEX FLAT SOCKET HEAD

SN: A60001-UP-UP

2шт.

22

1239 829 H1

SHAFT - THROTTLE

SN: A60001-UP-UP

1шт.

23

1238 591 H1

PLUG - FUEL SCREEN RETURN

SN: A60001-UP-UP

1шт.

24

1294 109 H1

O-RING

SN: A60001-UP-UP

1шт.

25

1238 249 H1

RING, RETAINING

SN: A60001-UP-UP

1шт.

26

1238 338 H1

SCREEN - FILTER

SN: A60001-UP-UP

1шт.

27

1295 608 H1

SPRING - COMPRESSION

SN: A60001-UP-UP

1шт.

28

1239 397 H1

SPRING - COMPRESSION

SN: A60001-UP-UP

1шт.

29

1240 021 H1

PLUG, PIPE

SN: A60001-UP-UP

1шт.

30

1238 086 H1

NUT - REGULAR HEXAGON

SN: A60001-UP-UP

2шт.

31

1238 884 H1

PLUG, BALL

SN: A60001-UP-UP

1шт.

32

1238 978 H1

COVER - FUEL CONTROL

SN: A60001-UP-UP

1шт.

33

1238 159 H1

NAMEPLATE

SN: A60001-UP-UP

1шт.

34

1239 661 H91

PLUG, THREADED

SN: A60001-UP-UP

4шт.

35

1239 669 H1

O-RING

SN: A60001-UP-UP

1шт.

36

1238 182 H1

SCREW, SET - SOCKET HEAD

SN: A60001-UP-UP

2шт.

37

1246 109 H1

SCREW, DRIVE

SN: A60001-UP-UP

4шт.

38

1238 144 H1

SHIM - 0.005 IN. (0.13 MM)

SN: A60001-UP-UP

-2шт.

|$48

1238 145 H1

SHIM - 0.010 IN. (0.25 MM)

SN: A60001-UP-UP

-2шт.

|$49

1238 146 H1

SHIM - 0.020 IN. (0.51 MM)

SN: A60001-UP-UP

-2шт.

39

1238 184 H1

NUT - FUEL PUMP ADJUSTING

SN: A60001-UP-UP

1шт.

Выбрано товаров: 0