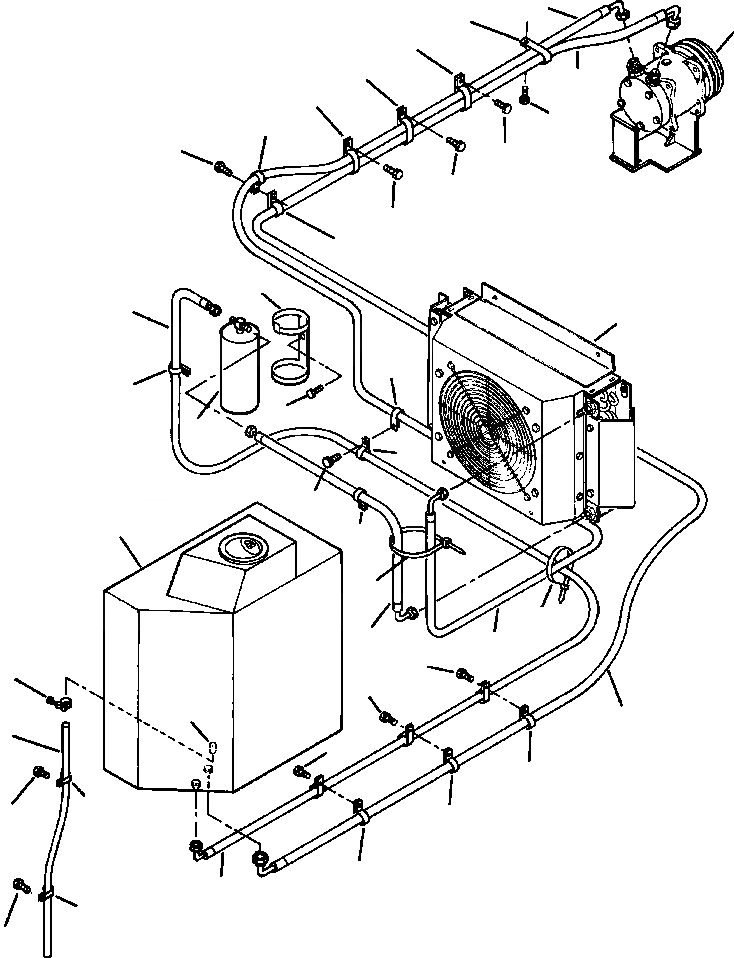
Запчасти Komatsu WA500-1LE КАБИНА ТРУБКИ КОНДИЦИОНЕРА РАМА

Схема запчастей Komatsu WA500-1LE - КАБИНА ТРУБКИ КОНДИЦИОНЕРА РАМА
12
14
2
14
14
13
14
15
16
15
15
15
15
17
6
8
3
16
9
7
5
18
19
1
11
21
20
4
12
10
23
10
22
13
26
10
17
24
25
17
17
8
24
25
FIT
1:1
100%

Артикул

Название

Примечание

Количество

1

UNIT, AIR CONDITIONER (SEE PG 05-114)

-29шт.

2

AIR CONDITIONER COMPRESSOR (SEE PG 05-106)

-29шт.

3

CONDENSER ASSEMBLY (SEE PG 05-126)

-29шт.

4

425-963-A320

HOSE, CONDENSER TO DRIER

1шт.

5

425-963-A220

RECEIVER DRIER

1шт.

6

425-963-A210

BRACKET, RECEIVER DRIER

1шт.

|$6

425-963-A720

BOLT, M5 X .8 X 20

4шт.

7

01435-00820

BOLT

2шт.

8

425-963-A330

HOSE, DRIER TO EVAPORATOR

1шт.

9

04434-51810

CLIP

4шт.

10

01435-01014

BOLT

3шт.

11

21T-68-11320

CLIP

1шт.

12

425-963-A310

HOSE, COMPRESSOR TO CONDENSER

1шт.

13

425-963-A340

HOSE, EVAPORATOR TO COMPRESSOR

1шт.

14

176-911-4180

CLIP

5шт.

15

01435-01014

BOLT

6шт.

16

04434-52210

CLIP

2шт.

17

04434-52211

CLIP

4шт.

18

175-804-3230

CLAMP

1шт.

19

01435-01020

BOLT

1шт.

20

08034-20519

BAND

1шт.

21

08034-20834

BAND

1шт.

22

425-963-A360

FITTING, DRAIN HOSE

1шт.

23

08019-01014

CLIP

1шт.

24

04434-51610

CLIP

2шт.

25

01435-01014

BOLT

2шт.

26

425-963-A350

HOSE ASSEMBLY, DRAIN

1шт.

|$27

425-963-AF10

HOSE, DRAIN

1шт.

|$28

425-963-AA10

VALVE, DRAIN CHECK

1шт.

|$29

425-963-AA70

UNION, HOSE BARB

1шт.

Выбрано товаров: 30