Запчасти Komatsu WA500-1LE ОТОПИТЕЛЬ РАМА

Схема запчастей Komatsu WA500-1LE - ОТОПИТЕЛЬ РАМА
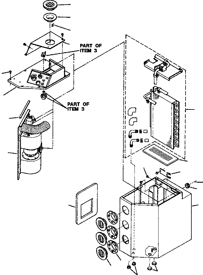
9
18
19
8
16
5
3
17
4
14
15
1
11
10
6
13
1
7
9
2
12
FIT
1:1
100%

Артикул

Название

Примечание

Количество

|$0

425-942-A010

UNIT ASSEMBLY, HEATER

1шт.

1

425-963-A620

HOUSING, WELDMENT

1шт.

2

425-942-A220

PLUG, HOLE

2шт.

3

COIL ASSEMBLY, HEATER (SEE PG 01-076)

-29шт.

4

FAN ASSEMBLY (SEE PG 05-132)

-29шт.

5

COVER ASSEMBLY (SEE PG 05-136)

-29шт.

6

425-963-A980

GROMMET, 1 IN

1шт.

7

425-963-AB30

MOUNT, VENT

3шт.

8

425-963-A540

PLATE, TOP, SWITCH BOX

1шт.

9

425-963-AB20

VENT ASSEMBLY

4шт.

10

HARNESS, WIRING (SEE PG 05-132)

-29шт.

11

425-963-A560

PLATE, COVER

1шт.

12

425-963-A990

GROMMET, 7/8 IN

2шт.

13

425-963-A590

GASKET, FOAM

1шт.

14

425-963-A550

SUPPORT, COIL

1шт.

15

425-963-A860

BOLT, 1/4-20 X 1/2 TORX TRUSS

3шт.

16

425-963-A850

BOLT, #10-32 X 1/2 TORX TRUSS

13шт.

17

425-963-AE90

FOAM, FAN ASSEMBLY 9 1/4 LONG

1шт.

18

425-963-AB10

ADAPTER, HOSE 2 1/2

1шт.

19

425-963-A750

CLIP, HOSE

3шт.

Выбрано товаров: 20