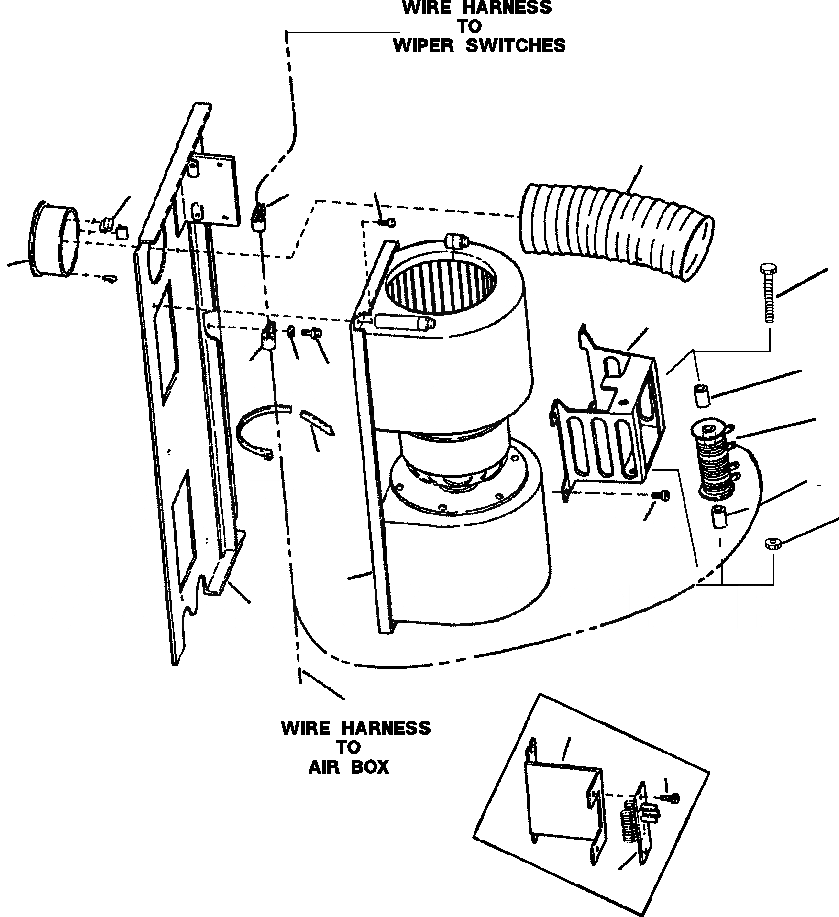
Запчасти Komatsu WA500-1LE ОТОПИТЕЛЬ ВЕНТИЛЯТОР ASSEMBLY РАМА

Схема запчастей Komatsu WA500-1LE - ОТОПИТЕЛЬ ВЕНТИЛЯТОР ASSEMBLY РАМА
13
5B
5C
5A
5C
5D
6A
3A
10
14
11
7
4
9
7
8
12
2
1
13
3
6
5
FIT
1:1
100%

Артикул

Название

Примечание

Количество

1

425-963-A630

PLATE, FAN ASSEMBLY

1шт.

2

425-963-AE30

BLOWER ASSEMBLY - EARLIER VERSION

1шт.

2

425-963 AE31

BLOWER ASSEMBLY - CURRENT VERSION

1шт.

3

425-963-A690

BRACKET, RESISTOR MOUNTING - Z TYPE

1шт.

3A

425-963-A691

BRACKET, RESISTOR MOUNTING - U TYPE

1шт.

4

425-963-A970

ADAPTER, FLEX HOSE

1шт.

5

425-963-AA30

PAD, RESISTOR - EARLIER VERSION

1шт.

5A

425-963-AA31

RESISTOR - CURRENT VERSION

1шт.

5B

26 288 R1

BOLT, RESISTOR

1шт.

5C

425-963-AF30

BUSHING, RESISTOR

2шт.

5D

9413 992

NUT, RESISTOR

1шт.

6

425-963-A850

BOLT, #10-32 X 1/2 TORX TRUSS

2шт.

6A

425-963-AF40

SCREW, MOUNTING

4шт.

7

425-963-AA60

CLAMP, WIRING

2шт.

8

425-963-A790

BOLT, #10-32 X 1/2 FLANGED HEX

2шт.

9

147 579

WASHER, 3/16 FLAT

2шт.

10

425-963-AE70

HOSE, DUCT

1шт.

11

425-963-A750

CLIP, HOSE

3шт.

12

080-342-0519

STRAP, NYLON TIE

1шт.

13

425-963-AD30

HARNESS, WIRING

1шт.

13

425-963-AD31

HARNESS, WIRING

1шт.

14

187 828

BOLT, #10-32 X 1/2 CAP SOCKET

5шт.

|$54

-1шт.

|$23

F1 - USED WITH Z-TYPE RESISTOR MOUNTING BRACKET, ITEM 3. THE RESISTOR

-1шт.

|$24

AND ALL PARTS ARE REPLACED. ORDER ALL OF THE FOLLOWING PARTS:

-1шт.

3A

425-963-A691

BRACKET, RESISTOR MOUNTING - U TYPE

1шт.

5A

425-963-AA31

RESISTOR

1шт.

5B

26 288 R1

BOLT, RESISTOR

1шт.

5C

425-963-AF30

BUSHING, RESISTOR

2шт.

5D

9413 992

NUT, RESISTOR

1шт.

6A

425-963-AF40

SCREW, MOUNTING

4шт.

13

425-963-AD31

HARNESS, WIRING

1шт.

|$55

-1шт.

|$33

F2 - USED WITH U-TYPE RESISTOR MOUNTING BRACKET, ITEM 3A.

-1шт.

|$56

-1шт.

|$57

-1шт.

|$36

F3 - ORDER BLOWER ASSEMBLY, 425-963-AE31. WHEN REPLACING AN EARLIER

-1шт.

|$37

VERSION BLOWER ASSEMBLY, HAVING Z-TYPE RESISTOR MOUNTING BRACKET,

-1шт.

|$38

ITEM 3 AND RESISTOR, ITEM 5 WITH CURRENT VERSION BLOWER, ALSO ORDER

-1шт.

|$39

ALL OF THE FOLLOWING PARTS:

-1шт.

3A

425-963-A691

BRACKET, RESISTOR MOUNTING - U TYPE

1шт.

5A

425-963-AA31

RESISTOR

1шт.

5B

26 288 R1

BOLT, RESISTOR

1шт.

5C

425-963-AF30

BUSHING, RESISTOR

2шт.

5D

9413 992

NUT, RESISTOR

1шт.

6A

425-963-AF40

SCREW, MOUNTING

4шт.

13

425-963-AD31

HARNESS, WIRING

1шт.

|$58

-1шт.

|$48

F4 - USED WITH EARLIER VERSION RESISTOR, ITEM 5 AND Z-TYPE RESISTOR

-1шт.

|$49

MOUNTING BRACKET, ITEM 3. THE RESISTOR AND ALL PARTS ARE REPLACED.

-1шт.

|$59

-1шт.

|$60

-1шт.

|$52

F5 - USED WITH CURRENT VERSION RESISTOR, ITEM 5A AND U-TYPE RESISTOR

-1шт.

|$53

MOUNTING BRACKET, ITEM 3A.

-1шт.

Выбрано товаров: 54