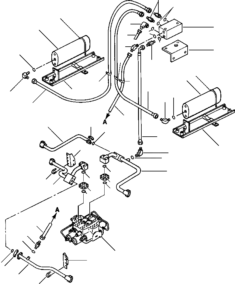
Запчасти Komatsu WA500-1LE ГИДРОЛИНИЯ УПРАВЛЯЮЩ. КЛАПАН - E.C.S.S. КЛАПАН - АККУМУЛЯТОРS УПРАВЛ-Е РАБОЧИМ ОБОРУДОВАНИЕМ

Схема запчастей Komatsu WA500-1LE - ГИДРОЛИНИЯ УПРАВЛЯЮЩ. КЛАПАН - E.C.S.S. КЛАПАН - АККУМУЛЯТОРS УПРАВЛ-Е РАБОЧИМ ОБОРУДОВАНИЕМ
14
13
23
16
19
22
13
29
13
16
20
13
28
14
26
25
28
28
24
27
17
13
17
21
15
8
10
9
18
11
27
17
13
6
4
4
12
2
5
3
2
3
15
14
13
1
11
9
10
7
12
FIT
1:1
100%

Артикул

Название

Примечание

Количество

1

VALVE, 2-SPOOL (SEE PG 06-008)

-29шт.

|$1

VALVE, 3-SPOOL (SEE PG 06-018)

-29шт.

2

421-62-13740

ADAPTER

2шт.

|$3

01252-41225

BOLT, ADAPTER MOUNTING

8шт.

3

07000-13048

O-RING

2шт.

4

07000-13045

O-RING

2шт.

5

TUBE (SEE PG 06-060)

-29шт.

|$7

01010-51275

BOLT, TUBE MOUNTING

4шт.

|$8

01643-51032

WASHER

4шт.

6

425-S99-1170

TUBE, BOOM CYLINDER HEAD

1шт.

|$10

01010-51275

BOLT, TUBE MOUNTING

4шт.

|$11

01643-51032

WASHER

4шт.

7

425-S99-1160

TUBE, BOOM CYLINDER BOTTOM

1шт.

8

TUBE (SEE PG 06-060)

-29шт.

9

07000-13038

O-RING

2шт.

10

07371-31255

FLANGE

4шт.

|$16

07372-21035

BOLT, FLANGE

8шт.

|$17

01643-51032

WASHER

8шт.

11

425-62-13240

BRACKET

1шт.

|$19

01435-01230

BOLT, BRACKET MOUNTING

4шт.

12

07283-33450

U-BOLT, TUBE CLAMPING

4шт.

|$21

426-09-11160

NUT

8шт.

|$22

01643-31032

WASHER

8шт.

13

07002-12434

O-RING

9шт.

14

07230-10522

NIPPLE

4шт.

15

425-S99-1220

HOSE, VALVE TO LIFT CYLINDER TUBE

1шт.

16

07236-50522

ELBOW

2шт.

|$27

07042-30108

PLUG

2шт.

17

07235-50522

ELBOW

3шт.

|$29

07236-50522

ELBOW

3шт.

18

423-S99-2210

HOSE, VALVE TO LIFT CYLINDER TUBE

1шт.

19

421-S99-1131

VALVE, E.C.S.S

1шт.

|$32

01011-51225

BOLT, MOUNT VALVE TO BRACKET

2шт.

|$33

01643-31232

WASHER

2шт.

20

425-S99-1250

BRACKET, VALVE MOUNTING

1шт.

|$35

01435-01225

BOLT, MOUNT BRACKET

2шт.

21

07123-00508

HOSE, VALVE TO LOW ACCUMULATOR

1шт.

22

ACCUMULATOR ASSY, LOW PRESSURE (SEE PG 06-064)

-29шт.

|$38

01010-51230

BOLT, MOUNT ACCUMULATOR

2шт.

|$39

01643-31232

WASHER

2шт.

23

421-S99-1351

U-BOLT, MOUNT ACCUMULATOR

1шт.

|$41

01643-31232

WASHER

2шт.

|$42

426-43-19150

NUT

2шт.

24

07123-00510

HOSE, VALVE TO HIGH ACCUMULATOR

1шт.

25

ACCUMULATOR ASSY, HIGH PRESSURE (SEE PG 06-066)

-29шт.

|$45

01010-51230

BOLT, MOUNT ACCUMULATOR

2шт.

|$46

01643-31232

WASHER

2шт.

26

421-S99-1351

U-BOLT, MOUNT ACCUMULATOR

1шт.

|$48

01643-31232

WASHER

2шт.

|$49

426-43-19150

NUT

2шт.

27

425-S99-1110

BRACKET, MOUNT HIGH AND LOW ACCUMULATOR

2шт.

|$51

01010-51270

BOLT, ACCUMULATOR MOUNTING BRACKET

8шт.

|$52

01643-31232

WASHER

16шт.

|$53

01580-11210

NUT

8шт.

28

04434-53411

CLAMP, HOSE

3шт.

|$55

07095-20523

CUSHION, HOSE CLAMP

3шт.

|$56

01435-01016

BOLT, MOUNT HOSE CLAMP

3шт.

29

HOSE, VALVE TO RETURN TUBE (SEE PG 06-068)

-29шт.

Выбрано товаров: 58