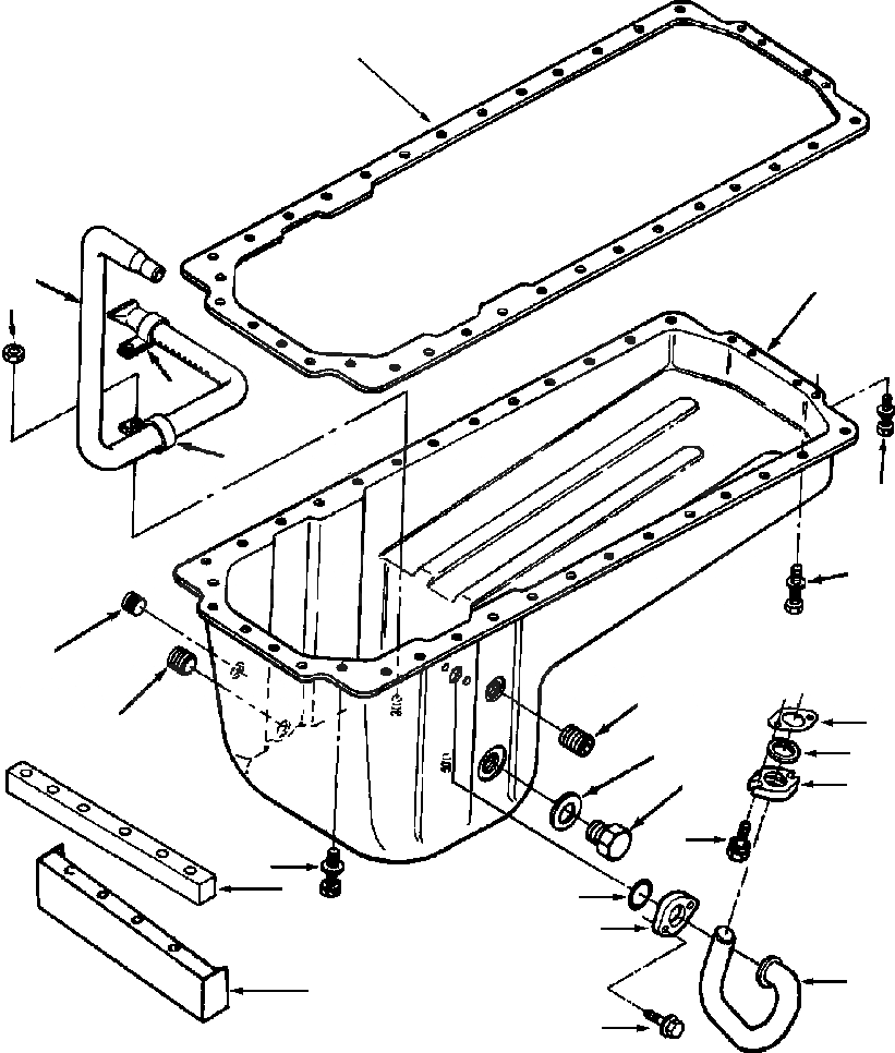
Запчасти Komatsu WA500-1LE МАСЛЯНЫЙ ПОДДОН БЛОК ЦИЛИНДРОВ

Схема запчастей Komatsu WA500-1LE - МАСЛЯНЫЙ ПОДДОН БЛОК ЦИЛИНДРОВ
18
4
3
20
21
21
17
16
6
6
9
7
5
14
8
13
15
22
1
11
12
2
23
10
FIT
1:1
100%

Артикул

Название

Примечание

Количество

1

1295 907 H1

BRACKET, SHIPPING

1шт.

2

1295 913 H1

TUBE, LUBE OIL TRANSFER

1шт.

|$2

1307 394 H91

ASSEMBLY, OIL PAN

1шт.

3

NSS

PAN, OIL

1шт.

4

1295 902 H1

TUBE, LUBE OIL SUCTION

1шт.

5

1240 006 H1

WASHER, PLAIN (1 1/32 INCH)

1шт.

6

1239 159 H1

PLUG, PIPE (1/2 NPT)

2шт.

7

1239 161 H1

PLUG, PIPE (1 NPT)

1шт.

8

1246 402 H1

PLUG, THREADED (1 - 18 UNS)

1шт.

9

1238 374 H1

GASKET, OIL SUCTION CONNECTION

1шт.

10

1239 212 H1

BOLT (3/8 - 16x1 INCH)

2шт.

11

1295 912 H1

O-RING

1шт.

12

1295 914 H1

PLATE, CLAMPING

1шт.

13

1295 915 H1

RETAINER, SEAL

1шт.

14

1295 916 H1

SEAL, RECTANGULAR RING

1шт.

15

1241 337 H1

BOLT (3/8 - 16x1 1/2 INCH)

2шт.

16

1295 903 H1

BOLT (7/16 - 20x1 1/8 INCH)

24шт.

17

1295 905 H2

BOLT

4шт.

18

1295 904 H1

GASKET, OIL PAN

1шт.

|$19

NOT USED

-1шт.

20

1307 471 H1

NUT, HEX FLANGE

2шт.

21

1295 910 H1

CLIP

2шт.

22

1294 074 H1

BOLT (7/16 - 14x1 7/8 INCH)

4шт.

23

1295 906 H1

SEAL, DUST

1шт.

Выбрано товаров: 0