Качественные детали и логистика
Оригинальные и аналоговые запчасти с доставкой по России, Казахстану и Беларуси
©2022 PartSell ООО "Система" ИНН 2463123282 ОГРН 1212400004838
Центральный офис: г. Красноярск, Академика Киренского, д.87, пом.4
Телефон: 8 (800) 777-65-74 Email: zakaz@partsell.ru
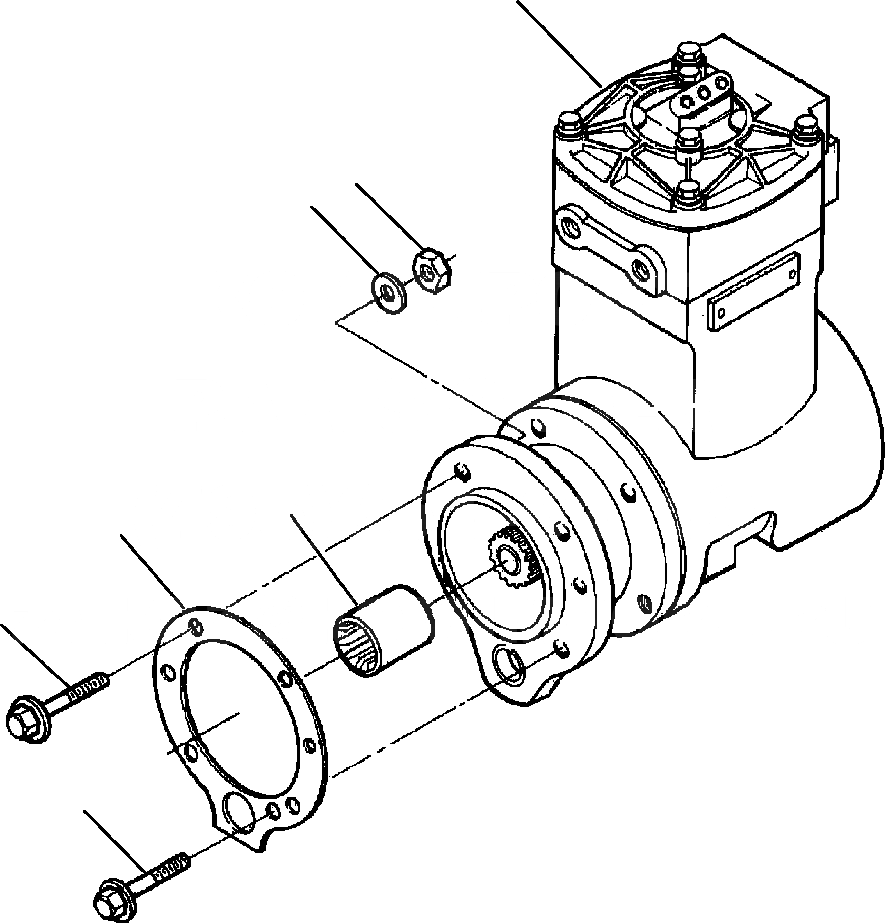
КРЕПЛЕНИЕ КОНДИЦИОНЕРА
№
Артикул
Название
Примечание
Количество
1
1239 500 H91
COMPRESSOR AIR
1шт.
2
1238 079 H1
NUT, HEAVY HEX (7/16 - 14 UNC)
2шт.
3
1240 031 H1
WASHER, PLAIN
4
SLEEVE, SPLINE COUPLING (SEE PG E7-008)
-29шт.
5
GASKET, AIR COMPRESSOR (SEE PG E7-008)
6
BOLT (7/16 - 14x1 7/8 INCH) (SEE PG E7-008)
Выбрано товаров: 0