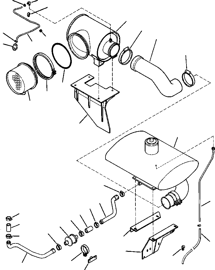
Запчасти Komatsu WA500-1LE ВОЗДУХООЧИСТИТЕЛЬ И ГЛУШИТЕЛЬ СОЕДИН-ЕS КОМПОНЕНТЫ ДВИГАТЕЛЯ & ЭЛЕКТРИКА

Схема запчастей Komatsu WA500-1LE - ВОЗДУХООЧИСТИТЕЛЬ И ГЛУШИТЕЛЬ СОЕДИН-ЕS КОМПОНЕНТЫ ДВИГАТЕЛЯ & ЭЛЕКТРИКА
8
9
13
1
6
11
7
14
12
10
29
3
4
2
5
15
20
26
18
22
22
21
22
21
23
20
22
17
27
16
28
25
19
24
FIT
1:1
100%

Артикул

Название

Примечание

Количество

|$0

425-01-A2100

AIR AND PRE-CLEANER ASSEMBLY

-1шт.

1

AIR CLEANER ASSEMBLY (SEE PG 01-008)

-29шт.

2

425-01-A2120

PRE-CLEANER

1шт.

3

225 067 R1

O RING

1шт.

4

1130 267 C1

CLAMP

1шт.

5

425-01-A2312

BRACKET, AIR CLEANER MOUNTING

1шт.

|$6

24 869 R1

BOLT, 1/2NC X 3 1/2

2шт.

|$7

01643-31445

WASHER, 1/2

2шт.

|$8

27 370 R1

BOLT, 5/8NF X 2 1/4

2шт.

|$9

01643-31645

WASHER

2шт.

6

690 065 C1

CLAMP

1шт.

7

425-01-A2320

HOSE, INTAKE

1шт.

8

NSS

ELBOW 1/8 - 27 NPT

1шт.

9

NSS

NUT

1шт.

10

08671-50110

HOSE, SERVICE INDICATOR

1шт.

|$15

105 408

COUPLING, 1/8 PIPE

1шт.

11

NSS

CLAMP

1шт.

12

425-01-A2430

INDICATOR, AIR CLEANER SERVICE

1шт.

|$18

443 976

NIPPLE, 1/8 PIPE

1шт.

13

04434-51410

CLAMP, HOSE

1шт.

|$20

01435-01016

BOLT, MOUNT CLAMP

1шт.

14

08037-01610

GROMMET

1шт.

15

425-02-A2010

MUFFLER

1шт.

|$23

01010-51230

BOLT, MUFFLER TO BRACKET

4шт.

|$24

01643-31232

WASHER

8шт.

|$25

04434-51510

CLIP

2шт.

|$26

01580-01210

NUT

4шт.

|$27

702 327 C91

CLAMP, MUFFLER TO TURBOCHARGER

1шт.

16

425-02-A2211

BRACKET, MUFFLER MOUNTING, L.H

1шт.

|$29

24 840 R1

BOLT, 3/8NC X 1

4шт.

|$30

01643-31032

WASHER

4шт.

17

425-02-A2220

BRACKET, MUFFLER MOUNTING, R.H

1шт.

|$32

01010-51230

BOLT

2шт.

|$33

01643-31232

WASHER

2шт.

18

425-01-A2340

TUBE, ASPIRATOR - MUFFLER SIDE

1шт.

19

425-01-A2350

TUBE, ASPIRATOR - AIR CLEANER SIDE

1шт.

20

108 575

CLAMP, ASPIRATOR TUBES

2шт.

21

425-01-A1390

HOSE, ASPIRATOR LINE

2шт.

22

690 062 C1

CLAMP, HOSE

4шт.

23

425-01-A1380

VALVE, CHECK

1шт.

24

425-02-A2030

BRACKET, CHECK VALVE MOUNTING

1шт.

25

391 156 R1

CLAMP, CHECK VALVE

1шт.

|$42

01010-51025

BOLT

1шт.

|$43

24 840 R1

BOLT, 3/8-16 X 1

1шт.

|$44

01643-31032

WASHER

1шт.

26

425-02-A2040

TUBE, MUFFLER DRAIN

1шт.

|$46

08034-20536

BAND

1шт.

|$47

08036-01414

CLIP

1шт.

|$48

9402 708

FITTING

1шт.

|$49

444 028

BUSHING, REDUCER

1шт.

27

07287-01011

HOSE, MUFFLER DRAIN

1шт.

|$51

07281-00167

CLAMP

1шт.

28

08036-01414

CLIP, HOSE

1шт.

|$53

01435-01016

BOLT

-2шт.

|$54

08035-01510

CLIP

1шт.

29

690 069 C1

CLAMP

1шт.

Выбрано товаров: 56