Запчасти Komatsu WA500-1LE ДВИГАТЕЛЬ МАСЛ. И ДВИГАТЕЛЬ БЛОК ХЛАДАГЕНТ ДРЕНАЖН. КОМПОНЕНТЫ ДВИГАТЕЛЯ & ЭЛЕКТРИКА

Схема запчастей Komatsu WA500-1LE - ДВИГАТЕЛЬ МАСЛ. И ДВИГАТЕЛЬ БЛОК ХЛАДАГЕНТ ДРЕНАЖН. КОМПОНЕНТЫ ДВИГАТЕЛЯ & ЭЛЕКТРИКА
9
10
6
7
8
11
12
3
13
12
5
2
13
1
15
14
4
4
FIT
1:1
100%

Артикул

Название

Примечание

Количество

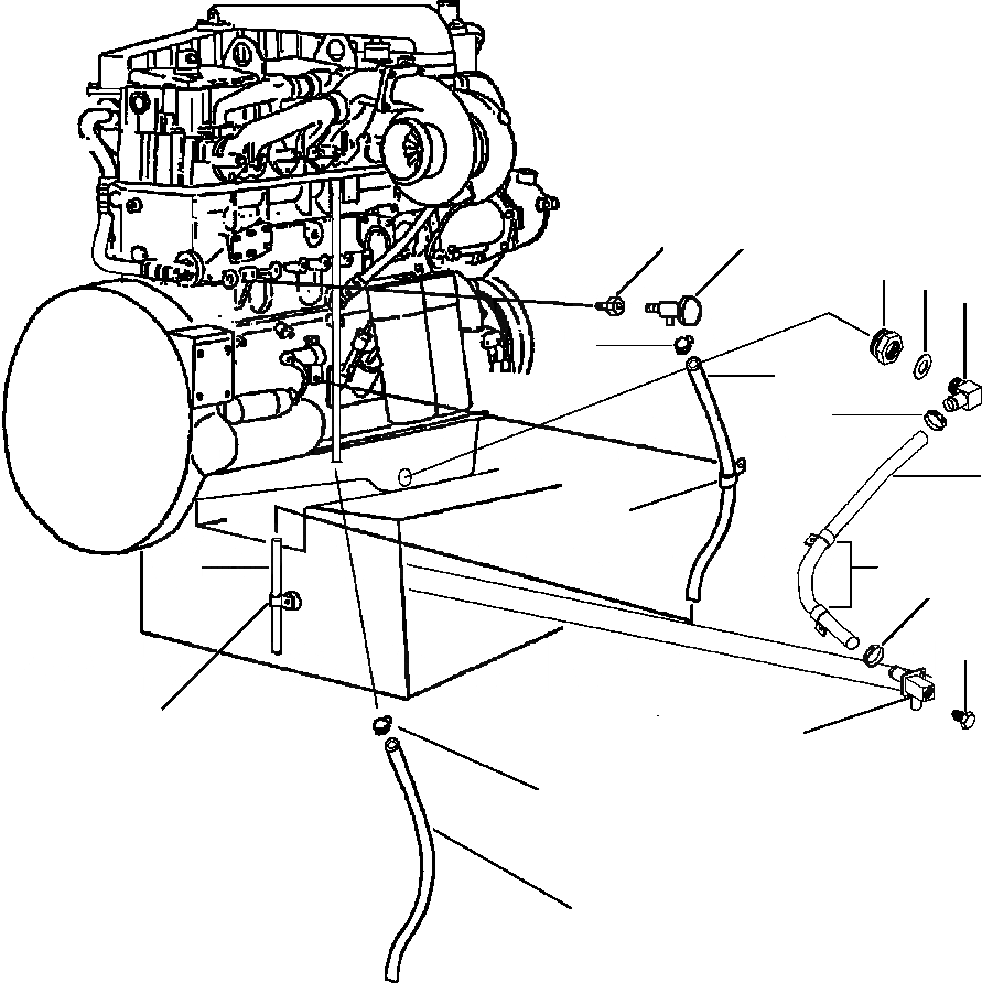
1

425-01-12230

TUBE, ENGINE OIL DRAIN

1шт.

|$1

01010-51030

BOLT, DRAIN TUBE

2шт.

|$2

01643-31032

WASHER

2шт.

2

424-01-11110

PLUG, DRAIN

1шт.

3

07260-22090

HOSE, ENGINE OIL DRAIN

1шт.

4

07281-00359

CLAMP, DRAIN HOSE

2шт.

5

08036-03014

CLIP, HOSE

2шт.

|$7

01010-51016

BOLT, CLIP

2шт.

|$8

01643-31032

WASHER

2шт.

6

425-01-12220

BUSHING, AT OIL PAN

1шт.

7

6610-81-4150

GASKET

1шт.

8

418-03-10150

ELBOW

1шт.

9

426-01-11720

NIPPLE, ENGINE BLOCK DRAIN

1шт.

10

1026 425 C1

VALVE, SHUT-OFF (ENGINE BLOCK DRAIN)

1шт.

11

07281-00167

CLAMP, HOSE

1шт.

12

07287-01011

HOSE, ENGINE BLOCK DRAIN

1шт.

13

08035-01510

CLIP, DRAIN HOSE

1шт.

|$17

08036-01414

BOLT, CLIP

1шт.

14

07287-01670

HOSE, ENGINE VENT, EXTENSION

1шт.

15

07281-00259

CLAMP, HOSE

1шт.

Выбрано товаров: 0