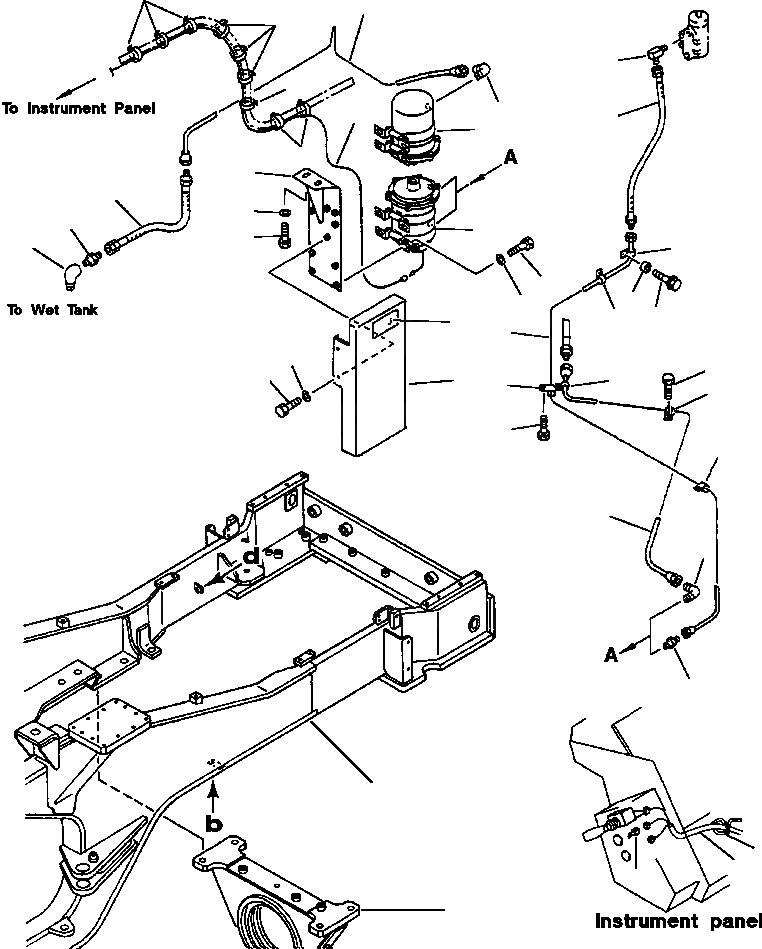
Запчасти Komatsu WA500-1LE ВОЗД. ВЛАГООТДЕЛИТЕЛЬ ТРУБЫ ВЕДУЩ. ВАЛ

Схема запчастей Komatsu WA500-1LE - ВОЗД. ВЛАГООТДЕЛИТЕЛЬ ТРУБЫ ВЕДУЩ. ВАЛ
28
12
28
26
28
11
27
25
1
28
3
13
7
14
2
6
15
21
4
22
5
23
21
29
20
10
18
9
17
8
21
17
24
21
16
11
19
32
28
27
30
31
FIT
1:1
100%

Артикул

Название

Примечание

Количество

1

421-35-16101

CHAMBER ASSEMBLY

1шт.

2

DRYER ASSEMBLY, AIR (SEE PG 03-070)

-29шт.

3

425-W90-1110

BRACKET

1шт.

4

01010-51025

BOLT

8шт.

5

01643-31032

WASHER

8шт.

6

01010-51225

BOLT

2шт.

7

01643-31232

WASHER

2шт.

8

425-W90-1120

COVER

1шт.

9

01010-51020

BOLT

2шт.

10

01643-31032

WASHER

2шт.

11

07217-71521

ELBOW

2шт.

12

425-W90-1142

TUBE

1шт.

13

425-35-13260

HOSE

1шт.

14

424-09-12580

CONNECTOR

1шт.

15

07323-B0300

ELBOW

1шт.

16

425-W90-1132

TUBE

1шт.

17

04434-51510

CLIP

2шт.

18

01435-01016

BOLT

2шт.

19

427-35-12620

CONNECTOR

1шт.

20

425-W90-1152

TUBE

1шт.

21

04434-50610

CLIP

4шт.

22

421-06-12780

SPACER

2шт.

23

01435-01045

BOLT

2шт.

24

01435-01016

BOLT

2шт.

25

427-35-12840

HOSE

1шт.

26

19M-60-15320

ELBOW

1шт.

27

425-W90-1330

WIRE, DRYER TO INSTRUMENT PANEL

1шт.

28

08034-20519

STRAP, TIE

14шт.

29

423-93-11180

PLATE, OPERATING ENGLISH

1шт.

|$29

423-93-31180

PLATE, OPERATING FRENCH

1шт.

|$30

423-V00-1180

PLATE, OPERATING SPANISH

1шт.

|$31

423-93-11630

PLATE, OPERATING GERMAN

1шт.

30

424-W90-1140

CONNECTOR, AT LH SIDE INSTRUMENT PANEL

1шт.

31

425-W90-1320

SUPPORT, REAR (MODIFIED PART)

1шт.

32

425-W90-1311

FRAME, REAR (MODIFIED)

1шт.

|$35

08036-01414

CLIP

6шт.

|$36

01010-51020

BOLT

3шт.

|$37

01643-31032

WASHER

6шт.

|$38

01580-11008

NUT

3шт.

Выбрано товаров: 39