Запчасти Komatsu WA500-3 ГИДР. БАК. (МАСЛ. ОБОГРЕВАТЕЛЬ.) (МОРОЗОУСТОЙЧИВ. СПЕЦ-Я СПЕЦ-Я¤)(№-) ГИДРАВЛИКА

Схема запчастей Komatsu WA500-3 - ГИДР. БАК. (МАСЛ. ОБОГРЕВАТЕЛЬ.) (МОРОЗОУСТОЙЧИВ. СПЕЦ-Я СПЕЦ-Я¤)(№-) ГИДРАВЛИКА
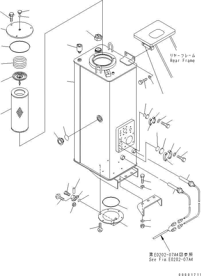
1
2
3
4
5
6
7
8
9
10
11
12
13
14
15
16
17
18
19
20
21
22
23
24
25
25
26
27
28
29
30
30
31
32
33
34
35
35
36
37
38
38
FIT
1:1
100%

Артикул

Название

Примечание

Количество

1

425-Z91-2171

TANK,HYDRAULIC

SN: 52001-UP

1шт.

2

07051-01000

CAP

SN: 52001-UP

1шт.

3

425-60-15230

COVER

SN: 52001-UP

1шт.

4

07000-15200

O-RING

SN: 52001-UP

1шт.

5

01435-01020

BOLT

SN: 52001-UP

6шт.

|$7

426-60-15150

VALVE ASS'Y

SN: 52001-UP

1шт.

6

6693-22-5610

BODY,VALVE

SN: 52001-UP

1шт.

7

6693-22-5620

VALVE

SN: 52001-UP

1шт.

8

04020-00514

PIN,DOWEL

SN: 52001-UP

1шт.

9

426-60-15160

PLUG

SN: 52001-UP

1шт.

10

07000-73028

O-RING

SN: 52001-UP

1шт.

11

01435-01025

BOLT

SN: 52001-UP

2шт.

12

421-60-11622

GAUGE,SIGHT

SN: 52001-UP

1шт.

13

07002-15234

O-RING

SN: 52001-UP

1шт.

14

419-60-15231

BREATHER ASS'Y

SN: 52001-UP

1шт.

14

419-60-15370

O-RING

SN: 52001-UP

2шт.

14

419-60-15380

O-RING

SN: 52001-UP

1шт.

14

419-60-15390

O-RING

SN: 52001-UP

1шт.

14

285-62-17320

ELEMENT

SN: 52001-UP

1шт.

14

424-60-15220

RING,SNAP

SN: 52001-UP

1шт.

15

07063-01383

ELEMENT

SN: 52001-UP

1шт.

16

419-60-25410

VALVE ASS'Y

SN: 52001-UP

1шт.

17

195-60-16330

SPRING

SN: 52001-UP

1шт.

18

07000-15210

O-RING

SN: 52001-UP

1шт.

19

425-60-25120

COVER

SN: 52001-UP

1шт.

20

01435-01230

BOLT

SN: 52001-UP

3шт.

21

424-60-15150

PLUG

SN: 52001-UP

1шт.

22

07000-12010

O-RING

SN: 52001-UP

1шт.

23

01010-31645

BOLT

SN: 52001-UP

3шт.

24

01580-01613

NUT

SN: 52001-UP

3шт.

25

01643-31645

WASHER

SN: 52001-UP

6шт.

26

01010-31640

BOLT

SN: 52001-UP

2шт.

27

01643-31645

WASHER

SN: 52001-UP

2шт.

28

07378-11400

HEAD,SLEEVE

SN: 52001-UP

1шт.

29

07000-13048

O-RING

SN: 52001-UP

1шт.

30

07371-31465

FLANGE,SPLIT

SN: 52001-UP

2шт.

31

07372-21240

BOLT

SN: 52001-UP

4шт.

32

01643-51232

WASHER

SN: 52001-UP

4шт.

33

07378-11000

HEAD,SLEEVE

SN: 52001-UP

1шт.

34

07000-13032

O-RING

SN: 52001-UP

1шт.

35

07371-31049

FLANGE,SPLIT

SN: 52001-UP

2шт.

36

07372-21035

BOLT

SN: 52001-UP

4шт.

37

01643-51032

WASHER

SN: 52001-UP

4шт.

38

600-815-8540

HEATER

SN: 52001-UP

2шт.

Выбрано товаров: 44