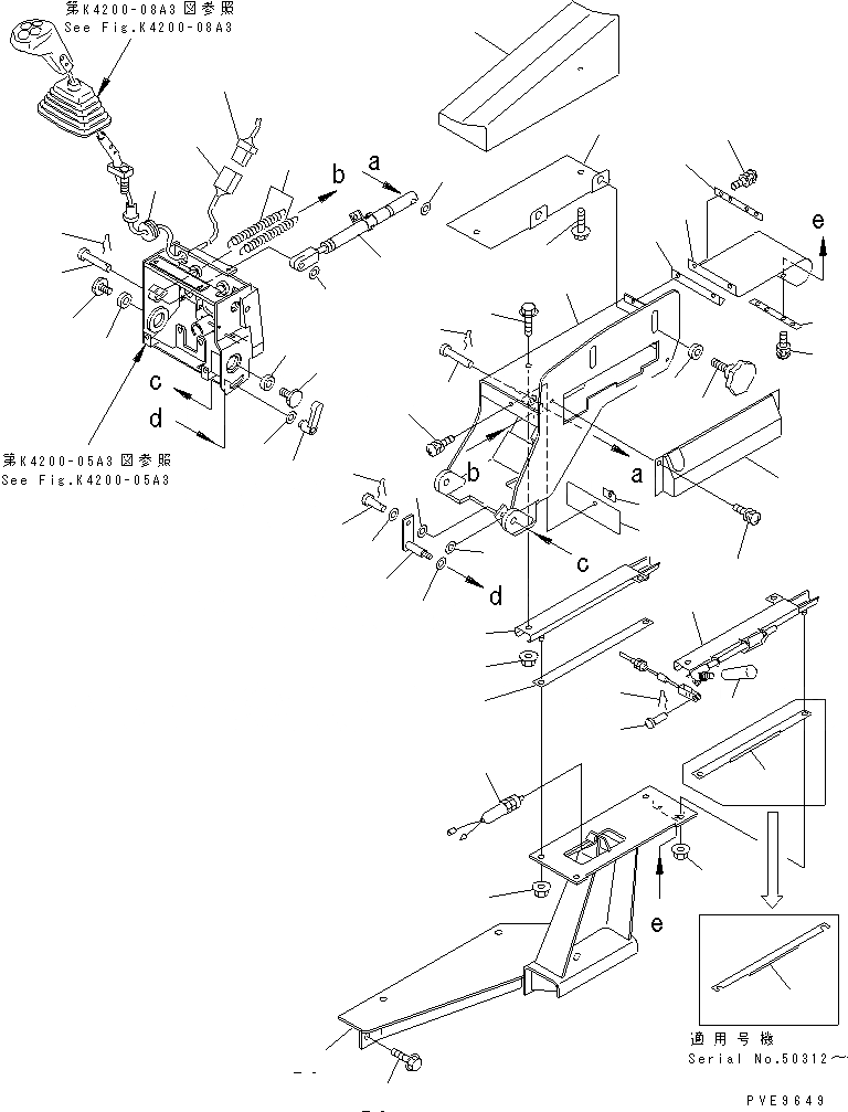
Запчасти Komatsu WA500-3 ПОЛ (РЫЧАГ /) (С УПРАВЛЕНИЕМ ДЖОЙСТИКОМ)(№-) КАБИНА ОПЕРАТОРА И СИСТЕМА УПРАВЛЕНИЯ

Схема запчастей Komatsu WA500-3 - ПОЛ (РЫЧАГ /) (С УПРАВЛЕНИЕМ ДЖОЙСТИКОМ)(№-) КАБИНА ОПЕРАТОРА И СИСТЕМА УПРАВЛЕНИЯ
1
2
2
3
3
4
5
6
7
8
9
10
10A
10B
10C
11
12
13
14
15
16
17
18
19
20
21
22
23
24
24
25
26
27
27
28
29
30
31
32
33
34
35
35
35
35
35
36
37
38
39
39
40
40
41
42
43
FIT
1:1
100%

Артикул

Название

Примечание

Количество

1

427-S33-1380

LOCK

SN: 50001-52000

1шт.

2

01641-21016

WASHER

SN: 50001-52000

2шт.

3

04052-11038

PIN,SNAP

SN: 50001-52000

2шт.

4

428-S33-2310

REST,ARM

SN: 50001-52000

1шт.

5

01435-00816

BOLT

SN: 50001-52000

2шт.

6

428-S33-2180

BRACKET

SN: 50001-52000

1шт.

7

428-S33-2420

PIN

SN: 50001-52000

1шт.

8

418-43-18240

SPRING

SN: 50001-52000

2шт.

9

01435-00816

BOLT

SN: 50001-52000

4шт.

10

425-S33-2123

BRACKET

SN: 50312-52000

1шт.

10

0

BRACKET

SN: 50205-50311

1шт.

10

0

BRACKET

SN: 50001-50204

1шт.

10A

426-S33-2280

PLATE

SN: 50205-52000

1шт.

10B

426-S33-2290

RUBBER

SN: 50205-52000

1шт.

10C

01023-70616

SCREW

SN: 50205-52000

1шт.

11

428-S33-2150

SPACER

SN: 50001-52000

2шт.

12

428-S33-2140

KNOB

SN: 50001-52000

2шт.

13

428-S33-2470

PLATE

SN: 50001-52000

1шт.

14

428-S33-2230

PLATE,POTENTIO

SN: 50001-52000

1шт.

15

01023-20616

SCREW

SN: 50001-52000

2шт.

16

428-S33-2240

RUBBER

SN: 50001-52000

1шт.

17

428-S33-2230

PLATE

SN: 50001-52000

1шт.

18

01023-20612

SCREW

SN: 50001-52000

2шт.

19

428-S33-2270

ADJUSTER

SN: 50001-52000

1шт.

20

428-S33-2260

ADJUSTER

SN: 50001-52000

1шт.

21

01584-10806

NUT

SN: 50001-52000

2шт.

22

417-09-12120

KNOB

SN: 50001-52000

1шт.

23

428-S33-2380

PLATE

SN: 50001-52000

1шт.

24

425-S33-2141

PLATE

SN: 50312-52000

1шт.

24

0

PLATE

SN: 50001-50311

1шт.

25

428-S33-2280

COVER

SN: 50001-52000

1шт.

26

01023-20612

SCREW

SN: 50001-52000

2шт.

27

01584-10806

NUT

SN: 50001-52000

4шт.

28

425-S33-2132

BRACKET

SN: 50056-52000

1шт.

28

0

BRACKET

SN: 50001-50055

1шт.

29

01435-00820

BOLT

SN: 50001-52000

3шт.

30

42A-06-15140

SWITCH

SN: 50001-52000

1шт.

31

04052-10633

PIN,SNAP

SN: 50001-52000

1шт.

32

04205-10616

PIN

SN: 50001-52000

1шт.

33

04205-31042

PIN

SN: 50001-52000

1шт.

34

04050-12015

PIN,COTTER

SN: 50001-52000

1шт.

35

01643-30823

WASHER

SN: 50001-52000

5шт.

36

425-S33-2161

LEVER

SN: 50001-52000

1шт.

37

04205-10822

PIN

SN: 50001-52000

1шт.

38

425-S33-2181

LEVER

SN: 50001-52000

1шт.

39

22T-43-12180

SPACER

SN: 50001-52000

2шт.

40

22T-43-12190

BOLT

SN: 50001-52000

2шт.

41

135-06-34260

GROMMET

SN: 50001-52000

1шт.

42

08056-10811

CONNECTOR

SN: 50001-52000

1шт.

43

08056-10830

CONNECTOR

SN: 50001-52000

1шт.

Выбрано товаров: 50