Запчасти Komatsu WA500-3 ПОЛ Э/ПРОВОДКА (ДЖОЙСТИК Э/ПРОВОДКА) (КРОМЕ ЯПОН.)(№-) КАБИНА ОПЕРАТОРА И СИСТЕМА УПРАВЛЕНИЯ

Схема запчастей Komatsu WA500-3 - ПОЛ Э/ПРОВОДКА (ДЖОЙСТИК Э/ПРОВОДКА) (КРОМЕ ЯПОН.)(№-) КАБИНА ОПЕРАТОРА И СИСТЕМА УПРАВЛЕНИЯ
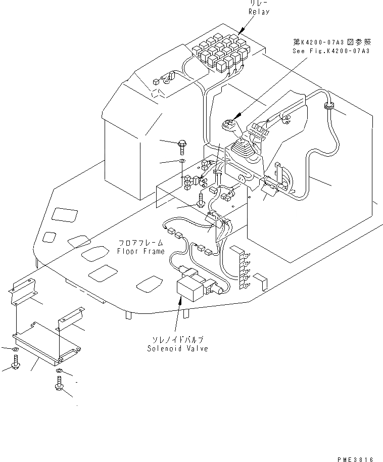
1
2
3
3
4
4
4
5
5
5
6
6
7
8
9
FIT
1:1
100%

Артикул

Название

Примечание

Количество

1

425-S33-2322

HARNESS

SN: 50001-52000

1шт.

1

08020-10000

DIODE

SN: 50001-@

2шт.

2

7823-25-1002

CONTROLLER,JOY STICK STEERING

SN: 50886-@

1шт.

2

7823-25-1001

CONTROLLER,JOY STICK STEERING

SN: 50863-50885

1шт.

2

0

CONTROLLER,JOY STICK STEERING

SN: 50001-50862

1шт.

3

421-S99-2160

BRACKET

SN: 50001-52000

2шт.

4

01435-00816

BOLT

SN: 50886-52000

8шт.

4

01435-00816

BOLT

SN: 50001-50885

8шт.

5

01643-31032

WASHER

SN: 50001-52000

8шт.

6

08036-01214

CLIP

SN: 50001-52000

3шт.

7

01435-01016

BOLT

SN: 50001-52000

3шт.

8

08034-20519

BAND

SN: 50886-52000

6шт.

8

08034-20519

BAND

SN: 50001-50885

15шт.

9

08037-03614

GROMMET

SN: 50001-52000

1шт.

Выбрано товаров: 14